|
JGQ型管状电加热元件 |
||||||||
|
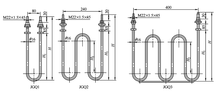
(1) JGQ1,2,3型管状电加热元件 为空气加热元件,安装于吹风管道中,或安装在其他流动空气加热的地方。元件在风道中宜交错排列,以使流过空气能充分加热。也可作为各种烘箱和电炉的发热元件。最高工作温度不应超过300℃。元件表面涂远红外线涂料 |
||||||||
|
外形尺寸及主要参数
表1 |
||||||||
|
型 号 |
电压/V |
功率/kW |
外形尺寸/mm |
质量/kg |
||||
|
H |
H1 |
H2 |
总长 |
引出棒规格 |
||||
|
JGQ1-220/0.5 |
220 |
0.5 |
490 |
330 |
— |
1025 |
M6×230 |
1.3 |
|
JGQ1-220/0.75 |
0.75 |
690 |
530 |
— |
1425 |
1.6 |
||
|
JGQ2-220/1.0 |
1.0 |
490 |
330 |
200 |
1675 |
1.8 |
||
|
JGQ2-220/1.5 |
1.5 |
690 |
530 |
400 |
2475 |
2.6 |
||
|
JGQ3-380/2.0 |
380 |
2.0 |
590 |
430 |
300 |
2930 |
3.4 |
|
|
JGQ3-380/2.5 |
2.5 |
690 |
530 |
400 |
3530 |
4 |
||
|
JGQ3-380/3.0 |
3.0 |
790 |
630 |
500 |
4130 |
4.5 |
||
|
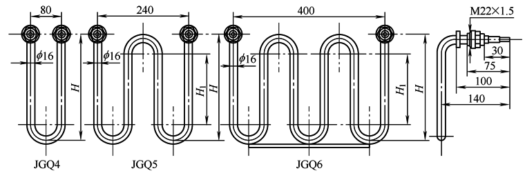
(2) JGQ4,5,6型管状电加热元件 为空气加热元件,适用于干燥箱、烘箱、大型烘炉等,作为各种油漆、绝缘漆等烘干和各种产品的脱水干燥及空气加热等用。最高工作温度不应超过300℃。元件表面涂远红外线涂料。 外形尺寸及主要参数
|
|||||||
|
表2 |
|||||||
|
型 号 |
电压/V |
功率/kW |
外形尺寸/mm |
质量/kg |
|||
|
H |
H1 |
总长 |
引出棒规格 |
||||
|
JGQ4-220/0.5 |
220 |
0.5 |
330 |
— |
950 |
M6×200 |
1.3 |
|
JGQ4-220/0.8 |
220 |
0.8 |
450 |
— |
1190 |
1.6 |
|
|
JGQ4-220/1.0 |
220 |
1.0 |
600 |
— |
1490 |
1.8 |
|
|
JGQ5-220/1.2 |
220 |
1.2 |
350 |
250 |
1745 |
2.1 |
|
|
JGQ5-220/1.5 |
220 |
1.5 |
450 |
350 |
2145 |
2.5 |
|
|
JGQ5-220/1.8 |
220 |
1.8 |
550 |
450 |
2545 |
2.9 |
|
|
JGQ6-380/2.0 |
380 |
2.0 |
400 |
300 |
2795 |
3.1 |
|
|
JGQ6-380/2.5 |
380 |
2.5 |
500 |
400 |
3395 |
3.8 |
|
|
JGQ6-380/3.0 |
380 |
3.0 |
600 |
500 |
3995 |
4.4 |
|
|
(3) JGQ7,8型管状电加热元件 为空气加热元件,适合于各种烘箱、烘炉等,或安装在恒温恒湿机、除湿机等设备上。最高工作温度不应超过300℃。元件表面涂远红外线涂料。 外形尺寸及主要参数
表3 |
||||||
|
型 号 |
电压/V |
功率/kW |
外形尺寸/mm |
质量/kg |
||
|
L |
L1(有效) |
L2 |
||||
|
JGQ7220/0.8 |
220 |
0.8 |
1100 |
800 |
150 |
1.4 |
|
JGQ7-220/1.0 |
1.0 |
1300 |
1000 |
1.6 |
||
|
JGQ7-220/1.2 |
1.2 |
1500 |
1200 |
1.8 |
||
|
JGQ7-220/1.4 |
1.4 |
1700 |
1400 |
2.0 |
||
|
JGQ7-220/1.6 |
1.6 |
1900 |
1600 |
2.2 |
||
|
JGQ7-220/2.0 |
2.0 |
2300 |
2000 |
2.6 |
||
|
JGQ8-220/0.8 |
0.8 |
1800 |
800 |
500 |
2.2 |
|
|
JGQ8-220/1.0 |
1.0 |
2000 |
1000 |
2.4 |
||
|
JGQ8-220/1.2 |
1.2 |
2200 |
1200 |
2.6 |
||
|
JGQ8-220/1.4 |
1.4 |
2400 |
1400 |
2.8 |
||
|
JGQ8-220/1.6 |
1.6 |
2600 |
1600 |
3.0 |
||
|
JGQ8-220/2.0 |
2.0 |
3000 |
2000 |
3.4 |
||



