|
LEC系列增量式光电编码器 |
|||||||||||||||||||||
|
(1) 产品的特点及用途 LEC系列增量式光电编码器用于自动控制、自动测量等工作场合,测量长度、位置、速度或角度等。 (2) 型号的含义
(3) 主要技术参数及输出电路 LEC系列增量式光电编码器的主要技术参数见表1,输出电路见表2 |
|||||||||||||||||||||
|
表1 LEC系列增量式光电编码器主要技术参数 |
|||||||||||||||||||||
|
电 气 参 数 |
性能代号 |
电源电压 /V |
消耗电流 /mA |
输出型式 |
输出电压/V |
注入 电流 /mA |
最小负 载阻抗 /Ω |
上升、下 降时间 /μs |
响应频率 /kHz |
||||||||||||
|
VH |
VL |
||||||||||||||||||||
|
05E |
5±0.25 |
≤150 |
电压 |
≥3.5 |
≤0.5 |
— |
— |
≤1 |
0~100 |
||||||||||||
|
05C |
5±0.25 |
≤150 |
集电极开路 |
— |
— |
≤40 |
— |
≤1 |
0~100 |
||||||||||||
|
05P |
5±0.25 |
≤150 |
长线驱动器(75183) |
≥2.5 |
≤0.5 |
— |
— |
≤0.2 |
0~100 |
||||||||||||
|
05D |
5±0.25 |
≤250 |
长线驱动器(75113) |
≥2.5 |
≤0.5 |
— |
— |
≤0.2 |
0~100 |
||||||||||||
|
12E |
12±1.2 |
≤150 |
电压 |
≥8.0 |
≤0.5 |
— |
— |
≤1 |
0~100 |
||||||||||||
|
12C |
12±1.2 |
≤150 |
集电极开路 |
— |
— |
≤40 |
— |
≤1 |
0~100 |
||||||||||||
|
12F |
12±1.2 |
≤150 |
互补 |
≥8.0 |
≤1.0 |
— |
≥500 |
≤1 |
0~100 |
||||||||||||
|
15E |
15±1.5 |
≤150 |
电压 |
≥10.0 |
≤0.5 |
— |
— |
≤1 |
0~100 |
||||||||||||
|
15C |
15±1.5 |
≤150 |
集电极开路 |
— |
— |
≤40 |
— |
≤1 |
0~100 |
||||||||||||
|
15F |
15±1.5 |
≤150 |
互补 |
≥10.0 |
≤1.0 |
— |
≥500 |
≤1 |
0~100 |
||||||||||||
|
24E |
24±2 |
≤180 |
电压 |
≥20.0 |
≤0.5 |
— |
— |
≤2 |
0~100 |
||||||||||||
|
24C |
24±2 |
≤180 |
集电极开路 |
— |
— |
≤40 |
— |
≤2 |
0~100 |
||||||||||||
|
24F |
24±2 |
≤180 |
互补 |
≥20.0 |
≤2.0 |
— |
≥500 |
≤2 |
0~100 |
||||||||||||
|
机 械 参 数 |
输出轴直径 /mm |
允许最大 机械转速 /r·min-1 |
启动力矩 (25℃) /10-3N·m |
轴最大负载/N |
惯性力矩 /10-6N·m·s2 |
允许角加速度 /104rad·s-2 |
|||||||||||||||
|
径向 |
轴向 |
||||||||||||||||||||
|
5 |
5000 |
3 |
20 |
10 |
3.5 |
1 |
|||||||||||||||
|
8① |
5000 |
10 |
40 |
30 |
4 |
1 |
|||||||||||||||
|
10① |
5000 |
10 |
40 |
30 |
4.2 |
1 |
|||||||||||||||
|
环 境 参 数 |
型式记号 |
使用温度/℃ |
贮存温度/℃ |
耐振动 |
耐冲击 |
构造 |
质量/g |
||||||||||||||
|
05E、05C 12E、12C、12F 15E、15C、15F 24E、24C、24F |
-10~60 |
-30~70 |
50m/s2 10~200Hz, X、Y、Z三 个方向各2h |
980m/s2 X、Y、Z三个 方向各2次 |
防尘 |
约350 (电缆除外) |
|||||||||||||||
|
05P、05D |
0~60 |
-30~70 |
50m/s2 10~200Hz, X、Y、Z三 个方向各2h |
980m/s2 X、Y、Z三个 方向各2次 |
防尘 |
约350 (电缆除外) |
|||||||||||||||
|
①此类特殊加工。注:防护等级为IP54。 |
|||||||||||||||||||||
|
表2 LEC系列增量式光电编码器输出电路 |
||||||||||
|
型式记号 |
05E |
12E |
15E |
24E |
05C |
12C |
15C |
24C |
||
|
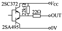
输出型式 |
电压 |
集电极开路 |
||||||||
|
电路 |
5V |
12V15V24V |
|
|||||||
|
|
|
|||||||||
|
型式记号 |
05P |
05D |
12F |
15F |
24F |
|||||
|
输出型式 |
长线驱动器 |
互补输出 |
||||||||
|
电路 |
|
|
||||||||
|
|
||||||||||
|
注:生产厂为长春第一光学有限公司。 (4)外形及安装尺寸(见图)
|
||||||||||









