|
外形及安装尺寸 |
|
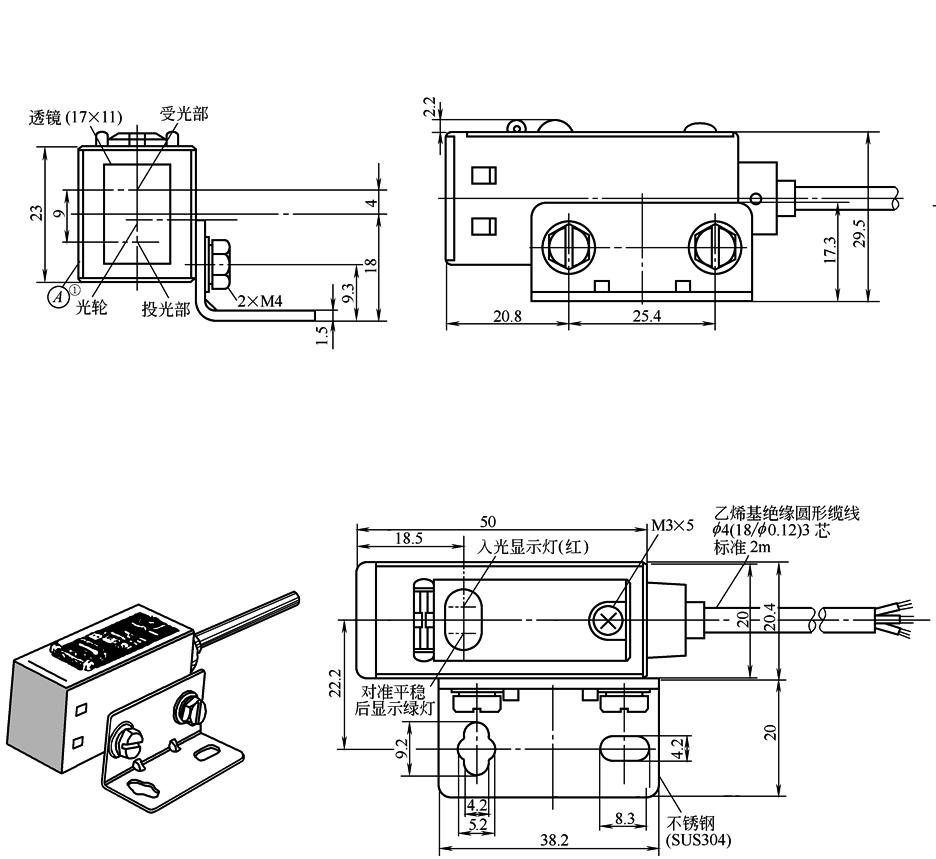
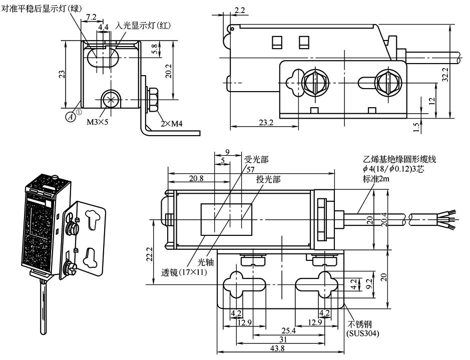
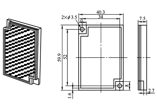
E3S-C系列光电开关外形及安装尺寸见图1~图5 E3S-CT11-(M1J)型外形及安装尺寸见图1。图示为受光器,同一型号投光器和受光器外形及安装尺寸相同,但投光器在型号后加L,如E3S-CT□□-L型,受光器在型号后加D,如E3S-CT□□-D型 E3S-CR11-(M1J)型、E3S-CD11-(M1J)型、E3S-CD12-(M1J)型外形及安装尺寸见图2 E3S-CT61-(M1J)型外形及安装尺寸见图3。图示为受光器,投光器尺寸与受光器尺寸相同 E3S-CR61-(M1J)型、E3S-CD61-(M1J)型、E3S-CD62-(M1J)型外形及安装尺寸见图4 E3S-CR11/CR61回归反射型光电开关、反射板/E39-R1型见图5(回归反射型E3S-CR11/CR61型有附件)
图1 ① ② 对射型的投光器只有电源显示灯(红)。 ③ 对射型的投光器,f 4(27/f 0.12)2芯。
图2 ① 注:1.中间连接器同图1。 2.安装角钢螺孔加工尺寸同图1。
图3 ① ② 对射型的投光器只有电源显示灯。 ③ 对射型的投光器,f 4(27/f 0.12)2芯。 注:1.中间连接器同图1。 2.安装角钢螺孔加工尺寸同图1。
图4 ① 注:1.中间连接器同图1。 2.安装角钢螺孔加工尺寸同图1。
图5 |





