|
JXW系列绝对式光电编码器 |
||
|
(1) 产品的特点及用途 JXW系列绝对式光电编码器能够实现零位固定,单值函数输出,抗干扰能力强,结构上采取了防尘、防潮等措施,具有耐冲击、耐振动的性能,能够测量角位移、旋转速度等机械量,并可将测量结果以自然二进制码输出,从而广泛应用于自动测量、自动控制等系统中 (2) 型号的含义
|
||
|
表1 性能代号含义 |
||
|
性能代号 |
电源电压/V |
输出码制 |
|
7 |
5±0.25 |
自然二进制码 |
|
8 |
循环二进制码 |
|
|
9 |
12 |
自然二进制码 |
|
10 |
循环二进制码 |
|
|
(3) 主要技术参数及输出电路 JXW系列绝对式光电编码器主要技术参数见表2,输出电路见图1 |
||
|
表2 JXW系列绝对式光电编码器主要技术参数 |
|||||||||||||||||||||
|
基 本 参 数 |
位数 |
分割数 |
角分辨率 |
测量范围/(°) |
准确度/(") |
||||||||||||||||
|
8 |
256 |
360°/28 |
0~360 |
±42 |
|||||||||||||||||
|
9 |
512 |
360°/29 |
0~360 |
±21 |
|||||||||||||||||
|
10 |
1024 |
360°/210 |
0~360 |
±10 |
|||||||||||||||||
|
电 气 参 数 |
性能 序号 |
电源电 压/V |
输出信号 |
消耗电流 /mA |
波形 |
上升下降 时间/μs |
响应频率 /kHz |
最小负载 /Ω |
绝缘阻抗 /MΩ |
||||||||||||
|
高电平 /V |
低电平 /V |
允许注入 电流/mA |
|||||||||||||||||||
|
7 8 |
5±0.25 |
≥3.5 |
≤0.5 |
<20 |
<260 |
方波 |
<1 |
<25 |
500 |
>100 |
|||||||||||
|
9 10 |
12 |
≥10 |
≤1 |
集电极 开路 |
|||||||||||||||||
|
机 械 参 数 |
允许最大机械转速 /r·min-1 |
启动力矩(25℃) /N·m |
轴最大负载 |
||||||||||||||||||
|
径向/N |
轴向/N |
||||||||||||||||||||
|
1000 |
2×10-3 |
20 |
10 |
||||||||||||||||||
|
环境参数: |
|||||||||||||||||||||
|
使用温度/℃ |
贮存温度/℃ |
相对湿度/% |
耐振动/m·s-2 |
耐冲击/m·s-2 |
|||||||||||||||||
|
-20~50 |
-30~70 |
85 |
30(10~200Hz,X、Y、Z三方向各1h) |
300(11ms,X、Y、Z三个方向各3次) |
|||||||||||||||||
|
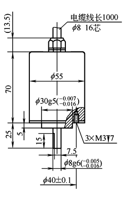
注:1.允许注入电流20mA为单路信号的允许注入电流。 2.防护等级为IP54。 3.生产厂为长春第一光学有限公司。 (4) 外形及安装尺寸(见图2) |
|||||||||||||||||||||
|
图1 JXW系列绝对式 光电编码器输出电路 |
图2 JXW系列绝对式光电 编码器外形及安装尺寸 |
||||||||||||||||||||



