|
LXP1(3SE3)系列行程开关 |
|||||||||||||||||
|
(1) 用途、特点及工作条件 LXP1(3SE3)系列行程开关系引进德国西门子公司技术生产,适用于交流40~60Hz、额定电压至500V,直流额定电压至600V,电流至10A的控制电路中,将机械信号转变为电气信号,用来控制机械动作或作程序控制用。该系列行程开关,分为开启式和防护式两大类,由外壳、触头部分及开关元件所组成。触头结构有多种类型,动作方式可分为瞬动式、蠕动式及交叉从动式三大类。触头部分可在相差90°的四个位置任意安装。工作条件如下:环境温度-40~85℃;相对湿度40℃时不超过50%,最湿月平均最大相对湿度为90%;海拔不超过2000m (2) 主要技术参数 LXP1(3SE3)系列行程开关主要技术参数 |
|||||||||||||||||
|
额定绝 缘电压 /V |
额定 发热 电流 /A |
额定工作电流/A |
机械 寿命 /万次 |
电寿命/万次 |
重复 精度 /mm |
防护 外壳 出线 孔 |
防护 等级 |
||||||||||
|
AC-11 |
DC-11 |
1A/ 220V AC-11 |
0.5A/ 220V DC-11 |
||||||||||||||
|
额定工作电压/V |
|||||||||||||||||
|
AC |
DC |
125 |
220 |
380 |
500 |
24 |
48 |
110 |
220 |
440 |
|||||||
|
500 |
600 |
10 |
10 |
10 |
6 |
4 |
10 |
5 |
1 |
0.4 |
0.2 |
3000 |
500 |
1000 |
0.02 |
M20× 1.5 |
IP67 |
|
注:生产厂为北京第一机床电器厂,上海第二机床电器厂。 |
|||||||||||||||||
|
(3) 型号含义
极数及防护型式代号 |
|||||
|
000 |
二极开关元件 |
050 |
二极开启式行程开关(有防护罩) |
120 |
二极防护式行程开关(窄型) |
|
010 |
二极有尾顶杆开关元件 |
003 |
三极开关元件 |
303 |
三极防护式行程开关(宽型) |
|
020 |
二极开启式行程开关 |
023 |
三极开启式行程开关 |
404 |
四极防护式行程开关(宽型) |
|
040 |
二极有尾顶杆开启式行程开关 |
100 |
二极防护式行程开关(宽型) |
|
|
|
动作方式代号 |
|||||||
|
代号 |
触头极数 |
代号 |
触头极数 |
||||
|
二极 |
三极 |
四极 |
二极 |
三极 |
四极 |
||
|
0 |
从动触头 |
一般从动触头,一常开二常闭 |
两个从动开关元件 |
3 |
从动交叉触头 |
一交叉从动触头,二常开一常闭(一对交叉) |
一个从动、一个快速开关元件 |
|
1 |
快速触头 |
一般从动触头,二常开一常闭 |
两个快速开关元件 |
4 |
|
二交叉从动触头,一常开二常闭(两对交叉) |
|
|
2 |
从动大开距触头 |
一交叉从动触头,一常开二常闭(一对交叉) |
两个交叉开关元件 |
5 |
|
一交叉从动触头,二常开一常闭(两对交叉) |
|
|
操动器型式代号 |
|||||
|
B |
直动型操动器 |
J |
一般操动器,摇杆有定位 |
W |
塑料杆一般操动器 |
|
C |
大行程直动型操动器 |
H |
阻尼操动器,摇杆可调 |
P |
铝杆、阻尼型操动器 |
|
D |
滚轮直动式 |
K |
阻尼操动器,摇杆有定位 |
Q |
塑料杆、阻尼型操动器 |
|
E |
横向杠杆滚轮式 |
U |
一般操动器 |
R |
弹簧杆操动器 |
|
F |
纵向杠杆滚轮式 |
N |
阻尼操动器 |
T |
双轮式 |
|
G |
一般操动器,摇杆可调 |
V |
铝杆一般操动器 |
A |
开启式开关的唯一代号 |
|
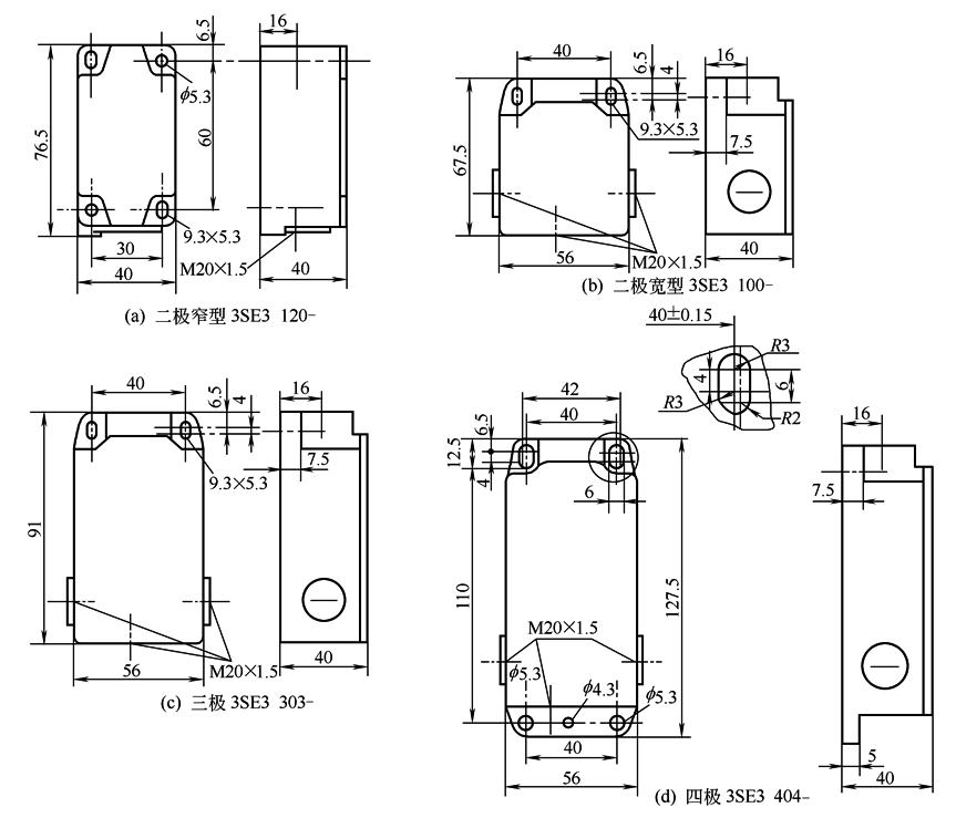
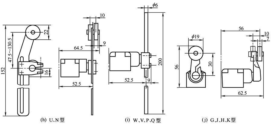
(4) 外形及安装尺寸 外形及安装尺寸见图1、图2及图3 ① 开启式
图1 ② 防护外壳
图2 ③ 操动器
图3 |
|||||





