|
MQD1系列牵引电磁铁 |
||||||||
|
(1) 适用范围及型号含义 ① 交流50Hz控制电压至380V ② 周围环境污染等级为Ⅲ级 ③ 周围空气温度-5~40℃ ④ 海拔高度不超过2000m ⑤ 空气相对湿度:在40℃时不超过50%,在较低温度下允许有较大的相对湿度;最湿月的月平均最大相对湿度为90%,同时该月的月平均最低温度为25℃,并考虑到因温度变化发生在产品表面上的凝露 ⑥ 安装倾斜度:不大于5°;安装类别为Ⅲ类 (2) 结构特点 MQD1型电子牵引电磁铁系单向交流装甲螺管式无罩结构,产品按100%通电持续率设计,采用交流-直流转换电磁系统,实现大电流启动和小电流维持的自动切换 |
|
|||||||
|
产品分拉动式和推动式两种,线圈断电后无复位装置 (3)主要技术参数 |
||||||||
|
表1 主要技术参数 |
||||||||
|
型号规格 |
使用方式 |
额定吸引力 /N |
额定行程 /mm |
额定电压 /V |
通电持续率 /% |
操作次数 /次·h-1 |
消耗功率 |
|
|
启动/V·A |
吸持/V·A |
|||||||
|
MQD-8N |
拉动式 |
80 |
30 |
380 |
100 |
1800 |
608 |
114 |
|
MQD-8Z |
推动式 |
80 |
30 |
380 |
100 |
1800 |
608 |
114 |
|
MQD-15N |
拉动式 |
150 |
30 |
380 |
100 |
1800 |
874 |
17 |
|
MQD-25N |
拉动式 |
250 |
30 |
380 |
100 |
1800 |
1140 |
17 |
|
MQD-50N |
拉动式 |
500 |
30 |
380 |
100 |
1200 |
— |
— |
|
MQD-80 |
拉动式 |
800 |
60 |
380 |
100 |
1200 |
— |
— |
|
注:生产厂为浙江省瑞安市科达电子电器制造有限公司。 |
||||||||
|
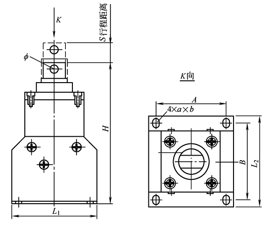
(4) 外形及安装尺寸 外形及安装尺寸见下图、表2
|
|||||||||
|
表2 mm |
|||||||||
|
型号规格 |
A |
B |
L1 |
L2 |
H |
f |
a |
b |
总质量/kg |
|
MQD1-8N |
83±0.5 |
72±1.5 |
109 |
92 |
155 |
8 |
9 |
7 |
2 |
|
MQD1-8Z |
83±0.5 |
72±1.5 |
109 |
92 |
155 |
8 |
9 |
7 |
2 |
|
MQD1-15N |
108±0.5 |
85±1.5 |
130 |
110 |
195 |
10 |
11 |
9 |
5 |
|
MQD1-25N |
108±0.5 |
120±1.5 |
145 |
130 |
230 |
12 |
11 |
9 |
6 |
|
MQD1-50N |
100±0.5 |
130±1.5 |
190 |
150 |
245 |
16 |
14 |
16 |
— |
|
MQD1-80N |
180±0.5 |
150±1.5 |
210 |
170 |
285 |
— |
16 |
18 |
— |


