|
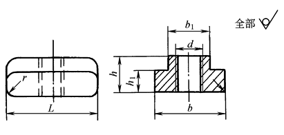
滑块 |
|||||||
|
mm |
|||||||
|
型号 |
d |
b |
b1 |
h |
h1 |
L |
r |
|
C-3 |
M10 |
22 |
14 |
12 |
8 |
30 |
2 |
|
C-4 |
M10 |
28 |
16 |
15 |
8 |
38 |
2 |
|
C-5 |
M12 |
38 |
22 |
20 |
14 |
44 |
4 |
|
C-6 |
M12 |
40 |
22 |
22 |
15 |
52 |
4 |
|
C-7 |
M16 |
60 |
26 |
24 |
15 |
68 |
5 |
|
C-8、C-9 |
M20 |
66 |
32 |
30 |
20 |
76 |
5 |
|
注:1.材料为QT400-15。 2.其余铸造圆角半径为1~2mm。 |
|||||||

