|
移动卡爪 |
||||||||||||||||||
|
mm |
||||||||||||||||||
|
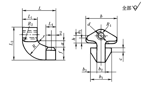
型号 |
d |
b |
b1 |
b2 |
b3 |
L |
L1 |
L3 |
L4 |
h |
h1 |
R |
R1 |
R2 |
a |
f |
r |
c |
|
C-3 |
M12 |
40 |
24 |
12 |
6 |
40 |
20 |
38 |
11 |
8 |
6 |
20 |
10 |
32 |
8 |
12 |
2 |
4 |
|
C-4 |
M12 |
48 |
30 |
15 |
7.5 |
50 |
25 |
50 |
14 |
10 |
7 |
25 |
14 |
40 |
8 |
18 |
2.5 |
5 |
|
C-5 |
M16 |
65 |
40 |
18 |
11 |
60 |
30 |
60 |
17 |
12 |
8 |
30 |
16 |
48 |
10 |
22 |
3 |
4 |
|
C-6 |
M16 |
65 |
40 |
20 |
10 |
70 |
30 |
69 |
20 |
14 |
10 |
35 |
16 |
56 |
13 |
26 |
3.5 |
6 |
|
C-7 |
M20 |
90 |
60 |
27 |
16.5 |
90 |
45 |
88 |
27 |
18 |
13 |
45 |
22 |
72 |
13 |
35 |
4.5 |
7 |
|
C-8 |
M24 |
100 |
70 |
30 |
20 |
100 |
50 |
95 |
30 |
20 |
14 |
50 |
25 |
80 |
15 |
35 |
5 |
10 |
|
C-9 |
M24 |
110 |
70 |
30 |
20 |
100 |
50 |
100 |
30 |
20 |
14 |
50 |
25 |
80 |
15 |
40 |
5 |
12 |
|
注:1.材料为HT150。 2.其余铸造圆角半径为2mm。 |
||||||||||||||||||

