|
YPE三相异步盘式制动电动机 |
|||||||||||||||||||||||||||
|
表1 技术数据 |
|||||||||||||||||||||||||||
|
型号 |
额定 功率 /kW |
额定 电流 /A |
额定 转速 /r·min-1 |
工作 方式 |
制动 力矩 /N·m |
转动 惯量 /kg·m2 |
效率 /% |
功率 因数 cosφ |
|
|
|
质量 /kg |
|||||||||||||||
|
YPE100S2-4Z |
0.1 |
0.48 |
1380 |
S2-30min |
1.8 |
0.012 |
55 |
0.58 |
5 |
1.8 |
2.0 |
8 |
|||||||||||||||
|
YPE100-4 |
0.1 |
0.48 |
1380 |
S1 |
1.8 |
0.012 |
55 |
0.58 |
5 |
1.8 |
2.0 |
8 |
|||||||||||||||
|
YPE200S2-4Z |
0.2 |
0.85 |
1380 |
S2-30min |
3.43 |
0.012 |
63 |
0.61 |
5 |
1.8 |
2.0 |
8 |
|||||||||||||||
|
YPE200-4 |
0.2 |
0.80 |
1380 |
S1 |
3.43 |
0.012 |
63 |
0.61 |
5 |
1.8 |
2.0 |
13 |
|||||||||||||||
|
YPE400S2-4Z |
0.4 |
1.47 |
1380 |
S2-30min |
6.86 |
0.035 |
68 |
0.68 |
5 |
1.8 |
2.0 |
13 |
|||||||||||||||
|
YPE400-4 |
0.4 |
1.25 |
1380 |
S1 |
6.86 |
0.035 |
68 |
0.68 |
5 |
1.8 |
2.0 |
14 |
|||||||||||||||
|
YPE500S2-4Z |
0.5 |
1.66 |
1380 |
S2-30min |
6.86 |
0.04 |
68 |
0.68 |
5 |
1.8 |
2.0 |
14 |
|||||||||||||||
|
YPE500-4 |
0.5 |
1.46 |
1380 |
S1 |
6.86 |
0.04 |
68 |
0.68 |
5 |
1.8 |
2.0 |
15 |
|||||||||||||||
|
YPE750S2-4Z |
0.75 |
2.6 |
1380 |
S2-30min |
10.4 |
0.04 |
70 |
0.68 |
5 |
1.8 |
2.0 |
15 |
|||||||||||||||
|
YPE750-4 |
0.75 |
2.35 |
1380 |
S1 |
10.4 |
0.04 |
70 |
0.68 |
5 |
2.0 |
2.5 |
20 |
|||||||||||||||
|
YPE1100S2-4Z |
1.1 |
3.41 |
1380 |
S2-30min |
15.2 |
0.137 |
72 |
0.68 |
6 |
2.0 |
2.5 |
21 |
|||||||||||||||
|
YPE1500S2-4Z |
1.5 |
4.76 |
1380 |
S2-30min |
20.8 |
0.28 |
73 |
0.70 |
6 |
2.0 |
2.5 |
33 |
|||||||||||||||
|
YPE2200S2-4Z |
2.2 |
6.8 |
1380 |
S2-30min |
30.4 |
0.28 |
75 |
0.70 |
6 |
2.0 |
2.5 |
33 |
|||||||||||||||
|
YPE3000S2-4Z |
3.0 |
10.2 |
1380 |
S2-30min |
41.6 |
0.28 |
75 |
0.70 |
6 |
2.0 |
2.5 |
34 |
|||||||||||||||
|
注:1.电压380V,频率50Hz,绝缘等级B,防护等级IP54,冷却方式IC004,接法 2.用于一般机械盘式制动电动机。 3.生产厂:北京富特盘式电机有限公司。 |
|||||||||||||||||||||||||||
|
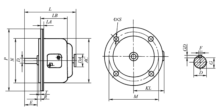
外形及安装尺寸 |
|||||||||||||||||||||||||||
|
表2 mm |
|||||||||||||||||||||||||||
|
型号 |
安装尺寸 |
外形尺寸 |
|||||||||||||||||||||||||
|
D (j6) |
G (h9) |
GD (h9) |
F |
N (h9) |
P |
M (±0.2) |
E |
R |
S |
T |
L |
LB |
LA |
AC |
DA |
KL |
|||||||||||
|
YPE100S2-4Z |
11 |
8.5 |
4 |
4 |
130 |
200 |
180 |
23 |
6 |
7 |
3 |
151 |
79 |
13 |
164 |
59 |
131 |
||||||||||
|
YPE100-4 |
11 |
8.5 |
4 |
4 |
130 |
200 |
180 |
23 |
6 |
7 |
3 |
151 |
79 |
13 |
164 |
59 |
131 |
||||||||||
|
YPE200S2-4Z |
11 |
8.5 |
4 |
4 |
130 |
200 |
180 |
23 |
6 |
7 |
3 |
151 |
79 |
13 |
164 |
59 |
131 |
||||||||||
|
YPE200-4 |
11 |
8.5 |
4 |
4 |
180 |
235 |
215 |
23 |
6 |
11 |
3 |
156 |
91 |
15 |
196 |
59 |
148 |
||||||||||
|
YPE400S2-4Z |
14 |
11 |
5 |
5 |
180 |
235 |
215 |
30 |
6 |
11 |
3 |
163 |
91 |
15 |
196 |
59 |
148 |
||||||||||
|
YPE400-4 |
14 |
11 |
5 |
5 |
180 |
235 |
215 |
30 |
6 |
11 |
3 |
163 |
91 |
15 |
196 |
59 |
148 |
||||||||||
|
YPE500S2-4Z |
14 |
11 |
5 |
5 |
180 |
235 |
215 |
30 |
6 |
11 |
3 |
163 |
91 |
15 |
196 |
59 |
148 |
||||||||||
|
YPE500-4 |
14 |
11 |
5 |
5 |
180 |
235 |
215 |
30 |
6 |
11 |
3 |
163 |
93 |
15 |
196 |
59 |
148 |
||||||||||
|
YPE750S2-4Z |
19 |
16 |
5 |
5 |
180 |
235 |
215 |
30 |
6 |
11 |
3 |
163 |
93 |
15 |
196 |
59 |
148 |
||||||||||
|
YPE750-4 |
19 |
16 |
5 |
5 |
230 |
290 |
265 |
30 |
6 |
14 |
4 |
190 |
108 |
13 |
233 |
59 |
168 |
||||||||||
|
YPE1100S2-4Z |
19 |
16 |
5 |
5 |
230 |
290 |
265 |
50 |
6 |
14 |
4 |
205 |
108 |
13 |
233 |
59 |
168 |
||||||||||
|
YPE1500S2-4Z |
24 |
20 |
7 |
8 |
250 |
325 |
300 |
50 |
6 |
14 |
5 |
220 |
122 |
15 |
268 |
59 |
183 |
||||||||||
|
YPE2200S2-4Z |
24 |
20 |
7 |
8 |
250 |
325 |
300 |
50 |
6 |
14 |
5 |
220 |
122 |
15 |
268 |
59 |
183 |
||||||||||
|
YPE3000S2-4Z |
24 |
20 |
7 |
8 |
250 |
325 |
300 |
50 |
6 |
14 |
5 |
220 |
122 |
15 |
268 |
59 |
183 |
||||||||||

