|
YHHPY起重用盘式制动电动机 |
|||||||||||||||||||||||||||||
|
表1 技术数据 |
|||||||||||||||||||||||||||||
|
型号 |
额定 功率 /kW |
额定 电流 /A |
额定 转速 /r·min-1 |
工作 方式 |
制动 力矩 /N·m |
转动 惯量 /kg·m2 |
效率 /% |
功率 因数 cosφ |
|
|
|
质量 /kg |
|||||||||||||||||
|
YHHPY200-4 |
0.2 |
0.85 |
1380 |
S4-40% |
1.38 |
0.012 |
65 |
0.61 |
4 |
2.0 |
2.0 |
8 |
|||||||||||||||||
|
YHHPY400-4 |
0.4 |
1.47 |
1380 |
S4-40% |
2.77 |
0.035 |
68 |
0.68 |
4.5 |
2.0 |
2.0 |
14 |
|||||||||||||||||
|
YHHPY800-4 |
0.8 |
2.75 |
1380 |
S4-25% |
5.54 |
0.04 |
68 |
0.68 |
5 |
2.0 |
2.0 |
16 |
|||||||||||||||||
|
YHHPY1500-4 |
1.5 |
4.7 |
1380 |
S4-25% |
10.4 |
0.28 |
70 |
0.68 |
5 |
2.0 |
2.5 |
26 |
|||||||||||||||||
|
YHHPY2200-4 |
2.2 |
6.8 |
1380 |
S4-25% |
15.2 |
0.28 |
73 |
0.72 |
5 |
2.0 |
2.5 |
36 |
|||||||||||||||||
|
YHHPY3000-4 |
3 |
10 |
1380 |
S4-25% |
20.8 |
0.28 |
75 |
0.72 |
5 |
2.0 |
2.5 |
38 |
|||||||||||||||||
|
注:1.电压380V,频率50Hz,绝缘等级B,防护等级IP54,接法 2.用于起重用盘式制动电动机。 3.生产厂:北京富特盘式电机有限公司。 |
|||||||||||||||||||||||||||||
|
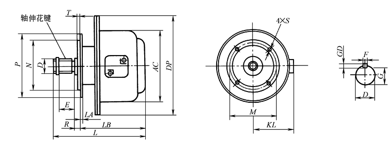
外形及安装尺寸 |
|||||||||||||||||||||||||||||
|
表2 mm |
|||||||||||||||||||||||||||||
|
型号 |
安装尺寸 |
外形尺寸 |
|||||||||||||||||||||||||||
|
轴伸 (矩形花键) |
E |
G |
GD (h9) |
F (h9) |
N (h9) |
M (±0.2) |
P |
R |
S |
LA |
T |
DP |
LB |
L |
AC |
KL |
|||||||||||||
|
YHHPY200-4 |
z=36 D=15 |
22 |
— |
— |
— |
75 |
90 |
110 |
15 |
7 |
8 |
4 |
200 |
116 |
170 |
165 |
131 |
||||||||||||
|
YHHPY400-4 |
z=36 D=15 |
22 |
— |
— |
— |
75 |
90 |
110 |
15 |
7 |
8 |
4 |
235 |
123 |
178 |
196 |
148 |
||||||||||||
|
YHHPY800-4 |
z=36 D=18 |
24 |
— |
— |
— |
100 |
120 |
140 |
19 |
9 |
10 |
4 |
235 |
123 |
185 |
196 |
148 |
||||||||||||
|
6D-20×16×4 |
|||||||||||||||||||||||||||||
|
YHHPY200-4 |
4D-15×12×4 |
22 |
— |
— |
— |
75 |
90 |
110 |
9 |
9 |
8 |
3 |
190 |
109 |
163 |
165 |
131 |
||||||||||||
|
YHHPY400-4 |
6D-15×12×4 |
22 |
— |
— |
— |
75 |
90 |
110 |
9 |
9 |
8 |
3 |
235 |
123 |
171 |
195 |
148 |
||||||||||||
|
4D-15×12×4 |
|||||||||||||||||||||||||||||
|
YHHPY800-4 |
6D-20×16×4 |
24 |
— |
— |
— |
130 |
165 |
190 |
21.5 |
12 |
10 |
4 |
235 |
123 |
185 |
196 |
148 |
||||||||||||
|
6D-25×22×6 |
30 |
— |
— |
— |
180 |
200 |
220 |
13 |
12 |
10 |
4 |
235 |
123 |
191 |
196 |
148 |
|||||||||||||
|
YHHPY800-4 |
D=19jb |
50 |
|
5 |
5 |
130 |
160 |
190 |
5 |
12 |
10 |
4 |
235 |
123 |
210 |
196 |
148 |
||||||||||||
|
YHHPY1500-4 |
D=24jb |
50 |
|
7 |
8 |
180 |
215 |
240 |
5 |
14 |
12 |
4 |
290 |
165 |
235 |
233 |
168 |
||||||||||||
|
YHHPY1500-4 |
6D-25×22×6 |
30 |
— |
— |
— |
180 |
200 |
220 |
14 |
11 |
12 |
4 |
290 |
165 |
215 |
233 |
168 |
||||||||||||

