|
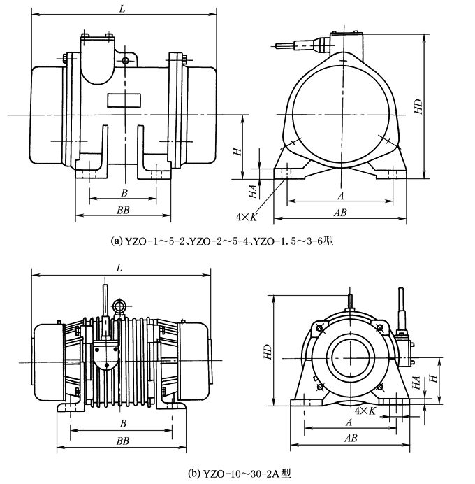
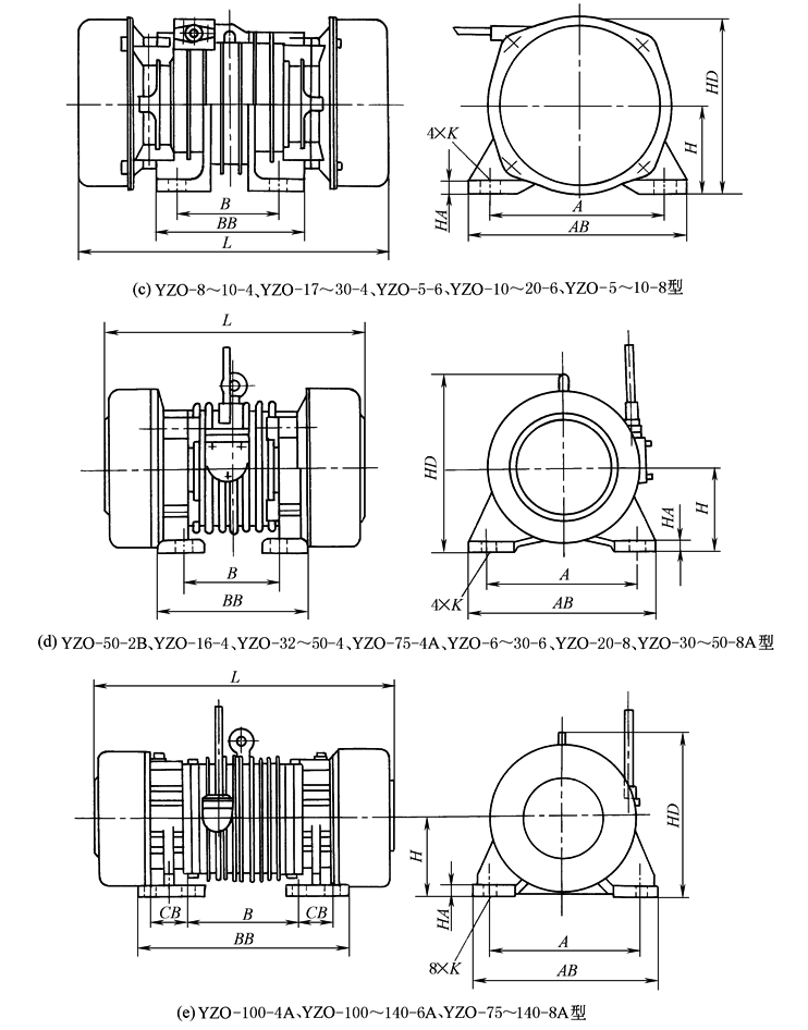
安装及外形尺寸 |
|||||||||||||
|
mm |
|||||||||||||
|
型号 |
安装及外形尺寸 |
安装 螺栓 |
图形 代号 |
质量 /kg |
|||||||||
|
A |
B |
H |
AB |
BB |
HA |
HD |
L |
CB |
K |
||||
|
YZO-1-2 |
120 |
40 |
63 |
145 |
70 |
10 |
150 |
190 |
|
10 |
M8 |
a |
9 |
|
YZO-2-2 |
150 |
80 |
90 |
180 |
130 |
12 |
190 |
230 |
12 |
M10 |
16 |
||
|
YZO-3-2 |
90 |
245 |
14 |
M12 |
20 |
||||||||
|
YZO-5-2 |
180 |
110 |
100 |
220 |
150 |
14 |
220 |
310 |
18 |
M16 |
26 |
||
|
YZO-10-2A |
190 |
210 |
240 |
260 |
16 |
240 |
370 |
22 |
M20 |
b |
45 |
||
|
YZO-20-2A |
250 |
260 |
130 |
310 |
330 |
20 |
310 |
440 |
26 |
M24 |
80 |
||
|
YZO-30-2A |
290 |
300 |
160 |
360 |
370 |
25 |
385 |
475 |
32 |
M30 |
120 |
||
|
YZO-50-2B |
350 |
220 |
190 |
430 |
310 |
33 |
400 |
580 |
39 |
M36 |
d |
190 |
|
|
YZO-2-4 |
150 |
80 |
90 |
180 |
130 |
12 |
190 |
240 |
12 |
M10 |
a |
16 |
|
|
YZO-3-4 |
90 |
250 |
14 |
M12 |
22 |
||||||||
|
YZO-5-4 |
180 |
110 |
100 |
220 |
150 |
14 |
220 |
315 |
18 |
M16 |
30 |
||
|
YZO-8-4 |
220 |
140 |
120 |
270 |
215 |
15 |
250 |
380 |
22 |
M20 |
c |
55 |
|
|
YZO-10-4 |
200 |
16 |
400 |
57 |
|||||||||
|
YZO-16-4 |
260 |
150 |
140 |
320 |
240 |
22 |
315 |
420 |
|
26 |
M24 |
d |
90 |
|
YZO-17-4 |
240 |
140 |
130 |
300 |
210 |
20 |
260 |
c |
70 |
||||
|
YZO-20-4 |
260 |
150 |
140 |
320 |
240 |
22 |
300 |
470 |
95 |
||||
|
YZO-30-4 |
310 |
170 |
160 |
380 |
28 |
330 |
490 |
33 |
M30 |
120 |
|||
|
YZO-32-4 |
280 |
25 |
340 |
d |
130 |
||||||||
|
YZO-50-4 |
350 |
220 |
180 |
430 |
350 |
30 |
400 |
560 |
39 |
M36 |
200 |
||
|
YZO-75-4A |
380 |
250 |
215 |
480 |
400 |
35 |
460 |
650 |
45 |
M42 |
290 |
||
|
YZO-100-4A |
540 |
340 |
260 |
640 |
690 |
40 |
590 |
890 |
130 |
39 |
M36 |
e |
650 |
|
YZO-1.5-6 |
150 |
90 |
90 |
180 |
130 |
12 |
190 |
255 |
|
14 |
M12 |
a |
21 |
|
YZO-3-6 |
180 |
110 |
100 |
220 |
150 |
14 |
220 |
350 |
18 |
M16 |
35 |
||
|
YZO-5-6 |
220 |
140 |
120 |
270 |
200 |
16 |
250 |
400 |
22 |
M20 |
c |
60 |
|
|
YZO-6-6 |
15 |
410 |
d |
||||||||||
|
YZO-10-6 |
260 |
150 |
140 |
320 |
240 |
18 |
300 |
450 |
26 |
M24 |
c、d |
75 |
|
|
YZO-20-6 |
310 |
170 |
160 |
380 |
20 |
330 |
530 |
33 |
M30 |
110 |
|||
|
YZO-30-6 |
350 |
220 |
180 |
430 |
350 |
30 |
400 |
560 |
39 |
M36 |
d |
200 |
|
|
YZO-50-6A |
380 |
250 |
215 |
480 |
400 |
35 |
460 |
665 |
45 |
M42 |
300 |
||
|
YZO-75-6A |
440 |
280 |
240 |
550 |
440 |
40 |
520 |
700 |
52 |
M48 |
450 |
||
|
YZO-100-6A |
540 |
340 |
260 |
640 |
590 |
890 |
130 |
39 |
M36 |
e |
700 |
||
|
YZO-140-6A |
960 |
860 |
|||||||||||
|
YZO-5-8 |
260 |
150 |
140 |
320 |
240 |
18 |
300 |
450 |
|
26 |
M24 |
c |
75 |
|
YZO-10-8 |
310 |
170 |
160 |
380 |
20 |
330 |
530 |
33 |
M30 |
120 |
|||
|
YZO-20-8 |
350 |
220 |
180 |
430 |
350 |
30 |
440 |
600 |
39 |
M36 |
d |
200 |
|
|
YZO-30-8A |
380 |
250 |
215 |
480 |
400 |
35 |
460 |
670 |
45 |
M42 |
300 |
||
|
YZO-50-8A |
440 |
280 |
240 |
550 |
440 |
40 |
520 |
700 |
52 |
M48 |
450 |
||
|
YZO-75-8A |
540 |
340 |
260 |
640 |
690 |
590 |
910 |
130 |
30 |
M36 |
e |
750 |
|
|
YZO-100-8A |
600 |
370 |
280 |
710 |
770 |
640 |
1010 |
150 |
45 |
M42 |
860 |
||
|
YZO-140-8A |
|
1100 |
1000 |
||||||||||


