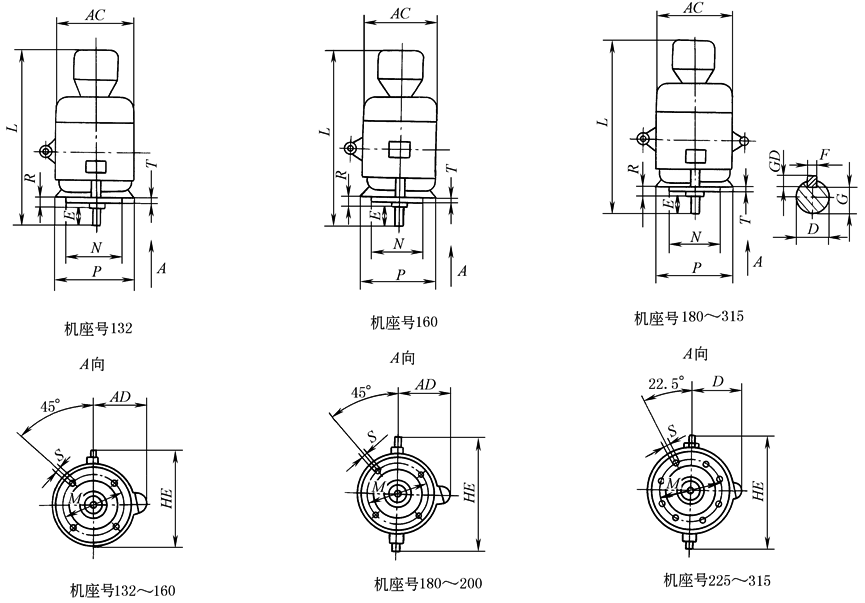
机座不带底脚、端盖上有凸缘的安装及外形尺寸(V1)(JB/T 7119—2010) mm | |||||||||||||||
| |||||||||||||||
机座号 | 凸缘号 | 安装尺寸 | 外形尺寸 | ||||||||||||
D | E | F×GD (键高) | G | T | M | N | P | R | S | AD | AC | HE | L | ||
132M | FF285 | 38 | 80 | 10×8 | 33 | 4 | 265 | 230 | 300 | 0 | 4×f 15 | 210 | 275 | 315 | 745 |
160M | FF300 | 42 | 110 | 12×8 | 37 | 5 | 300 | 250 | 350 | 0 | 4×f 19 | 255 | 335 | 385 | 820 |
160L | 865 | ||||||||||||||
180L | 48 | 110 | 14×9 | 42.5 | 5 | 300 | 250 | 350 | 0 | 4×f 19 | 285 | 380 | 430 | 920 | |
200L | FF350 | 55 | 110 | 16×10 | 49 | 5 | 350 | 300 | 400 | 0 | 4×f 19 | 315 | 420 | 475 | 1045 |
225M | FF400 | 60 | 140 | 18×11 | 53 | 5 | 400 | 350 | 450 | 0 | 8×f 19 | 345 | 475 | 530 | 1115 |
250M | FF500 | 65 | 140 | 18×11 | 58 | 5 | 500 | 450 | 550 | 0 | 8×f 19 | 385 | 515 | 575 | 1260 |
280S | 75 | 140 | 20×12 | 67.5 | 5 | 500 | 450 | 550 | 0 | 8×f 19 | 410 | 580 | 640 | 1355 | |
280M | 1405 | ||||||||||||||
315S | FF600 | 80 | 170 | 22×14 | 71 | 6 | 600 | 550 | 660 | 0 | 8×f 24 | 576 | 645 | 865 | 1500 |
315M | 1550 | ||||||||||||||
315L | 1600 | ||||||||||||||
注::1.G=D-GE,GE的极限偏差为( 2.轴伸键的尺寸与公差符合GB/T 1096的规定。 3.P尺寸为最大极限值。 4.R为凸缘配合面至轴伸肩的距离。 | |||||||||||||||

