|
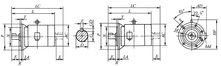
机座不带底脚、端盖上有凸缘的安装及外形尺寸(JB/T 9616—1999) mm |
||||||||||||||||||||||
|
B5(机座号80~225) V1、V3(机座号80~160)
机座号80~132(机座号80、90无吊环) 机座号160~225
|
||||||||||||||||||||||
|
机座号 |
安 装 尺 寸 |
|||||||||||||||||||||
|
M |
N |
P |
R |
S |
T |
D |
E |
F |
||||||||||||||
|
2极 |
4、6、8、 10极 |
2极 |
4、6、8、 10极 |
2极 |
4、6、8、 10极 |
|||||||||||||||||
|
80 |
165 |
|
200 |
0 |
4×f12 |
3.5 |
|
40 |
6 |
|||||||||||||
|
90S |
165 |
|
200 |
0 |
4×f12 |
3.5 |
|
50 |
8 |
|||||||||||||
|
90L |
165 |
|
200 |
0 |
4×f12 |
3.5 |
|
50 |
8 |
|||||||||||||
|
100L |
215 |
|
250 |
0 |
4×f15 |
4 |
|
60 |
8 |
|||||||||||||
|
112M |
215 |
|
250 |
0 |
4×f15 |
4 |
|
60 |
8 |
|||||||||||||
|
132S |
265 |
|
300 |
0 |
4×f15 |
4 |
|
80 |
10 |
|||||||||||||
|
132M |
265 |
|
300 |
0 |
4×f15 |
4 |
|
80 |
10 |
|||||||||||||
|
160M |
300 |
|
350 |
0 |
4×f19 |
5 |
|
110 |
12 |
|||||||||||||
|
160L |
300 |
|
350 |
0 |
4×f19 |
5 |
|
110 |
12 |
|||||||||||||
|
180M |
300 |
|
350 |
0 |
4×f19 |
5 |
|
110 |
14 |
|||||||||||||
|
180L |
300 |
|
350 |
0 |
4×f 19 |
5 |
|
110 |
14 |
|||||||||||||
|
200L |
350 |
300±0.016 |
400 |
0 |
4×f19 |
5 |
|
110 |
16 |
|||||||||||||
|
225S |
400 |
350±0.018 |
450 |
0 |
8×f19 |
5 |
— |
|
— |
140 |
— |
18 |
||||||||||
|
225M |
400 |
350±0.018 |
450 |
0 |
8×f19 |
5 |
|
|
110 |
140 |
16 |
18 |
||||||||||
|
机座号 |
安 装 尺 寸 |
外 形 尺 寸 |
||||||||||||||||||||
|
G |
GD |
AC |
AD |
LA |
L |
LC |
HF |
Md |
||||||||||||||
|
2极 |
4、6、8、 10极 |
2极 |
4、6、8、 10极 |
|
|
|
2极 |
4、6、8、 10极 |
2极 |
4、6、8、 10极 |
||||||||||||
|
80 |
15.5 |
6 |
165 |
150 |
12 |
285 |
— |
185 |
M24×1.5-6H |
|||||||||||||
|
90S |
20 |
7 |
175 |
155 |
12 |
310 |
— |
195 |
M24×1.5-6H |
|||||||||||||
|
90L |
20 |
7 |
175 |
155 |
12 |
335 |
— |
195 |
M24×1.5-6H |
|||||||||||||
|
100L |
24 |
7 |
205 |
180 |
14 |
380 |
— |
245 |
M30×2-6H |
|||||||||||||
|
112M |
24 |
7 |
230 |
190 |
14 |
400 |
463 |
265 |
M30×2-6H |
|||||||||||||
|
132S |
33 |
8 |
270 |
210 |
14 |
470 |
557 |
315 |
M30×2-6H |
|||||||||||||
|
132M |
33 |
8 |
270 |
210 |
14 |
508 |
595 |
315 |
M30×2-6H |
|||||||||||||
|
160M |
37 |
8 |
325 |
255 |
16 |
600 |
722 |
385 |
M36×2-6H |
|||||||||||||
|
160L |
37 |
8 |
325 |
255 |
16 |
645 |
766 |
385 |
M36×2-6H |
|||||||||||||
|
180M |
42.5 |
9 |
360 |
285 |
18 |
670 |
785 |
430 |
M36×2-6H |
|||||||||||||
|
180L |
42.5 |
9 |
360 |
285 |
18 |
710 |
823 |
430 |
M36×2-6H |
|||||||||||||
|
200L |
49 |
10 |
400 |
310 |
18 |
770 |
882 |
475 |
M48×2-6H |
|||||||||||||
|
225S |
— |
53 |
— |
11 |
450 |
345 |
20 |
— |
815 |
— |
964 |
530 |
M48×2-6H |
|||||||||
|
225M |
49 |
53 |
10 |
11 |
450 |
345 |
20 |
810 |
840 |
929 |
989 |
530 |
M48×2-6H |
|||||||||
|
注:1.Md为接线盒进线口螺纹直径。 2.安装尺寸符合标准JB/T 9616,外形尺寸各厂家可能稍有不同。 3.P为最大极限值;R为凸缘配合面至轴伸肩的距离。 |
||||||||||||||||||||||

