|
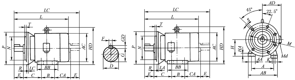
机座带底脚、端盖上有凸缘的安装及外形尺寸(JB/T 9616—1999) mm |
|||||||||||||||||||||||||||||||||||
|
B35(机座号80~315) V15、V36(机座号80~160)
机座号80~132(机座号80、90无吊环) 机座号160~315
|
|||||||||||||||||||||||||||||||||||
|
机座号 |
安 装 尺 寸 |
||||||||||||||||||||||||||||||||||
|
H |
A |
B |
C |
CA |
D |
E |
F |
G |
GD |
K |
M |
||||||||||||||||||||||||
|
2极 |
4、6、8、 10极 |
2极 |
4、6、8、 10极 |
2极 |
4、6、8、 10极 |
2极 |
4、6、8、 10极 |
2极 |
4、6、8、 10极 |
||||||||||||||||||||||||||
|
80 |
|
125 |
100 |
50 |
— |
|
40 |
6 |
15.5 |
6 |
10 |
165 |
|||||||||||||||||||||||
|
90S |
|
140 |
100 |
56 |
— |
|
50 |
8 |
20 |
7 |
10 |
165 |
|||||||||||||||||||||||
|
90L |
|
140 |
125 |
56 |
— |
|
50 |
8 |
20 |
7 |
10 |
165 |
|||||||||||||||||||||||
|
100L |
|
160 |
140 |
63 |
— |
|
60 |
8 |
24 |
7 |
12 |
215 |
|||||||||||||||||||||||
|
112M |
|
190 |
140 |
70 |
133 |
|
60 |
8 |
24 |
7 |
12 |
215 |
|||||||||||||||||||||||
|
132S |
|
216 |
140 |
89 |
168 |
|
80 |
10 |
33 |
8 |
12 |
265 |
|||||||||||||||||||||||
|
132M |
|
216 |
178 |
89 |
168 |
|
80 |
10 |
33 |
8 |
12 |
265 |
|||||||||||||||||||||||
|
160M |
|
254 |
210 |
108 |
184 |
|
110 |
12 |
37 |
8 |
15 |
300 |
|||||||||||||||||||||||
|
160L |
|
254 |
254 |
108 |
184 |
|
110 |
12 |
37 |
8 |
15 |
300 |
|||||||||||||||||||||||
|
180M |
|
279 |
241 |
121 |
203 |
|
110 |
14 |
42.5 |
9 |
15 |
300 |
|||||||||||||||||||||||
|
180L |
|
279 |
279 |
121 |
203 |
|
110 |
14 |
42.5 |
9 |
15 |
300 |
|||||||||||||||||||||||
|
200L |
|
318 |
305 |
133 |
224 |
|
110 |
16 |
49 |
10 |
19 |
350 |
|||||||||||||||||||||||
|
225S |
|
356 |
286 |
149 |
249 |
— |
|
— |
140 |
— |
18 |
— |
53 |
— |
11 |
19 |
400 |
||||||||||||||||||
|
225M |
|
356 |
311 |
149 |
249 |
|
|
110 |
140 |
16 |
18 |
49 |
53 |
10 |
11 |
19 |
400 |
||||||||||||||||||
|
250M |
|
406 |
349 |
168 |
273 |
|
|
140 |
140 |
18 |
18 |
53 |
58 |
11 |
11 |
24 |
500 |
||||||||||||||||||
|
280S |
|
457 |
368 |
190 |
306 |
|
|
140 |
140 |
18 |
20 |
58 |
67.5 |
11 |
12 |
24 |
500 |
||||||||||||||||||
|
280M |
|
457 |
419 |
190 |
306 |
|
|
140 |
140 |
18 |
20 |
58 |
67.5 |
11 |
12 |
24 |
500 |
||||||||||||||||||
|
315S |
|
508 |
406 |
216 |
405 |
|
|
140 |
170 |
18 |
22 |
58 |
71 |
11 |
14 |
28 |
600 |
||||||||||||||||||
|
315M |
|
508 |
457 |
216 |
405 |
|
|
140 |
170 |
18 |
22 |
58 |
71 |
11 |
14 |
28 |
600 |
||||||||||||||||||
|
315L |
|
508 |
508 |
216 |
354 443 |
|
|
140 |
170 |
18 |
22 |
58 |
71 |
11 |
14 |
28 |
600 |
||||||||||||||||||
|
机座号 |
安 装 尺 寸 |
外 形 尺 寸 |
|||||||||||||||||||||||||||||||||
|
N |
P |
R |
S |
T |
AA |
AB |
BB |
AC |
AD |
HA |
HD |
LA |
L |
LC |
Md |
||||||||||||||||||||
|
2极 |
4、6、8、10极 |
2极 |
4、6、8、10极 |
||||||||||||||||||||||||||||||||
|
80 |
|
200 |
0 |
4×f 12 |
3.5 |
37 |
165 |
135 |
165 |
150 |
13 |
170 |
12 |
285 |
— |
M24×1.5-6H |
|||||||||||||||||||
|
90S |
|
200 |
0 |
4×f 12 |
3.5 |
39 |
180 |
135 |
175 |
155 |
13 |
190 |
12 |
310 |
— |
M24×1.5-6H |
|||||||||||||||||||
|
90L |
|
200 |
0 |
4×f 12 |
3.5 |
39 |
180 |
160 |
175 |
155 |
13 |
190 |
12 |
335 |
— |
M24×1.5-6H |
|||||||||||||||||||
|
100L |
|
250 |
0 |
4×f 15 |
4 |
42 |
205 |
180 |
205 |
180 |
15 |
245 |
14 |
380 |
— |
M30×2-6H |
|||||||||||||||||||
|
112M |
|
250 |
0 |
4×f 15 |
4 |
52 |
245 |
185 |
230 |
190 |
18 |
265 |
14 |
400 |
463 |
M30×2-6H |
|||||||||||||||||||
|
132S |
|
300 |
0 |
4×f 15 |
4 |
63 |
280 |
205 |
270 |
210 |
20 |
315 |
14 |
470 |
557 |
M30×2-6H |
|||||||||||||||||||
|
132M |
|
300 |
0 |
4×f 15 |
4 |
63 |
280 |
243 |
270 |
210 |
20 |
315 |
14 |
508 |
595 |
M30×2-6H |
|||||||||||||||||||
|
160M |
|
350 |
0 |
4×f 19 |
5 |
73 |
330 |
275 |
325 |
255 |
22 |
385 |
16 |
600 |
722 |
M36×2-6H |
|||||||||||||||||||
|
160L |
|
350 |
0 |
4×f 19 |
5 |
73 |
330 |
320 |
325 |
255 |
22 |
385 |
16 |
645 |
766 |
M36×2-6H |
|||||||||||||||||||
|
180M |
|
350 |
0 |
4×f 19 |
5 |
73 |
355 |
315 |
360 |
285 |
24 |
430 |
18 |
670 |
785 |
M36×2-6H |
|||||||||||||||||||
|
180L |
|
350 |
0 |
4×f 19 |
5 |
73 |
355 |
353 |
360 |
285 |
24 |
430 |
18 |
710 |
823 |
M36×2-6H |
|||||||||||||||||||
|
200L |
300±0.016 |
400 |
0 |
4×f 19 |
5 |
73 |
395 |
380 |
400 |
310 |
27 |
475 |
18 |
770 |
882 |
M48×2-6H |
|||||||||||||||||||
|
225S |
350±0.018 |
450 |
0 |
8×f 19 |
5 |
83 |
435 |
375 |
450 |
345 |
30 |
530 |
20 |
— |
815 |
— |
964 |
M48×2-6H |
|||||||||||||||||
|
225M |
350±0.018 |
450 |
0 |
8×f 19 |
5 |
83 |
435 |
400 |
450 |
345 |
30 |
530 |
20 |
810 |
840 |
929 |
989 |
M48×2-6H |
|||||||||||||||||
|
250M |
450±0.020 |
550 |
0 |
8×f 19 |
5 |
88 |
490 |
460 |
495 |
385 |
32 |
575 |
22 |
925 |
1070 |
M64×2-6H |
|||||||||||||||||||
|
280S |
450±0.020 |
550 |
0 |
8×f 19 |
5 |
90 |
550 |
525 |
555 |
410 |
38 |
640 |
22 |
1000 |
1144 |
M64×2-6H |
|||||||||||||||||||
|
280M |
450±0.020 |
550 |
0 |
8×f 19 |
5 |
90 |
550 |
576 |
555 |
410 |
38 |
640 |
22 |
1050 |
1195 |
M64×2-6H |
|||||||||||||||||||
|
315S |
550±0.022 |
660 |
0 |
8×f 24 |
6 |
125 |
640 |
615 |
645 |
550 |
48 |
770 |
22 |
1155 |
1185 |
1307 |
1367 |
2×M64×2-6H |
|||||||||||||||||
|
315M |
550±0.022 |
660 |
0 |
8×f 24 |
6 |
125 |
640 |
665 |
645 |
550 |
48 |
770 |
22 |
1210 |
1240 |
1358 |
1418 |
2×M64×2-6H |
|||||||||||||||||
|
315L |
550±0.022 |
660 |
0 |
8×f 24 |
6 |
125 |
640 |
745 |
645 |
550 |
48 |
770 |
22 |
1210 1295 |
1240 1325 |
1358 1445 |
1418 1505 |
2×M64×2-6H |
|||||||||||||||||
|
注:1.Md为接线盒进线口螺纹直径。 2.安装尺寸符合标准JB/T 9616,外形尺寸各厂家可能稍有不同。 3.P为最大极限值;R为凸缘配合面至轴伸肩的距离。 |
|||||||||||||||||||||||||||||||||||

