|
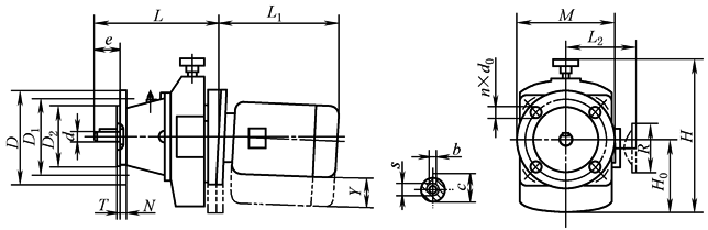
ZH基本型无级变速器(立式)外形及安装尺寸 |
||||||||||||||||||||
|
mm |
||||||||||||||||||||
|
机座 号 |
安 装 尺 寸 |
输出轴尺寸 |
外 形 尺 寸 |
|||||||||||||||||
|
D1 |
D2 |
T |
n |
d0 |
Y |
d |
b |
c |
s |
e |
D |
L |
M |
H0 |
H |
N |
R |
L2 |
L1 |
|
|
07 |
165 |
130h7 |
3.5 |
4 |
12 |
46 |
19h6 |
6 |
21.5 |
M6 |
40 |
200 |
223 |
190 |
112 |
268 |
12 |
140 |
150 |
尺寸按 所配 电机 |
|
15 |
165 |
130h7 |
3.5 |
4 |
12 |
62 |
24h6 |
8 |
27 |
M8 |
50 |
200 |
264 |
200 |
145 |
333 |
12 |
140 |
174 |
|
|
注:生产厂:宁波市镇海减变速机制造有限公司。 |
||||||||||||||||||||

