|
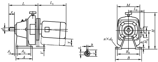
ZH基本型无级变速器(卧式)外形及安装尺寸 |
||||||||||||||||||||||
|
mm |
||||||||||||||||||||||
|
机座 号 |
中心高 |
安 装 尺 寸 |
输出轴尺寸 |
外 形 尺 寸 |
||||||||||||||||||
|
H0 |
A0 |
B0 |
A1 |
n |
d0 |
Y |
V |
d |
b |
c |
s |
e |
A |
B |
h |
L |
M |
H |
R |
L2 |
L1 |
|
|
07 |
150 |
100 |
160 |
23 |
4 |
12 |
46 |
9 |
19h6 |
6 |
21.5 |
M6 |
40 |
130 |
190 |
15 |
223 |
190 |
306 |
140 |
150 |
尺寸按 所配 电机 |
|
15 |
175 |
120 |
200 |
18 |
4 |
12 |
62 |
19 |
24h6 |
8 |
27 |
M8 |
50 |
150 |
230 |
15 |
264 |
200 |
363 |
140 |
174 |
|
|
注:生产厂:宁波市镇海减变速机制造有限公司。 |
||||||||||||||||||||||

