|
机械无级变速器分类、特性和用途举例 |
|||
|
名 称 |
简 图 |
机械特征 |
主要传动特性、应用示例 |
|
Ⅰ.固定轴刚性无级变速器 A.无中间滚动体的 |
|||
|
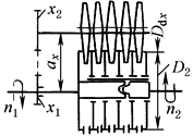
1.滚轮平盘式 |
|
轮主动,恒功率。盘2主动恒转矩 |
is=0.5~2;Rbs=4(单滚)、15(双滚);P1≤4kW;η=0.8~0.85 相交轴,升、降速型,可逆转;用于机床、计算机构、测速机构 |
|
2.锥盘环盘式(Prym-SH) |
|
|
is=0.25~1.25;Rbs≤5;P1≤11kW;η=0.5~0.92 平行轴或相交轴,降速型,可在停车时调速;用于食品机械、机床、变速电机等 |
|
|
|
is=0.125~1.25;Rb≤10;P1≤15kW;η=0.85~0.95 同轴或平行轴,降速型;船用辅机 |
|
|
3.多盘式(Beier) |
|
|
is=0.2~0.8(单级)、0.076~0.76(双级);Rb=3~6(单级)、10~12(双级);P1=0.5~150kW;η=0.75~0.87;ε=2%~5%(单级)、4%~9%(双级) 同轴,降速型;用于化纤、纺织、造纸、橡塑、电缆、搅拌机械、旋转泵等 |
|
4.光轴斜环式(Uhing) |
|
|
υ2=0.0183~1.16m/min;n1=100~1000r/min;F=50~1800N 直线移动,可正、反转,可停车时调速;用于电缆机械、举重器等 |
|
B.有中间滚动体的 a.改变输入、输出轮工作直径调速的 |
|||
|
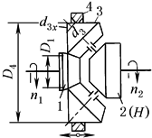
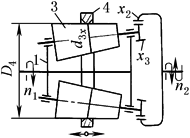
5.滚锥平盘式(FU) |
|
|
四滚锥: is=0.17~1.46;Rbs≤8.5;P1=26.5(Rb≈8.5)~104(Rb≈2)kW;η=0.87~0.93 单滚锥:Rb<10;P1≤3kW;η=0.77~0.92 同轴或平行轴,升、降速型;用于试验设备、机床主传动、运输、印染及化工机械 |
|
6.钢球平盘式(PIV-KS) |
|
|
is=0.05~1.5;Rbs≤25;P1=0.12~3kW;η≤0.85 平行轴,升降速型;用于计算机、办公及医疗设备、小型机床 两平盘可做成接触面内凹的锥盘,中间只用一颗钢球,制成Rb≤9可传递数十瓦的小型变速器 |
|
7.长锥钢环式 |
|
|
is=0.5~2;Rbs≤4;P1≤3.7kW;η≤0.85 平行轴,升降速型;用于机床、纺织机械等,有自紧作用,不需加压装置 |
|
8.钢环分离锥式(RC) |
|
|
is= 平行轴,对称调速型,钢环自紧加压;用于机床、纺织机械等 |
|
9.杯轮环盘式(RF单级)(Hayes双级) |
|
|
is=0.1~3.5;Rbs=4~12;P1=0.5~30kW;η=0.8~0.95 同轴线,升降速型;用于航空工业、汽车 |
|
10.弧锥环盘式(Toroidal) |
|
is=0.22~2.2;Rbs=6~10;P1=0.1~40kW;η=0.9~0.92 同轴或相交轴,升、降速型;用于机床、拉丝机、汽车等 |
|
|
b.改变中间轮工作直径调速的 |
|||
|
11.钢球外锥轮式(Kopp-B) |
|
|
is= 同轴,升、降速型,对称调速;用于纺织、电影机械、机床等 |
|
12.钢球内锥轮式(Free Ball) |
|
|
is=0.1~2;Rbs=10~12(20);P1=0.2~5kW;η=0.85~0.90 同轴,升、降速型,可逆转;用于机床、电工机械、钟表机械、转速表等 |
|
13.菱锥式(Kopp-K) |
|
|
is= 同轴,升、降速型;用于化工、印染、工程机械、机床主传动、试验台等 |
|
Ⅱ.行星无级变速器 |
|||
|
14.内锥输出行星锥式(B1US) |
|
|
is=- 同轴,降速型,可在停车时调速;用于机床进给系统 |
|
15.外锥输出行星锥式(RX) |
|
|
is=-0.57~0;Rbs=33(∞);P1=0.2~7.5kW;η=0.6~0.8 同轴,降速型;广泛用于食品、化工、机床、印刷、包装、造纸、建筑机械等,低速时效率低于60% |
|
16.转臂输出行星锥式(SC) |
|
|
is= 同轴,降速型;用于机床、变速电机等 |
|
17.转臂输出行星锥盘式(Disco) |
|
|
is=0.12~0.72;Rbs≤6;P1=0.25~22kW;η=0.75~0.84 同轴,降速型;用于陶瓷、制烟等机械,变速电机 |
|
18.行星长锥式(Graham) |
|
|
is=- 同轴,降速型;可逆转,有零输出转速但特性不佳,可在停车时调速;用于变速电机等 |
|
19.行星弧锥式(NS) |
|
|
is=-0.85~0~0.25;Rbs=∞;P1≤5kW;η=0.75 同轴,降速型,可逆转,有零输出转速但特性不佳,可在停车时调速;用于化工、塑料机械、试验设备等 |
|
20.封闭行星锥式(OM) |
|
|
is=- 同轴,降速型;可逆转,有零输出转速但特性不佳;用于机床、变速电机等 |
|
Ⅲ.带式无级变速器 |
|||
|
21.单变速带轮式 |
|
|
is=0.50~1.25;Rbs=2.5;P1≤25kW;η≤0.92 平行轴,降速型,中心距可变;用于食品工业等 |
|
22.长锥移带式 |
|
基本为恒功率 |
平行轴,升降速型,尺寸大,锥体母线应为曲线;用于纺织机械、混凝土制管机等 |
|
23.普通V带、宽V带、块带式 |
|
视加压弹簧位置而异,在主动轮上时为近似恒功率,在从动轴上为近似恒转矩 |
is=0.25~4(宽V带、块带) Rbs=3~6(宽V带);P1≤55kW Rbs=2~10(16)(块带式);P1≤44kW Rbs=1.6~2.5(普通V带);P1≤40kW η=0.8~0.9 平行轴,对称调速,尺寸大;用于机床、印刷、电工、橡胶、农机、纺织、轻工机械等 |
|
Ⅳ.链式无级变速器 |
|||
|
24.齿链式(PIV-A)(PIV-AS) (FMB) |
|
|
is=0.4~2.5;Rbs=3~6;η=0.9~0.95 P1=0.75~22kW(A型,压靴加压) P1=0.75~7.5kW(AS型,剪式杠杆加压) 平行轴,对称调速;用于纺织、化工、重型机械、机床等 |
|
25.光面轮链式(RH)(RK)(RS)V形推块金属带式 |
is=0.38~2.4;Rbs=2.7~10;η≤0.93 摆销链RH:P1=5.5~175kW,Rbs=2~6 RK:P2=3.7~16kW,Rbs=3、6、10 滚柱链RS:P2=3.5~17kW(恒功率用) P2=1.9~19kW(恒转矩用) 套环链RS:P2=20~50kW(恒功率用) P2=11~64kW(恒转矩用) 金属带:P2=55~110kW 平行轴,升降速型,可停车调速;用于重型机器、机床等 |
||
|
Ⅴ.脉动无级变速器 |
|||
|
26.四相摇杆脉动变速器(Zero-Max) |
|
基本为恒转矩 |
P1=0.09~1.1kW;T2=1.34~23N·m is=0~0.25 平行轴,降速型;用于纺织、印刷、食品、农业机械等 |
|
27.三相摇块脉动变速器(Gusa) |
|
低速时恒转矩 高速时恒功率 |
P1=0.12~18kW;η=0.6~0.85;is=0~0.23 平行轴,降速型;用于塑料、食品、无线电装配运输带等 |
|
注:1.传动比i21= 2.变速比Rb= 3.除注明者外,均不可在停车时调速。 4.n—转速,下脚标为构件代号;g—滚动体;a和D、d—中心距和直径,有下脚标x者为可变尺寸;η—效率;ε—滑动率;T—转矩;P—功率。 |
|||
















































