|
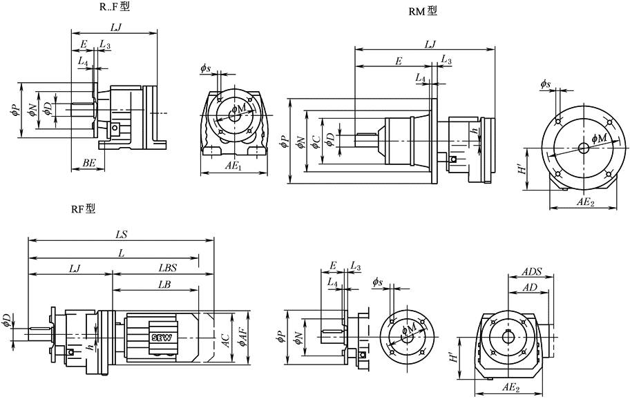
R、R..F、RF及RM型外形、安装尺寸 |
||||||||||||||||||||||||
|
mm |
||||||||||||||||||||||||
|
型号 |
安 装 尺 寸 |
外 形 尺 寸 |
||||||||||||||||||||||
|
D |
E |
11 |
12 |
F |
G |
H |
h |
HA |
A |
AA |
AB |
K |
B |
BB |
A'A' |
BE |
1J |
AE1 |
AE2 |
HD |
H' |
C |
AF |
|
|
R/R..F/RF17 |
20k6 |
40 |
32 |
4 |
6 |
22.5 |
|
— |
12 |
110 |
25 |
140 |
9 |
110 |
131 |
28 |
58 |
207 215 215 |
140 |
130 |
134 |
76 |
— |
— |
|
R/R..F/RF27 |
25k6 |
50 |
40 |
3.5 |
8 |
28 |
|
3.4 |
18 |
110 |
32 |
145 |
9 |
130 |
152 |
27 |
75 |
193 199 199 |
151 |
142 |
147 |
92 |
— |
120 |
|
R/R..F/RF37 |
25k6 |
50 |
40 |
3.5 |
8 |
28 |
|
10.1 |
18 |
110 |
35 |
145 |
9 |
130 |
160 |
40 |
75 |
201 207 207 |
145 |
161 |
151 |
94 |
— |
120 |
|
R/R..F/RF47 |
30k6 |
60 |
50 |
3.5 |
8 |
33 |
|
14 |
24 |
135 |
42 |
170 |
13.5 |
165 |
195 |
50 |
90 |
235 |
170 |
178 |
187 |
118 |
— |
160 |
|
|
35k6 |
70 |
56 |
7 |
10 |
38 |
|
11.2 |
24 |
135 |
55 |
190 |
13.5 |
165 |
200 |
60 |
100 |
257 |
190 |
202 |
187 |
121 |
135 |
160 |
|
60 |
5 |
420 |
||||||||||||||||||||||
|
|
35k6 |
70 |
56 |
7 |
10 |
38 |
|
20.7 |
30 |
150 |
60 |
210 |
14 |
195 |
235 |
60 |
100 |
280 |
210 |
215 |
212 |
134 |
144 |
160 |
|
40k6 |
80 |
70 |
5 |
12 |
43 |
459 |
||||||||||||||||||
|
|
40k6 |
80 |
70 |
5 |
12 |
43 |
|
15.9 |
30 |
170 |
60 |
230 |
17.5 |
205 |
245 |
60 |
115 |
300 |
230 |
235 |
228 |
144 |
170 |
200 |
|
50k6 |
100 |
80 |
10 |
14 |
53.5 |
527 |
||||||||||||||||||
|
|
50k6 |
100 |
80 |
10 |
14 |
53.5 |
|
12.6 |
45 |
215 |
75 |
290 |
17.5 |
260 |
310 |
90 |
140 |
372 |
290 |
297 |
295 |
184 |
186 |
250 |
|
60m6 |
120 |
110 |
5 |
18 |
64 |
639 |
||||||||||||||||||
|
|
60m6 |
120 |
110 |
5 |
18 |
64 |
|
10.2 |
55 |
250 |
90 |
340 |
22 |
310 |
365 |
100 |
160 |
440 |
340 |
348 |
368 |
230 |
214 |
300 |
|
70m6 |
140 |
125 |
7.5 |
20 |
74.5 |
745 |
||||||||||||||||||
|
|
70m6 |
140 |
125 |
7.5 |
20 |
74.5 |
|
20.4 |
65 |
290 |
110 |
400 |
26 |
370 |
440 |
125 |
185 |
495 |
400 |
409 |
408 |
255 |
232 |
350 |
|
80m6 |
170 |
125 |
20 |
22 |
85 |
864 |
||||||||||||||||||
|
|
90m6 |
170 |
160 |
5 |
25 |
95 |
|
25.1 |
70 |
340 |
110 |
450 |
33 |
410 |
490 |
130 |
220 |
589 |
450 |
458 |
495 |
320 |
253 |
400 |
|
100m6 |
210 |
180 |
15 |
28 |
106 |
1024 |
||||||||||||||||||
|
R/RF/RM147 |
110m6 |
210 |
180 |
15 |
28 |
116 |
|
33.4 |
80 |
380 |
150 |
530 |
39 |
500 |
590 |
150 |
260 |
695 |
530 |
540 |
565 |
361 |
274 |
450 |
|
1154 |
||||||||||||||||||||||||
|
|
120m6 |
210 |
200 |
5 |
32 |
127 |
|
59.5 |
100 |
500 |
160 |
660 |
39 |
580 |
670 |
160 |
270 |
790 |
660 |
670 |
675 |
430 |
290 |
550 |
|
125m6 |
134 |
1313 |
||||||||||||||||||||||
|
外形尺寸(电机关联部分) |
||||||||||||||||||||||||||||||||||||||||||||||||||
|
项目 |
R17 RF17 |
DR63.. |
DT71D |
DT80.. |
|
DR63.. |
DT71D |
DT80.. |
DT90.. |
DV100M |
DV100L |
|||||||||||||||||||||||||||||||||||||||
|
AC |
132 |
145 |
145 |
132 |
145 |
145 |
197 |
197 |
197 |
|||||||||||||||||||||||||||||||||||||||||
|
AD |
105 |
122 |
122 |
105 |
122 |
122 |
154 |
166 |
166 |
|||||||||||||||||||||||||||||||||||||||||
|
ADS |
105 |
127 |
127 |
105 |
127 |
127 |
161 |
166 |
166 |
|||||||||||||||||||||||||||||||||||||||||
|
L |
356 |
371 |
421 |
384/392 |
399/407 |
449/457 |
469/477 |
521/529 |
551/559 |
|||||||||||||||||||||||||||||||||||||||||
|
LS |
411 |
434 |
484 |
439/447 |
462/470 |
512/520 |
554/562 |
606/614 |
636/644 |
|||||||||||||||||||||||||||||||||||||||||
|
LB |
149 |
164 |
214 |
191 |
206 |
256 |
276 |
328 |
358 |
|||||||||||||||||||||||||||||||||||||||||
|
LBS |
204 |
227 |
277 |
246 |
269 |
319 |
361 |
413 |
443 |
|||||||||||||||||||||||||||||||||||||||||
|
项目 |
|
DR63.. |
DT71D |
DT80.. |
DT90.. |
DV100M |
DV100L |
DV112M |
DV132S |
DV132M |
||||||||||||||||||||||||||||||||||||||||
|
AC |
132 |
145 |
145 |
197 |
197 |
197 |
221 |
221 |
275 |
|||||||||||||||||||||||||||||||||||||||||
|
AD |
105 |
122 |
122 |
154 |
166 |
166 |
179 |
179 |
230 |
|||||||||||||||||||||||||||||||||||||||||
|
ADS |
105 |
127 |
127 |
161 |
166 |
166 |
182 |
182 |
230 |
|||||||||||||||||||||||||||||||||||||||||
|
L |
420/442 |
434/456 |
484/506 |
504/526 |
554/576 |
584/606 |
589/611 |
637/659 |
一/681 |
|||||||||||||||||||||||||||||||||||||||||
|
LS |
475/497 |
498/520 |
548/570 |
589/611 |
639/661 |
669/691 |
669/691 |
717/739 |
--/793 |
|||||||||||||||||||||||||||||||||||||||||
|
LB |
185 |
199 |
249 |
269 |
319 |
349 |
354 |
402 |
424 |
|||||||||||||||||||||||||||||||||||||||||
|
LBS |
240 |
263 |
313 |
354 |
404 |
434 |
434 |
482 |
536 |
|||||||||||||||||||||||||||||||||||||||||
|
项目 |
|
DR63.. |
DT71D |
DT80.. |
DT90.. |
DV100M |
DV100L |
DV112M |
DV132S |
DV132M |
DV132ML |
DV160M |
||||||||||||||||||||||||||||||||||||||
|
AC |
132 |
145 |
145 |
197 |
197 |
197 |
221 |
221 |
275 |
275 |
275 |
|||||||||||||||||||||||||||||||||||||||
|
AD |
105 |
122 |
122 |
154 |
166 |
166 |
179 |
179 |
230 |
230 |
230 |
|||||||||||||||||||||||||||||||||||||||
|
ADS |
105 |
127 |
127 |
161 |
166 |
166 |
182 |
182 |
230 |
230 |
230 |
|||||||||||||||||||||||||||||||||||||||
|
L |
465/479 |
479/493 |
529/543 |
549/561 |
599/611 |
629/641 |
634/645 |
682/690 |
704/712 |
—/772 |
—/772 |
|||||||||||||||||||||||||||||||||||||||
|
LS |
534 |
557 |
607 |
646 |
696 |
726 |
725 |
770 |
824 |
884 |
884 |
|||||||||||||||||||||||||||||||||||||||
|
LB |
179 |
193 |
243 |
261 |
311 |
341 |
345 |
390 |
412 |
472 |
472 |
|||||||||||||||||||||||||||||||||||||||
|
LBS |
234 |
257 |
307 |
346 |
396 |
426 |
425 |
470 |
524 |
584 |
584 |
|||||||||||||||||||||||||||||||||||||||
|
项目 |
|
DT80.. |
DT90.. |
DV100M |
DV100L |
DV112M |
DV132S |
DV132M |
DV132ML |
DV160M |
DV160L |
DV180.. |
DV200.. |
|||||||||||||||||||||||||||||||||||||
|
AC |
145 |
197 |
197 |
197 |
221 |
221 |
275 |
275 |
275 |
331 |
331 |
394 |
||||||||||||||||||||||||||||||||||||||
|
AD |
122 |
154 |
166 |
166 |
179 |
179 |
230 |
230 |
230 |
258 |
258 |
285 |
||||||||||||||||||||||||||||||||||||||
|
ADS |
127 |
161 |
166 |
166 |
182 |
182 |
230 |
230 |
230 |
258 |
258 |
285 |
||||||||||||||||||||||||||||||||||||||
|
L |
610/ 671 |
629/ 691 |
679/ 741 |
709/ 771 |
712/ 775 |
757/ 820 |
779/ 842 |
839/ 902 |
839/ 902 |
886/ 949 |
958/ 1021 |
一/ 1069 |
||||||||||||||||||||||||||||||||||||||
|
LS |
674/ 735 |
714/ 776 |
764/ 826 |
794/ 856 |
792/ 855 |
837/ 900 |
891/ 954 |
951/ 1014 |
951/ 1014 |
1042/ 1105 |
1114/ 1177 |
一/ 1225 |
||||||||||||||||||||||||||||||||||||||
|
LB |
231 |
251 |
301 |
331 |
335 |
380 |
402 |
462 |
462 |
509 |
581 |
629 |
||||||||||||||||||||||||||||||||||||||
|
LBS |
295 |
336 |
386 |
416 |
415 |
460 |
514 |
574 |
574 |
665 |
737 |
785 |
||||||||||||||||||||||||||||||||||||||
|
项目 |
|
DVI00M |
DVI001 |
DV112M |
DV132S |
DV132M |
DV132M1 |
DV160M |
DV1601 |
DV180.. |
DV200.. |
DV225.. |
DV250M |
|||||||||||||||||||||||||||||||||||||
|
AC |
197/ 一 |
197/ 一 |
221/ 一 |
221 |
275 |
275 |
275 |
331 |
331 |
394 |
394 |
一/ 510 |
||||||||||||||||||||||||||||||||||||||
|
AD |
166/ 一 |
166/ 一 |
179/ 一 |
179 |
230 |
230 |
230 |
258 |
258 |
285 |
289 |
一/ 397 |
||||||||||||||||||||||||||||||||||||||
|
ADS |
166/ 一 |
166/ 一 |
182/ 一 |
182 |
230 |
230 |
230 |
258 |
258 |
285 |
289 |
一/ 397 |
||||||||||||||||||||||||||||||||||||||
|
L |
790/ 一 |
820/ 一 |
824/ 一 |
869/ 956 |
891/ 978 |
951/ 1038 |
951/ 1038 |
998/ 1085 |
1070/ 1157 |
1118/ 1205 |
1200/ 1287 |
一/ 1378 |
||||||||||||||||||||||||||||||||||||||
|
LS |
875/ 一 |
905/ 一 |
904/ 一 |
949/ 1036 |
1003/ 1090 |
1063/ 1150 |
1063/ 1150 |
1154/ 1241 |
1226/ 1313 |
1274/ 1361 |
1356/ 1443 |
一/ 1563 |
||||||||||||||||||||||||||||||||||||||
|
LB |
295/ 一 |
325/ 一 |
329/ 一 |
367 |
389 |
449 |
449 |
496 |
568 |
616 |
698 |
—/ 789 |
||||||||||||||||||||||||||||||||||||||
|
LBS |
380/ 一 |
410/ 一 |
409/ 一 |
447 |
501 |
561 |
561 |
652 |
724 |
772 |
854 |
—/ 974 |
||||||||||||||||||||||||||||||||||||||
|
项目 |
|
DV132ML |
DV160M |
DV160L |
DV180.. |
DV200.. |
DV225.. |
DV250M |
DV280S |
D280M |
D315S |
D315M |
||||||||||||||||||||||||||||||||||||||
|
AC |
275/ 一 |
275 |
331 |
331 |
394 |
394 |
510 |
510 |
537 |
一/ 612 |
一/ 612 |
|||||||||||||||||||||||||||||||||||||||
|
AD |
230/ 一 |
230 |
258 |
258 |
285 |
289 |
397 |
397 |
382 |
—/430 |
—/ 430 |
|||||||||||||||||||||||||||||||||||||||
|
ADS |
230/ 一 |
230 |
258 |
258 |
285 |
289 |
397 |
397 |
382 |
—/ 430 |
—/ 430 |
|||||||||||||||||||||||||||||||||||||||
|
L |
1136/ 一 |
1136/ 1223 |
1183/ 1270 |
1255/ 1342 |
1303/ 1390 |
1385/ 1472 |
1475/ 1561 |
1475/ 1561 |
1601/ 1714 |
一/ 1765 |
一/ 1816 |
|||||||||||||||||||||||||||||||||||||||
|
LS |
1248/ 一 |
1248/ 1335 |
1339/ 1426 |
1411/ 1498 |
1459/ 1546 |
1541/ 1628 |
1660/ 1746 |
1660/ 1746 |
1812/ 1925 |
一/ 1993 |
一/ 2044 |
|||||||||||||||||||||||||||||||||||||||
|
LB |
441/ 一 |
433 |
480 |
552 |
600 |
682 |
771 |
771 |
924 |
—/ 975 |
一/ 1026 |
|||||||||||||||||||||||||||||||||||||||
|
LBS |
553/ 一 |
545 |
636 |
708 |
756 |
838 |
956 |
956 |
1135 |
一/ 1203 |
一/ 1254 |
|||||||||||||||||||||||||||||||||||||||
|
相配法兰规格 |
|||||||||||||||
|
|
R17F |
RF17 |
R27F |
RF27 |
R37F |
RF37 |
R47F |
RF47 |
R57F |
RF57 |
RM57 |
R67F |
RF67 |
RM67 |
R77F |
|
P |
f 120
|
f 120 f 140 f 160 |
f 120
|
f 120 f 140 f 160 |
f 120
|
f 120 f 160 f 200 |
f 140
|
f 140 f 160 f 200 |
f 160
|
f 160 f 200 f 250 |
f 250
|
f 200
|
f 200 f 250
|
f 300
|
f 250
|
|
|
RF77 |
RM77 |
R87F |
RF87 |
RM87 |
RF97 |
RM97 |
RF107 |
RM107 |
RF137 |
RM137 |
RF147 |
RM147 |
RF167 |
RM167 |
|
P |
f 250 f 300 |
f 350
|
f 300
|
f 300 f 350 |
f 350
|
f 350 f 450 |
f 450
|
f 350 f 450 |
f 550
|
f 450 f 550 |
f 550
|
f 450 f 550 |
f 660
|
f 550 f 660 |
f 660
|
|
法 兰 尺 寸 |
||||||||||
|
P |
f 120 |
f 140 |
f 160 |
f 200 |
f 250 |
f 300 |
f 350 |
f 450 |
f 550 |
f 660 |
|
N |
80j6 |
95j6 |
110j6 |
130j6 |
180j6 |
230j6 |
250h6 |
350h6 |
450h6 |
550h6 |
|
L3 |
8 |
9 |
10 |
12 |
15 |
18.5(16) |
18 |
22 |
25 |
28 |
|
L4 |
3 |
3 |
3.5 |
3.5 |
4 |
4 |
5 |
5 |
5 |
6 |
|
n×S |
4×f 6.5(6.6) |
4×f 8.5 |
4×f 8.5(9) |
4×f 11 |
4×f 13.5 |
4×f 13.5 |
4×f 17.5 |
8×f 17.5 |
8×f 17.5 |
8×f 22 |
|
M |
100 |
115 |
130 |
165 |
215 |
265 |
300 |
400 |
500 |
600 |
|
注:1.L3括号内为R87F及RF87数值;s 括号内为R37F及RF37数值。 2.正式选用时,请详细核对厂家样本数据。 |
||||||||||


