|
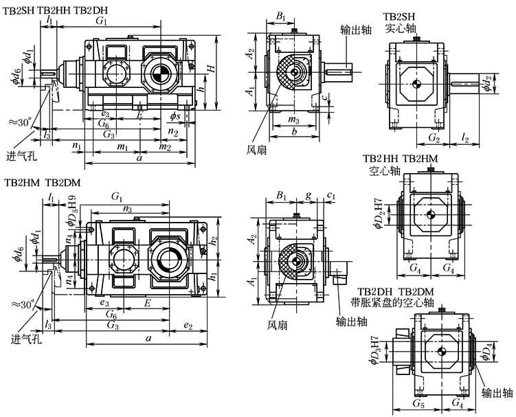
TB2.H,TB2.M的安装尺寸(规格13~18) |
|||||||||||||||||
|
mm |
|||||||||||||||||
|
规格 |
输 入 轴 |
||||||||||||||||
|
iN=5~11.2 |
iN=5.6~11.2 |
iN=5.6~12.5 |
iN=6.3~14 |
iN=7.1~12.5 |
G1 |
G3 |
|||||||||||
|
d①1 |
l1 |
l3 |
d①1 |
l1 |
l3 |
d①1 |
l1 |
l3 |
d①1 |
l1 |
l3 |
d①1 |
l1 |
l3 |
|||
|
13 |
110 |
205 |
165 |
|
|
|
|
|
|
|
|
|
|
|
|
1070 |
1110 |
|
14 |
|
|
|
|
|
|
|
|
|
110 |
205 |
165 |
|
|
|
1140 |
1180 |
|
15 |
130 |
245 |
200 |
|
|
|
|
|
|
|
|
|
|
|
|
1277 |
1322 |
|
16 |
|
|
|
|
|
|
130 |
245 |
200 |
|
|
|
|
|
|
1323 |
1368 |
|
17 |
|
|
|
150 |
245 |
200 |
|
|
|
|
|
|
|
|
|
1435 |
1480 |
|
18 |
|
|
|
|
|
|
|
|
|
|
|
|
150 |
245 |
200 |
1495 |
1540 |
|
规格 |
减 速 器 |
||||||||||||
|
a |
A1 |
A2 |
b |
B1 |
c |
c1 |
d6 |
D5 |
e2 |
e3 |
E |
g |
|
|
13 |
1130 |
430 |
450 |
655 |
375 |
60 |
61 |
245 |
48 |
405 |
380 |
370 |
264 |
|
14 |
1270 |
430 |
450 |
655 |
375 |
60 |
61 |
245 |
48 |
475 |
380 |
440 |
264 |
|
15 |
1350 |
490 |
495 |
765 |
435 |
70 |
72 |
280 |
55 |
485 |
450 |
442 |
308 |
|
16 |
1440 |
490 |
495 |
765 |
435 |
70 |
72 |
280 |
55 |
530 |
450 |
488 |
308 |
|
17 |
1490 |
540 |
555 |
885 |
505 |
80 |
8l |
380 |
65 |
525 |
510 |
490 |
356 |
|
18 |
1610 |
540 |
555 |
885 |
505 |
80 |
81 |
380 |
65 |
585 |
510 |
550 |
356 |
|
规格 |
减 速 器 |
||||||||||||
|
G6 |
h |
h1 |
h2 |
H |
m1 |
m2 |
m3 |
n1 |
n2 |
n3 |
n4 |
s |
|
|
13 |
1130 |
440 |
450 |
495 |
935 |
465 |
465 |
580 |
100 |
305 |
675 |
340 |
35 |
|
14 |
1200 |
440 |
450 |
495 |
935 |
465 |
605 |
580 |
100 |
375 |
745 |
340 |
35 |
|
15 |
1340 |
500 |
490 |
535 |
1035 |
555 |
555 |
670 |
120 |
365 |
805 |
375 |
42 |
|
16 |
1385 |
500 |
490 |
535 |
1035 |
555 |
645 |
670 |
120 |
410 |
850 |
375 |
42 |
|
17 |
1500 |
550 |
555 |
595 |
1145 |
610 |
610 |
780 |
135 |
390 |
895 |
420 |
48 |
|
18 |
1560 |
550 |
555 |
595 |
1145 |
610 |
730 |
780 |
135 |
450 |
955 |
420 |
48 |
|
规格 |
输 出 轴 |
润滑油/L |
质量/kg |
||||||||||
|
TB2SH |
TB2HH TB2HM |
TB2DH TB2DM |
TB2.H |
TB2.M |
TB2.H |
TB2.M |
|||||||
|
d①2 |
G2 |
l2 |
D①2 |
G4 |
D3 |
D4 |
G4 |
G5 |
|||||
|
13 |
200 |
390 |
350 |
— |
— |
— |
— |
— |
— |
140 |
120 |
2450 |
2350 |
|
14 |
210 |
390 |
350 |
210 |
390 |
210 |
215 |
390 |
535 |
155 |
130 |
2825 |
2725 |
|
15 |
230 |
460 |
410 |
— |
— |
— |
— |
— |
— |
220 |
180 |
3990 |
3795 |
|
16 |
240 |
460 |
410 |
240 |
450 |
240 |
245 |
450 |
620 |
230 |
190 |
4345 |
4160 |
|
17 |
250 |
540 |
410 |
— |
— |
— |
— |
— |
— |
320 |
260 |
5620 |
5320 |
|
18 |
270 |
540 |
470 |
275 |
510 |
280 |
285 |
510 |
700 |
335 |
275 |
6150 |
5860 |
|
① d1和d2的公差:d1(和d2)≤f 24mm为k6,f 28mm≤d1(和d2)≤f 100mm为m6,d1(和d2)>f 100mm为n6。 ② 输出轴D2键槽按GB/T1095—2003。 |
|||||||||||||

