|
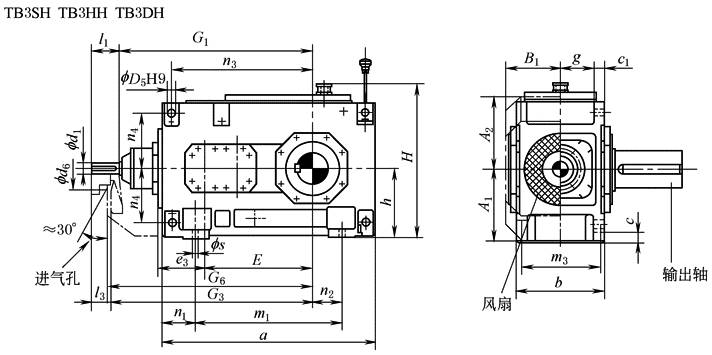
TB3.H的安装尺寸(规格3~22) |
|||||||||||||||||
|
mm |
|||||||||||||||||
|
规格 |
输 入 轴 |
||||||||||||||||
|
iN=12.5~45 |
iN=16~56 |
iN=20~45 |
iN=50~71 |
iN=6.3~90 |
G1 |
G3 |
|||||||||||
|
d①1 |
l1 |
l3 |
d①1 |
l1 |
l3 |
d①1 |
l1 |
l3 |
d①1 |
l1 |
l3 |
d①1 |
l1 |
l3 |
|||
|
3 |
|
|
|
|
|
|
28 |
55 |
40 |
20 |
50 |
35 |
|
|
|
430 |
445 |
|
4 |
30 |
70 |
50 |
|
|
|
|
|
|
25 |
60 |
40 |
|
|
|
500 |
520 |
|
5 |
35 |
80 |
60 |
|
|
|
|
|
|
28 |
60 |
40 |
|
|
|
575 |
595 |
|
6 |
|
|
|
35 |
80 |
60 |
|
|
|
|
|
|
28 |
60 |
40 |
610 |
630 |
|
7 |
45 |
100 |
80 |
|
|
|
|
|
|
35 |
80 |
60 |
|
|
|
690 |
710 |
|
8 |
|
|
|
45 |
100 |
80 |
|
|
|
|
|
|
35 |
80 |
60 |
735 |
755 |
|
9 |
55 |
110 |
80 |
|
|
|
|
|
|
40 |
100 |
70 |
|
|
|
800 |
830 |
|
10 |
|
|
|
55 |
110 |
80 |
|
|
|
|
|
|
40 |
100 |
70 |
850 |
880 |
|
11 |
70 |
135 |
105 |
|
|
|
|
|
|
50 |
110 |
80 |
|
|
|
960 |
990 |
|
12 |
|
|
|
70 |
135 |
105 |
|
|
|
|
|
|
50 |
110 |
80 |
1030 |
1060 |
|
规格 |
减 速 器 |
|||||||||||||||||||||||||||||
|
a |
A1 |
A2 |
b |
B1 |
c |
c1 |
d6 |
D5 |
e3 |
E |
g |
|||||||||||||||||||
|
3 |
450 |
170 |
170 |
190 |
128 |
22 |
24 |
90 |
18 |
90 |
220 |
71 |
||||||||||||||||||
|
4 |
565 |
195 |
200 |
215 |
143 |
28 |
30 |
110 |
24 |
110 |
270 |
77.5 |
||||||||||||||||||
|
5 |
640 |
220 |
235 |
255 |
168 |
28 |
30 |
130 |
24 |
130 |
315 |
97.5 |
||||||||||||||||||
|
6 |
720 |
220 |
235 |
255 |
168 |
28 |
30 |
130 |
24 |
130 |
350 |
97.5 |
||||||||||||||||||
|
7 |
785 |
275 |
275 |
300 |
193 |
35 |
36 |
165 |
28 |
160 |
385 |
114 |
||||||||||||||||||
|
8 |
890 |
275 |
275 |
300 |
193 |
35 |
36 |
165 |
28 |
160 |
430 |
114 |
||||||||||||||||||
|
9 |
925 |
315 |
325 |
370 |
231 |
40 |
45 |
175 |
36 |
185 |
450 |
140 |
||||||||||||||||||
|
10 |
1025 |
315 |
325 |
380 |
231 |
40 |
45 |
175 |
36 |
185 |
500 |
140 |
||||||||||||||||||
|
11 |
1105 |
370 |
385 |
430 |
263 |
50 |
54 |
190 |
40 |
225 |
545 |
161 |
||||||||||||||||||
|
12 |
1260 |
370 |
385 |
430 |
263 |
50 |
54 |
190 |
40 |
225 |
615 |
161 |
||||||||||||||||||
|
规格 |
减 速 器 |
|||||||||||||||||||||||||||||
|
G6 |
h |
H |
m1 |
m3 |
n1 |
n2 |
n3 |
n4 |
s |
|||||||||||||||||||||
|
3 |
455 |
175 |
390 |
290 |
160 |
80 |
65 |
285 |
132.5 |
15 |
||||||||||||||||||||
|
4 |
530 |
200 |
445 |
355 |
180 |
105 |
85 |
345 |
150 |
19 |
||||||||||||||||||||
|
5 |
605 |
230 |
512 |
430 |
220 |
105 |
100 |
405 |
180 |
19 |
||||||||||||||||||||
|
6 |
640 |
230 |
512 |
510 |
220 |
105 |
145 |
440 |
180 |
19 |
||||||||||||||||||||
|
7 |
720 |
280 |
602 |
545 |
260 |
120 |
130 |
500 |
215 |
24 |
||||||||||||||||||||
|
8 |
765 |
280 |
617 |
650 |
260 |
120 |
190 |
545 |
215 |
24 |
||||||||||||||||||||
|
9 |
845 |
320 |
697 |
635 |
320 |
145 |
155 |
585 |
245 |
28 |
||||||||||||||||||||
|
10 |
895 |
320 |
697 |
735 |
320 |
145 |
205 |
635 |
245 |
28 |
||||||||||||||||||||
|
11 |
1010 |
380 |
817 |
775 |
370 |
165 |
180 |
710 |
300 |
35 |
||||||||||||||||||||
|
12 |
1080 |
380 |
825 |
930 |
370 |
165 |
265 |
780 |
300 |
35 |
||||||||||||||||||||
|
规格 |
输 出 轴 |
|||||||||||||||||||||||||||||
|
TB3SH |
TB3HH |
TB3DH |
润滑油 /L |
质量 /kg |
||||||||||||||||||||||||||
|
d①2 |
G2 |
l2 |
D①2 |
G4 |
D3 |
D4 |
G4 |
G5 |
||||||||||||||||||||||
|
3 |
65 |
125 |
140 |
65 |
125 |
70 |
70 |
125 |
180 |
6 |
130 |
|||||||||||||||||||
|
4 |
80 |
140 |
170 |
80 |
140 |
85 |
85 |
140 |
205 |
9 |
210 |
|||||||||||||||||||
|
5 |
100 |
165 |
210 |
95 |
165 |
100 |
100 |
165 |
240 |
14 |
325 |
|||||||||||||||||||
|
6 |
110 |
165 |
210 |
105 |
165 |
110 |
110 |
165 |
240 |
15 |
380 |
|||||||||||||||||||
|
7 |
120 |
195 |
210 |
115 |
195 |
120 |
120 |
195 |
280 |
25 |
550 |
|||||||||||||||||||
|
8 |
130 |
195 |
250 |
125 |
195 |
130 |
130 |
195 |
285 |
28 |
635 |
|||||||||||||||||||
|
9 |
140 |
235 |
250 |
135 |
235 |
140 |
145 |
235 |
330 |
40 |
890 |
|||||||||||||||||||
|
10 |
160 |
235 |
300 |
150 |
235 |
150 |
155 |
235 |
350 |
42 |
1020 |
|||||||||||||||||||
|
11 |
170 |
270 |
300 |
165 |
270 |
165 |
170 |
270 |
400 |
66 |
1455 |
|||||||||||||||||||
|
12 |
180 |
270 |
300 |
180 |
270 |
180 |
185 |
270 |
405 |
72 |
1730 |
|||||||||||||||||||
|
① d1和d2的公差:d1(和d2)≤f 24mm为k6,f 28mm≤d1(和d2)≤f 100mm为m6,d1(和d2)>f 100mm为n6。 ② 输出轴D2键槽按GB/T1095—2003。 |
||||||||||||||||||||||||||||||


