|
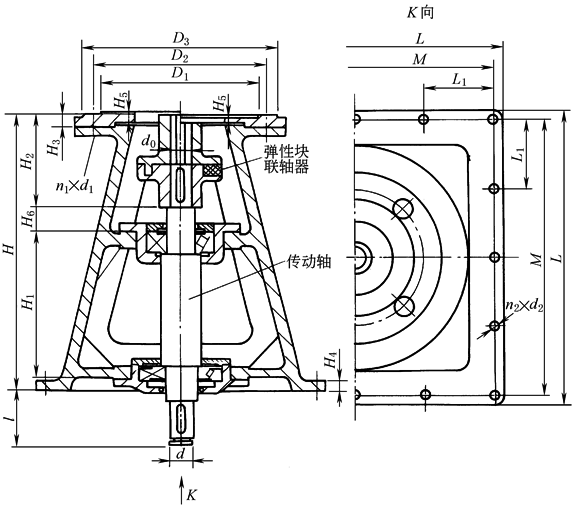
FZ型双支点方底板机架 |
||||||||||||||||||||||
|
标记示例:
mm |
||||||||||||||||||||||
|
型号 |
通用尺寸 |
输入端接口 |
输出端接口 |
Ⅰ型 |
Ⅱ型 |
|||||||||||||||||
|
H2 |
H3 |
H4 |
H5 |
H6 |
l |
D1 |
D2 |
D3 |
d0 |
n1×d1 |
L |
L1 |
M |
d |
n2×d2 |
H |
H1 |
质量 /kg |
H |
H1 |
质量 /kg |
|
|
FZ25A |
130 |
20 |
25 |
4 |
80 |
100 |
130 |
160 |
180 |
25 |
6×M8 |
400 |
170 |
340 |
30 |
8×f14 |
630 |
380 |
167 |
800 |
550 |
198 |
|
|
5 4 |
140 200 |
160 230 |
190 260 |
30 |
4×M10 6×M12 |
35 |
|||||||||||||||
|
FZ35A |
155 |
5 |
55 |
170 |
200 |
230 |
35 |
6×M10 |
40 |
|||||||||||||
|
FZ40B |
4 |
230 |
260 |
290 |
40 |
6×M12 |
45 |
|||||||||||||||
|
FZ45A |
220 |
20 |
30 |
5 |
Ⅰ 型 60 Ⅱ 型 45 |
130 |
200 |
230 |
260 |
45 |
6×M10 |
585 |
175 |
525 |
50 |
12×f18 |
765 |
440 |
383 |
900 |
590 |
460 |
|
FZ50B |
5 |
270 |
305 |
340 |
50 |
8×M16 |
55 |
|||||||||||||||
|
|
6 5 |
270 |
310 305 |
340 |
55 |
6×M10 8×M16 |
60 |
|||||||||||||||
|
FZ65A |
280 |
25 |
30 |
6 |
50 |
200 |
316 |
360 |
400 |
65 |
8×M12 |
800 |
240 |
720 |
70 |
12×f22 |
900 |
520 |
547 |
1100 |
720 |
656 |
|
|
6 5 |
316 320 |
360 |
400 |
70 |
8×M12 8×M16 |
75 |
|||||||||||||||
|
|
330 |
30 |
40 |
6 5 |
95 |
250 |
345 360 |
390 410 |
430 460 |
80 |
8×M16 8×M20 |
1060 |
250 |
1000 |
85 |
16×f22 |
1045 |
600 |
980 |
1360 |
900 |
1100 |
|
FZ90A |
365 |
7 |
55 |
400 |
450 |
490 |
90 |
12×M16 |
95 |
|||||||||||||
|
FZ95A |
385 |
9 |
35 |
455 |
520 |
580 |
95 |
12×M20 |
100 |
|||||||||||||
|
|
9 5 |
455 470 |
520 |
580 |
100 |
110 |
||||||||||||||||
|
FZ110A |
450 |
40 |
45 |
11 |
45 |
300 |
520 |
590 |
650 |
110 |
12×M20 |
1260 |
300 |
1200 |
120 |
16×f22 |
1200 |
668 |
1600 |
1600 |
1068 |
1450 |
|
|
11 9 |
680 |
800 |
880 |
130 |
12×M30 |
140 |
|||||||||||||||
|
FZ140 |
11 9 |
680 |
800 |
880 |
140 |
12×M30 |
150 |
|||||||||||||||
|
FZ150 |
540 |
45 |
50 |
14 10 |
120 |
370 |
根据所选减速器而定 |
1470 |
350 |
1400 |
160 |
20×f27 |
1400 |
700 |
2200 |
1800 |
1100 |
1495 |
||||
|
FZ160 |
14 10 |
180 |
||||||||||||||||||||
|
FZ180 |
565 |
50 |
60 |
14 10 |
190 |
370 |
1670 |
400 |
1600 |
200 |
20×f33 |
1700 |
880 |
2800 |
2000 |
1180 |
1720 |
|||||
|
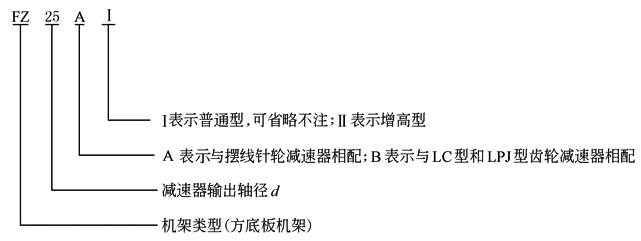
注:1.FZ型机架适用于常压、敞开式搅拌槽上支承减速器。机架包括传动轴和弹性块联轴器。减速器输出轴通过弹性块联轴器与传动轴连接(见图),传动轴下方通过JQ型夹壳型联轴器在槽内与搅拌轴连接,详细尺寸见表JQ型夹壳联轴器。 2.选用者根据要求的轴承间距H1值选择Ⅰ型或Ⅱ型机架。 |


