|
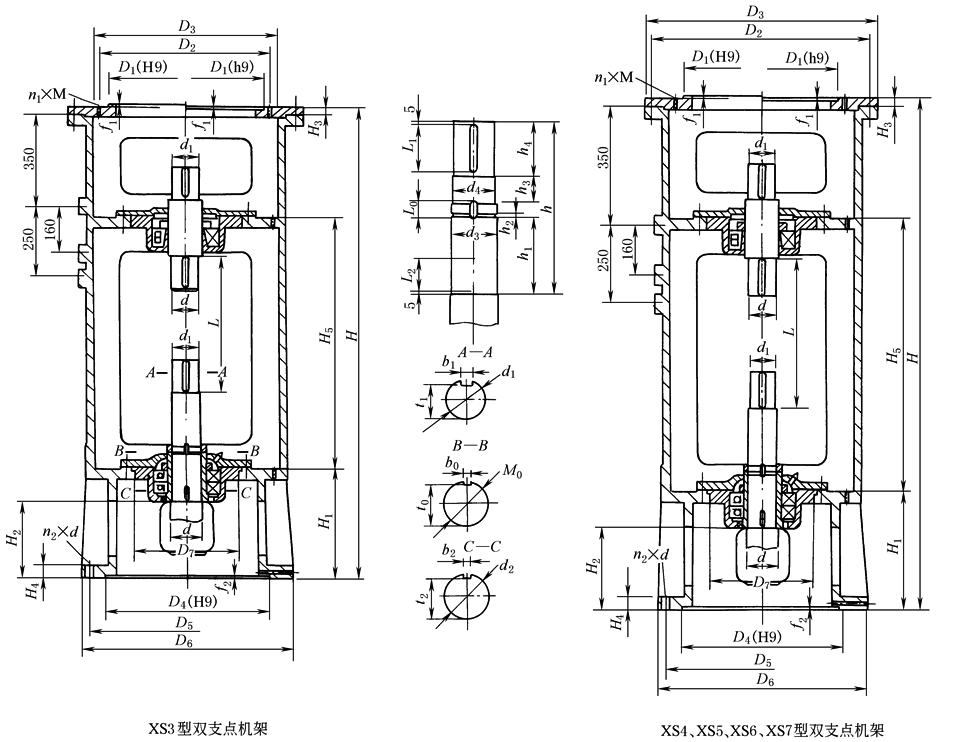
XS型双支点机架 |
|
标记示例 见XD型 |
|
表1 mm |
|
机架 型号 |
机架 公称 直径 D1 |
传动 轴轴 径d |
传动 轴上 端轴 径d1 |
减速器输 出轴径d0 |
输 入 端 接 口 |
输出端接口 |
外形及其他尺寸 |
轴承型号 |
质量/kg |
||||||||||||||||||
|
D4 (H9) |
D5 |
D6 |
n2×d |
f2 |
A型 |
B型 |
H3 |
H4 |
D7 |
上部 |
下部 |
A型 |
B型 |
||||||||||||||
|
H |
H1 |
H2 |
H5 |
L |
H |
H1 |
H2 |
H5 |
L |
||||||||||||||||||
|
XS3 |
300 |
60 |
45 |
35、40、45 |
见 下 表 2 |
320 |
400 |
445 |
12× f22 |
6 |
1155 |
279 |
200 |
620 |
343 |
1400 |
399 |
320 |
745 |
433 |
20 |
32 |
280 |
153513 |
46216 |
196 |
207 |
|
70 |
55 |
45、50、55 |
200 |
387 |
320 |
512 |
153516 |
46216 |
198 |
209 |
|||||||||||||||||
|
80 |
65 |
55、60、65 |
189 |
417 |
309 |
542 |
153518 |
46218 |
203 |
214 |
|||||||||||||||||
|
XS4 |
400 |
90 |
75 |
55、65、70 |
415 |
515 |
565 |
16× f26 |
6 |
1310 |
310 |
201 |
695 |
453 |
1535 |
420 |
311 |
810 |
568 |
25 |
35 |
310 |
153520 |
46222 |
343 |
357 |
|
|
100 |
85 |
65、70、80 |
201 |
473 |
311 |
588 |
153524 |
46222 |
356 |
370 |
|||||||||||||||||
|
XS5 |
500 |
100 |
85 |
65、70、80 |
520 |
620 |
670 |
20× f26 |
6 |
1620 |
369 |
254 |
865 |
476 |
1870 |
494 |
379 |
990 |
591 |
30 |
40 |
335 |
153524 |
46224 |
546 |
572 |
|
|
110 |
90 |
70、80、90 |
254 |
506 |
379 |
651 |
153524 |
46226 |
561 |
587 |
|||||||||||||||||
|
120 |
100 |
90、95、100 |
246 |
526 |
371 |
671 |
153528 |
46228 |
566 |
592 |
|||||||||||||||||
|
130 |
110 |
95、100、110 |
246 |
574 |
371 |
699 |
153532 |
46230 |
578 |
604 |
|||||||||||||||||
|
XS6 |
700 |
120 |
100 |
90、95、100 |
670 |
780 |
830 |
28× f26 |
6 |
1830 |
399 |
276 |
970 |
526 |
2060 |
514 |
391 |
1085 |
671 |
35 |
45 |
400 |
153528 |
46228 |
981 |
1018 |
|
|
130 |
110 |
95、100、110 |
276 |
574 |
391 |
699 |
153532 |
46230 |
991 |
1028 |
|||||||||||||||||
|
140 |
120 |
100、110、120 |
258 |
604 |
373 |
729 |
153534 |
46232 |
998 |
1035 |
|||||||||||||||||
|
160 |
140 |
120、130、140 |
242 |
652 |
357 |
767 |
153538 |
46234 |
990 |
1027 |
|||||||||||||||||
|
XS7 |
900 |
140 |
120 |
100、110、120 |
940 |
1070 |
1124 |
40× f30 |
6.4 |
2150 |
426 |
285 |
1164 |
604 |
2450 |
550 |
409 |
1250 |
729 |
40 |
50 |
490 |
153534 |
46232 |
1500 |
1600 |
|
|
160 |
140 |
120、130、140 |
269 |
652 |
393 |
767 |
153538 |
46234 |
|||||||||||||||||||
|
180 |
160 |
140、150、160 |
256 |
717 |
380 |
832 |
153540 |
46240 |
|||||||||||||||||||
|
200 |
180 |
160、170、180 |
242 |
836 |
366 |
986 |
153544 |
46244 |
|||||||||||||||||||
|
机架 型号 |
机架 公称 直径 |
传动 轴轴 径d |
传动 轴上 端轴 径d1 |
传 动 轴 轴 端 尺 寸 |
|||||||||||||||||
|
M0 |
d2 (h9) |
d3 |
d4 |
h |
h1 |
h2 |
h3 |
h4 |
L1 |
L0 |
L2 |
b1 (N9) |
b0 |
b2 (N9) |
t1 |
t0 |
t2 |
||||
|
XS3 |
300 |
60 |
45(k6) |
M55×2 |
55 |
52 |
50 |
322 |
125 |
4 |
15 |
68 |
60 |
27 |
40 |
14 |
8 |
8 |
39.5 |
51 |
51 |
|
70 |
55(m6) |
M65×2 |
65 |
62 |
60 |
278 |
125 |
4 |
15 |
83 |
75 |
27 |
40 |
16 |
8 |
8 |
49 |
61 |
61 |
||
|
80 |
65(m6) |
M75×2 |
75 |
72 |
70 |
264 |
139 |
4 |
18 |
98 |
90 |
32 |
50 |
18 |
10 |
10 |
58 |
69 |
70 |
||
|
XS4 |
400 |
90 |
75(m6) |
M85×2 |
85 |
82 |
80 |
322 |
162 |
4 |
18 |
108 |
100 |
32 |
50 |
20 |
10 |
10 |
67.5 |
79 |
80 |
|
100 |
85(m6) |
M95×2 |
95 |
92 |
90 |
317 |
166 |
4 |
22 |
118 |
110 |
38 |
50 |
22 |
12 |
12 |
76 |
89 |
90 |
||
|
XS5 |
500 |
100 |
85 (m6) |
M95×2 |
95 |
92 |
90 |
490 |
166 |
4 |
22 |
118 |
110 |
38 |
50 |
22 |
12 |
12 |
76 |
89 |
90 |
|
110 |
90 (m6) |
M100×2 |
100 |
97 |
95 |
420 |
166 |
4 |
22 |
118 |
110 |
38 |
50 |
25 |
12 |
12 |
81 |
94 |
95 |
||
|
120 |
100 (m6) |
M110×2 |
110 |
107 |
105 |
413 |
177 |
4 |
22 |
128 |
120 |
40 |
60 |
28 |
14 |
14 |
90 |
104 |
104.5 |
||
|
130 |
110 (m6) |
M120×2 |
120 |
117 |
115 |
370 |
177 |
4 |
26 |
138 |
130 |
44 |
70 |
28 |
14 |
14 |
100 |
114 |
114.5 |
||
|
XS6 |
700 |
120 |
100 (m6) |
M110×2 |
110 |
107 |
105 |
508 |
177 |
4 |
22 |
128 |
120 |
40 |
60 |
28 |
14 |
14 |
90 |
104 |
104.5 |
|
130 |
110 (m6) |
M120×2 |
120 |
117 |
115 |
465 |
177 |
4 |
26 |
138 |
130 |
44 |
70 |
28 |
14 |
14 |
100 |
114 |
114.5 |
||
|
140 |
120 (m6) |
M130×2 |
130 |
127 |
125 |
468 |
197 |
4 |
26 |
153 |
145 |
44 |
70 |
32 |
14 |
14 |
109 |
122 |
124.5 |
||
|
160 |
140 (m6) |
M150×2 |
150 |
147 |
145 |
441 |
207 |
4 |
30 |
168 |
160 |
50 |
70 |
36 |
16 |
16 |
128 |
142 |
144 |
||
|
XS7 |
900 |
140 |
120 (m6) |
M130×2 |
130 |
127 |
125 |
468 |
197 |
4 |
26 |
153 |
145 |
44 |
70 |
32 |
14 |
14 |
109 |
122 |
124.5 |
|
160 |
140 (m6) |
M150×2 |
150 |
147 |
145 |
441 |
207 |
4 |
30 |
168 |
160 |
50 |
70 |
36 |
16 |
16 |
128 |
142 |
144 |
||
|
180 |
160 (m6) |
M170×3 |
170 |
166 |
165 |
496 |
227 |
4 |
32 |
198 |
190 |
52 |
80 |
40 |
16 |
16 |
157 |
162 |
164 |
||
|
200 |
180 (m6) |
M190×3 |
190 |
186 |
185 |
536 |
242 |
4 |
32 |
238 |
230 |
54 |
90 |
45 |
18 |
18 |
175 |
180 |
182 |
||
|
注:1.减速器输出轴为Ⅱ型轴头时可选用双支点机架,用于搅拌强烈、功率及轴承载荷较大的场合。联轴器应选用TK型弹性块联轴器(表TK型弹性块式联轴器)。 2.A型机架适用于2001、2003、2004、2006、2008型机械密封;B型机架适用于2002、2005、2007型机械密封或506、516、606、616型填料密封。 |
|
表2 XD、XS型机架输入端接口尺寸 mm |
|||||||||||||
|
减速器输 出轴径d0 |
减速器 类别代号 |
D1 |
D2 |
D3 |
n1×M |
f1 |
减速器输 出轴径d0 |
减速器 类别代号 |
D1 |
D2 |
D3 |
n1×M |
f1 |
|
12 |
Z |
65 |
100 |
120 |
4×M6 |
3 |
70 |
Z |
316 |
360 |
400 |
8×M16 |
6 |
|
14 |
Z |
85 |
120 |
140 |
4×M8 |
3 |
C |
320 316 |
360 |
400 |
8×M16 |
5 |
|
|
18 |
Z |
100 |
134 |
160 |
4×M8 |
4 |
|||||||
|
25 |
Z |
130 |
160 |
180 |
6×M8 |
4 |
80 |
Z |
345 |
390 |
430 |
8×M16 |
6 |
|
C |
170 |
200 |
230 |
6×M10 |
3 |
Z1 |
316 |
360 |
400 |
8×M12 |
6 |
||
|
30 |
C |
200 |
230 |
260 |
6×M12 |
4 |
C |
360 |
410 |
460 |
8×M20 |
6 |
|
|
35 |
Z |
170 |
200 |
230 |
6×M10 |
5 |
90 |
Z |
400 |
450 |
490 |
12×M16 |
8 |
|
C |
230 |
260 |
290 |
6×M12 |
4 |
C |
360 |
410 |
460 |
8×M20 |
6 |
||
|
40 |
Z |
170 |
200 |
230 |
6×M10 |
5 |
95 |
Z |
400 |
450 |
490 |
12×M16 |
8 |
|
C |
230 |
260 |
290 |
6×M12 |
4 |
Z1 |
455 |
520 |
580 |
12×M20 |
10 |
||
|
45 |
Z |
200 |
230 |
260 |
6×M10 |
5 |
100 |
Z |
455 |
520 |
580 |
12×M20 |
10 |
|
C |
230 |
260 |
290 |
6×M12 |
4 |
C |
470 |
520 |
580 |
12×M20 |
6 |
||
|
50 |
Z |
200 |
230 |
260 |
6×M10 |
5 |
110 |
Z |
520 |
590 |
650 |
12×M20 |
12 |
|
C |
270 |
305 |
340 |
8×M16 |
5 |
C |
470 |
520 |
580 |
12×M20 |
6 |
||
|
55 |
Z |
270 |
310 |
340 |
6×M10 |
5 |
120 |
Z |
520 |
590 |
650 |
12×M20 |
12 |
|
C |
270 |
305 |
340 |
8×M16 |
5 |
C |
550 |
600 |
660 |
12×M20 |
6 |
||
|
60 |
C |
320 |
360 |
400 |
8×M16 |
5 |
130 |
Z |
680 |
800 |
880 |
12×M30 |
12 |
|
65 |
Z |
316 |
360 |
400 |
8×M12 |
6 |
C |
680 |
800 |
880 |
12×M30 |
8 |
|
|
Z1 |
270 |
310 |
340 |
6×M10 |
5 |
140 |
Z |
680 |
800 |
880 |
12×M30 |
12 |
|
|
注:1.减速器类别代号,Z为XL系列摆线针轮减速器及CFL型行星齿轮减速器;C为LC型减速器。若选用LPJ、LPB型减速器,需与制造厂联系,作适当调整。 2.一种规格机架配用两种规格减速器,所以机架输入端接口尺寸不同,分别用Z、Z1表示。 3.减速器输出轴径d0>140mm的接口尺寸需与制造厂联系。 |
|||||||||||||

