|
机型号8160A~8275A |
|
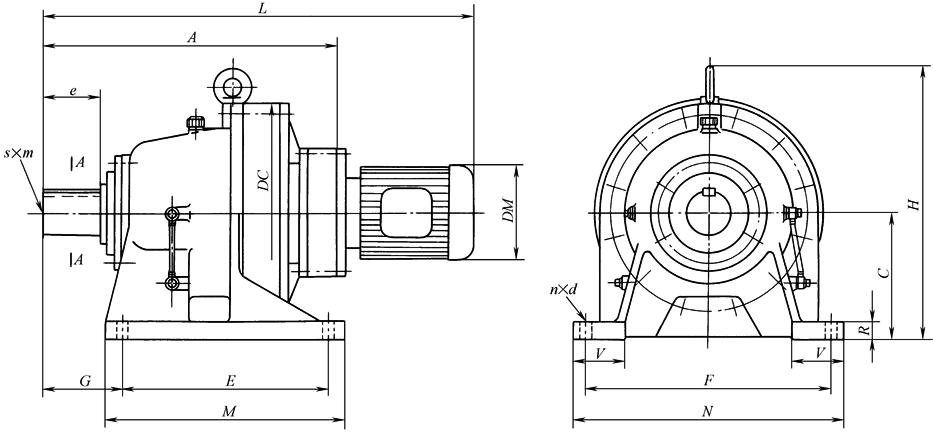
二级卧式直联型(XWED型)和双轴型(XWE型)外形、安装尺寸 XWED型(机型号8160A~8275A)
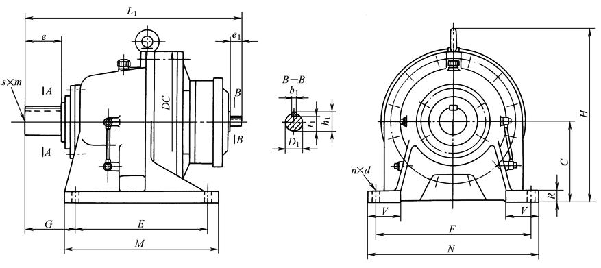
XWE型(机型号8160A~8275A)
|
|
表1 mm |
|
机 型 号 |
XWED型 |
XWED型、XWE型 |
|||||||||||
|
A |
DC |
C |
E |
F |
M |
N |
G |
H |
R |
V |
n |
d |
|
|
8160A 8165A |
373 |
300 |
160 |
150 |
370 |
238 |
410 |
139 |
356 |
25 |
75 |
4 |
18 |
|
8160B 8165B |
384 |
300 |
160 |
150 |
370 |
238 |
410 |
139 |
356 |
25 |
75 |
4 |
18 |
|
8160C 8165C |
389 |
300 |
160 |
150 |
370 |
238 |
410 |
139 |
356 |
25 |
75 |
4 |
18 |
|
8170A 8175A |
418 |
340 |
200 |
275 |
380 |
335 |
430 |
125 |
425 |
30 |
80 |
4 |
22 |
|
8170B 8175B |
432 |
340 |
200 |
275 |
380 |
335 |
430 |
125 |
425 |
30 |
80 |
4 |
22 |
|
8170C 8175C |
436 |
340 |
200 |
275 |
380 |
335 |
430 |
125 |
425 |
30 |
80 |
4 |
22 |
|
8180A 8185A |
474 |
370 |
220 |
320 |
420 |
380 |
470 |
145 |
460 |
30 |
85 |
4 |
22 |
|
8180B 8185B |
496 |
370 |
220 |
320 |
420 |
380 |
470 |
145 |
460 |
30 |
85 |
4 |
22 |
|
8190A 8195A |
556 |
430 |
250 |
380 |
480 |
440 |
530 |
170 |
529 |
35 |
90 |
4 |
26 |
|
8190B 8195B |
572 |
430 |
250 |
380 |
480 |
440 |
530 |
170 |
529 |
35 |
90 |
4 |
26 |
|
8205A |
602 |
448 |
250 |
360 |
440 |
440 |
530 |
215 |
530 |
35 |
100 |
4 |
26 |
|
8205B |
628 |
448 |
250 |
360 |
440 |
440 |
530 |
215 |
530 |
35 |
100 |
4 |
26 |
|
8215A |
650 |
485 |
265 |
395 |
480 |
475 |
580 |
210 |
575 |
40 |
110 |
4 |
26 |
|
8215B |
675 |
485 |
265 |
395 |
480 |
475 |
580 |
210 |
575 |
40 |
110 |
4 |
26 |
|
8225A |
692 |
526 |
280 |
420 |
540 |
520 |
620 |
230 |
610 |
40 |
115 |
4 |
33 |
|
8225B |
736 |
526 |
280 |
420 |
540 |
520 |
620 |
230 |
610 |
40 |
115 |
4 |
33 |
|
8235A |
778 |
562 |
300 |
460 |
580 |
560 |
670 |
260 |
667 |
45 |
120 |
4 |
33 |
|
8235B |
800 |
562 |
300 |
460 |
580 |
560 |
670 |
260 |
667 |
45 |
120 |
4 |
33 |
|
8245A |
816 |
614 |
335 |
480 |
630 |
580 |
720 |
263 |
729 |
45 |
128 |
4 |
39 |
|
8245B |
837 |
614 |
335 |
480 |
630 |
580 |
720 |
263 |
729 |
45 |
128 |
4 |
39 |
|
8255A |
956 |
670 |
375 |
520 |
670 |
630 |
780 |
320 |
815 |
50 |
140 |
4 |
39 |
|
8255B |
978 |
670 |
375 |
520 |
670 |
630 |
780 |
320 |
815 |
50 |
140 |
4 |
39 |
|
8265A |
1088 |
736 |
400 |
590 |
770 |
700 |
880 |
390 |
874 |
55 |
160 |
4 |
45 |
|
8270A 8275A |
1351 |
950 |
540 |
420×2 |
1050 |
1040 |
1160 |
485 |
1163 |
60 |
200 |
6 |
45 |
|
机 型 号 |
XWED型、XWE型 |
XWE型 |
|||||||||||
|
输出端 |
输入端 |
DC |
L1 |
||||||||||
|
D (h6) |
e |
b |
t |
h |
s×m |
D1 (h6) |
e1 |
b1 |
t1 |
h1 |
|||
|
8160A 8165A |
60 |
90 |
18 |
53 |
64 |
M10×18 |
15 |
25 |
5 |
12 |
17 |
300 |
433 |
|
8160B 8165B |
60 |
90 |
18 |
53 |
64 |
M10×18 |
15 |
25 |
5 |
12 |
17 |
300 |
439 |
|
8160C 8165C |
60 |
90 |
18 |
53 |
64 |
M10×18 |
18 |
35 |
6 |
14.5 |
20.5 |
300 |
462 |
|
8170A 8175A |
70 |
90 |
20 |
62.5 |
74.5 |
M12×24 |
15 |
25 |
5 |
12 |
17 |
340 |
478 |
|
8170B 8175B |
70 |
90 |
20 |
62.5 |
74.5 |
M12×24 |
15 |
25 |
5 |
12 |
17 |
340 |
484 |
|
8170C 8175C |
70 |
90 |
20 |
62.5 |
74.5 |
M12×24 |
18 |
35 |
6 |
14.5 |
20.5 |
340 |
509 |
|
8180A 8185A |
80 |
110 |
22 |
71 |
85 |
M12×24 |
15 |
25 |
5 |
12 |
17 |
370 |
526 |
|
8180B 8185B |
80 |
110 |
22 |
71 |
85 |
M12×24 |
22 |
40 |
6 |
18.5 |
24.5 |
370 |
577 |
|
8190A 8195A |
95 |
135 |
25 |
86 |
100 |
M20×34 |
18 |
35 |
6 |
14.5 |
20.5 |
430 |
629 |
|
8190B 8195B |
95 |
135 |
25 |
86 |
100 |
M20×34 |
22 |
40 |
6 |
18.5 |
24.5 |
430 |
653 |
|
8205A |
100 |
165 |
28 |
90 |
106 |
M20×34 |
18 |
35 |
6 |
14.5 |
20.5 |
448 |
670 |
|
8205B |
100 |
165 |
28 |
90 |
106 |
M20×34 |
22 |
40 |
6 |
18.5 |
24.5 |
448 |
705 |
|
8215A |
110 |
165 |
28 |
100 |
116 |
M20×34 |
22 |
40 |
6 |
18.5 |
24.5 |
485 |
731 |
|
8215B |
110 |
165 |
28 |
100 |
116 |
M20×34 |
30 |
45 |
8 |
26 |
33 |
485 |
780 |
|
8225A |
120 |
165 |
32 |
109 |
127 |
M20×34 |
22 |
40 |
6 |
18.5 |
24.5 |
526 |
773 |
|
8225B |
120 |
165 |
32 |
109 |
127 |
M20×34 |
35 |
55 |
10 |
30 |
38 |
526 |
860 |
|
8235A |
130 |
200 |
32 |
119 |
137 |
M24×41 |
30 |
45 |
8 |
26 |
33 |
562 |
883 |
|
8235B |
130 |
200 |
32 |
119 |
137 |
M24×41 |
40 |
65 |
12 |
35 |
43 |
562 |
938 |
|
8245A |
140 |
200 |
36 |
128 |
148 |
M24×41 |
30 |
45 |
8 |
26 |
33 |
614 |
921 |
|
8245B |
140 |
200 |
36 |
128 |
148 |
M24×41 |
40 |
65 |
12 |
35 |
43 |
614 |
975 |
|
8255A |
160 |
240 |
40 |
147 |
169 |
M30×49 |
35 |
55 |
10 |
30 |
38 |
670 |
1081 |
|
8255B |
160 |
240 |
40 |
147 |
169 |
M30×49 |
45 |
70 |
14 |
39.5 |
48.5 |
670 |
1133 |
|
8265A |
170 |
300 |
40 |
157 |
179 |
M30×49 |
45 |
70 |
14 |
39.5 |
48.5 |
736 |
1243 |
|
8270A 8275A |
180 |
330 |
45 |
165 |
190 |
M42×52 |
45 |
70 |
14 |
39.5 |
48.5 |
950 |
1504 |
|
注:1.XWED型减速器的DM、J、L尺寸见表2。 2.油浴式润滑。 |
|
表2 XWED型(机型号8160A~8275A)减速器外形尺寸 |
|||||||||||||
|
功率 /kW |
尺寸 /mm |
机 型 号 |
|||||||||||
|
8160A 8165A |
8160B 8165B |
8160C 8165C |
8170A 8175A |
8170B 8175B |
8170C 8175C |
8180A 8185A |
8180B 8185B |
8190A 8195A |
8190B 8195B |
8205A |
8205B |
||
|
0.18 |
DM |
130 |
|
|
130 |
|
|
|
|
|
|
|
|
|
J |
100 |
|
|
100 |
|
|
|
|
|
|
|
|
|
|
L |
624 |
|
|
670 |
|
|
|
|
|
|
|
|
|
|
0.37 |
DM |
140 |
|
|
140 |
|
|
140 |
|
|
|
|
|
|
J |
125 |
|
|
125 |
|
|
125 |
|
|
|
|
|
|
|
L |
624 |
|
|
670 |
|
|
707 |
|
|
|
|
|
|
|
0.55 |
DM |
175 |
|
|
175 |
|
|
175 |
|
|
|
|
|
|
J |
160 |
|
|
160 |
|
|
160 |
|
|
|
|
|
|
|
L |
655 |
|
|
701 |
|
|
756 |
|
|
|
|
|
|
|
0.75 |
DM |
175 |
|
|
175 |
|
|
175 |
|
175 |
|
175 |
|
|
J |
160 |
|
|
160 |
|
|
160 |
|
160 |
|
160 |
|
|
|
L |
655 |
|
|
701 |
|
|
756 |
|
838 |
|
879 |
|
|
|
1.1 |
DM |
|
195 |
|
|
195 |
|
195 |
|
195 |
|
195 |
|
|
J |
|
170 |
|
|
170 |
|
170 |
|
170 |
|
170 |
|
|
|
L |
|
681 |
|
|
726 |
|
768 |
|
850 |
|
891 |
|
|
|
1.5 |
DM |
|
195 |
|
|
195 |
|
195 |
|
195 |
|
195 |
|
|
J |
|
170 |
|
|
170 |
|
170 |
|
170 |
|
170 |
|
|
|
L |
|
705 |
|
|
750 |
|
792 |
|
874 |
|
915 |
|
|
|
2.2 |
DM |
|
215 |
215 |
|
215 |
215 |
215 |
|
215 |
215 |
|
215 |
|
J |
|
185 |
185 |
|
185 |
185 |
185 |
|
185 |
185 |
|
185 |
|
|
L |
|
745 |
747 |
|
790 |
794 |
832 |
|
914 |
930 |
|
982 |
|
|
3 |
DM |
|
|
215 |
|
|
215 |
|
215 |
215 |
|
|
215 |
|
J |
|
|
185 |
|
|
185 |
|
185 |
185 |
|
|
185 |
|
|
L |
|
|
747 |
|
|
794 |
|
854 |
914 |
|
|
982 |
|
|
4 |
DM |
|
|
230 |
|
|
230 |
|
230 |
230 |
230 |
|
230 |
|
J |
|
|
190 |
|
|
190 |
|
190 |
190 |
190 |
|
190 |
|
|
L |
|
|
764 |
|
|
811 |
|
882 |
931 |
947 |
|
999 |
|
|
5.5 |
DM |
|
|
|
|
|
270 |
|
270 |
270 |
270 |
|
270 |
|
J |
|
|
|
|
|
210 |
|
210 |
210 |
210 |
|
210 |
|
|
L |
|
|
|
|
|
874 |
|
934 |
994 |
1010 |
|
1062 |
|
|
7.5 |
DM |
|
|
|
|
|
|
|
270 |
|
270 |
|
270 |
|
J |
|
|
|
|
|
|
|
210 |
|
210 |
|
210 |
|
|
L |
|
|
|
|
|
|
|
972 |
|
1048 |
|
1100 |
|
|
功率 /kW |
尺寸 /mm |
机 型 号 |
|||||||||||
|
8215A |
8215B |
8225A |
8225B |
8235A |
8235B |
8245A |
8245B |
8255A |
8255B |
8265A |
8270A 8275A |
||
|
1.5 |
DM |
195 |
|
195 |
|
|
|
|
|
|
|
|
|
|
J |
170 |
|
170 |
|
|
|
|
|
|
|
|
|
|
|
L |
968 |
|
1010 |
|
|
|
|
|
|
|
|
|
|
|
2.2 |
DM |
215 |
|
215 |
|
215 |
|
215 |
|
|
|
|
|
|
J |
185 |
|
185 |
|
185 |
|
185 |
|
|
|
|
|
|
|
L |
1008 |
|
1050 |
|
1136 |
|
1174 |
|
|
|
|
|
|
|
3 |
DM |
215 |
|
215 |
|
|
|
215 |
|
215 |
|
|
|
|
J |
185 |
|
185 |
|
|
|
185 |
|
185 |
|
|
|
|
|
L |
1008 |
|
1050 |
|
|
|
1174 |
|
1361 |
|
|
|
|
|
4 |
DM |
230 |
|
230 |
|
230 |
|
230 |
|
230 |
|
|
|
|
J |
190 |
|
190 |
|
190 |
|
190 |
|
190 |
|
|
|
|
|
L |
1025 |
|
1067 |
|
1153 |
|
1191 |
|
1331 |
|
|
|
|
|
5.5 |
DM |
270 |
|
270 |
|
270 |
|
270 |
|
270 |
|
270 |
270 |
|
J |
210 |
|
210 |
|
210 |
|
210 |
|
210 |
|
210 |
210 |
|
|
L |
1088 |
|
1130 |
|
1216 |
|
1254 |
|
1394 |
|
1526 |
1787 |
|
|
7.5 |
DM |
270 |
270 |
270 |
|
270 |
|
270 |
|
270 |
|
270 |
270 |
|
J |
210 |
210 |
210 |
|
210 |
|
210 |
|
210 |
|
210 |
210 |
|
|
L |
1126 |
1151 |
1168 |
|
1254 |
|
1292 |
|
1432 |
|
1564 |
1825 |
|
|
11 |
DM |
|
325 |
|
325 |
325 |
|
325 |
|
325 |
|
325 |
325 |
|
J |
|
255 |
|
255 |
255 |
|
255 |
|
255 |
|
255 |
255 |
|
|
L |
|
1187 |
|
1247 |
1290 |
|
1328 |
|
1468 |
|
1600 |
1861 |
|
|
15 |
DM |
|
|
|
325 |
325 |
|
325 |
325 |
325 |
|
325 |
325 |
|
J |
|
|
|
255 |
255 |
|
255 |
255 |
255 |
|
255 |
255 |
|
|
L |
|
|
|
1292 |
1335 |
|
1373 |
1394 |
1531 |
|
1645 |
1906 |
|
|
18.5 |
DM |
|
|
|
400 |
|
400 |
|
400 |
400 |
|
400 |
400 |
|
J |
|
|
|
310 |
|
310 |
|
210 |
310 |
|
310 |
210 |
|
|
L |
|
|
|
1402 |
|
1467 |
|
1504 |
1623 |
|
1755 |
2016 |
|
|
22 |
DM |
|
|
|
|
|
400 |
|
400 |
400 |
|
400 |
400 |
|
J |
|
|
|
|
|
310 |
|
310 |
310 |
|
310 |
310 |
|
|
L |
|
|
|
|
|
1467 |
|
1504 |
1623 |
|
1755 |
2016 |
|
|
30 |
DM |
|
|
|
|
|
|
|
|
|
450 |
450 |
450 |
|
J |
|
|
|
|
|
|
|
|
|
345 |
340 |
340 |
|
|
L |
|
|
|
|
|
|
|
|
|
1691 |
1768 |
2029 |
|
|
37 |
DM |
|
|
|
|
|
|
|
|
|
|
450 |
450 |
|
J |
|
|
|
|
|
|
|
|
|
|
340 |
340 |
|
|
L |
|
|
|
|
|
|
|
|
|
|
1793 |
2054 |
|
|
注:表中所列尺寸是以Y型及YA型电机为基准,选用其他型式电机时,请与制造厂联系。 |
|||||||||||||




