|
机型号8075A~8145C |
||||||||||||||||||||||||
|
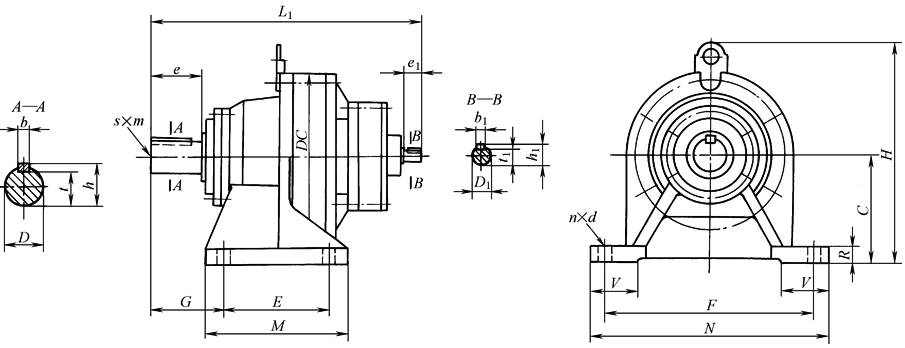
二级卧式直连型(XWED型)和双轴型(XWE型)外形、安装尺寸 XWED型(机型号8075A~8145C)
XWE型(机型号8075A~8145C)
|
||||||||||||||||||||||||
|
表1 mm |
||||||||||||||||||||||||
|
机型号 |
XWED型 |
XWED型、XWE型 |
||||||||||||||||||||||
|
A |
DC |
C |
E |
F |
M |
N |
G |
H |
R |
V |
n |
d |
||||||||||||
|
8075A |
125 |
110 |
80 |
60 |
120 |
84 |
144 |
42 |
138 |
10 |
35 |
4 |
9 |
|||||||||||
|
8085A |
131 |
110 |
80 |
60 |
120 |
84 |
144 |
47 |
138 |
10 |
35 |
4 |
9 |
|||||||||||
|
8095A |
190 |
150 |
100 |
90 |
150 |
130 |
180 |
60 |
207 |
12 |
40 |
4 |
11 |
|||||||||||
|
8105A |
204 |
150 |
100 |
90 |
150 |
135 |
180 |
60 |
207 |
12 |
40 |
4 |
11 |
|||||||||||
|
8115A |
240 |
204 |
120 |
115 |
190 |
155 |
230 |
82 |
257 |
15 |
55 |
4 |
14 |
|||||||||||
|
8115B |
252 |
204 |
120 |
115 |
190 |
155 |
230 |
82 |
257 |
15 |
55 |
4 |
14 |
|||||||||||
|
8130A 8135A |
294 |
230 |
150 |
145 |
290 |
195 |
330 |
100 |
300 |
22 |
65 |
4 |
18 |
|||||||||||
|
8130B 8135B |
303 |
230 |
150 |
145 |
290 |
195 |
330 |
100 |
300 |
22 |
65 |
4 |
18 |
|||||||||||
|
8130C 8135C |
317 |
230 |
150 |
145 |
290 |
195 |
330 |
100 |
300 |
22 |
65 |
4 |
18 |
|||||||||||
|
8145A |
314 |
230 |
150 |
145 |
290 |
195 |
330 |
120 |
300 |
22 |
65 |
4 |
18 |
|||||||||||
|
8145B |
323 |
230 |
150 |
145 |
290 |
195 |
330 |
120 |
300 |
22 |
65 |
4 |
18 |
|||||||||||
|
8145C |
337 |
230 |
150 |
145 |
290 |
195 |
330 |
120 |
300 |
22 |
65 |
4 |
18 |
|||||||||||
|
机型号 |
XWED型、XWE型 |
XWE型 |
||||||||||||||||||||||
|
输出端 |
输入端 |
DC |
L1 |
|||||||||||||||||||||
|
D(h6) |
e |
b |
t |
h |
s×m |
D1(h6) |
e1 |
b1 |
t1 |
h1 |
||||||||||||||
|
8075A |
14 |
25 |
5 |
11 |
16 |
— |
12 |
25 |
4 |
9.5 |
13.5 |
110 |
178 |
|||||||||||
|
8085A |
18 |
30 |
6 |
14.5 |
20.5 |
— |
12 |
25 |
4 |
9.5 |
13.5 |
110 |
184 |
|||||||||||
|
8095A |
28 |
35 |
8 |
24 |
31 |
— |
12 |
25 |
4 |
9.5 |
13.5 |
150 |
243 |
|||||||||||
|
8105A |
28 |
35 |
8 |
24 |
31 |
— |
12 |
25 |
4 |
9.5 |
13.5 |
150 |
257 |
|||||||||||
|
8115A |
38 |
55 |
10 |
33 |
41 |
— |
12 |
25 |
4 |
9.5 |
13.5 |
204 |
293 |
|||||||||||
|
8115B |
38 |
55 |
10 |
33 |
41 |
— |
15 |
25 |
5 |
12 |
17 |
204 |
312 |
|||||||||||
|
8130A 8135A |
50 |
70 |
14 |
44.5 |
53.5 |
M10×18 |
12 |
25 |
4 |
9.5 |
13.5 |
230 |
347 |
|||||||||||
|
8130B 8135B |
50 |
70 |
14 |
44.5 |
53.5 |
M10×18 |
15 |
25 |
5 |
12 |
17 |
230 |
363 |
|||||||||||
|
8130C 8135C |
50 |
70 |
14 |
44.5 |
53.5 |
M10×18 |
15 |
25 |
5 |
12 |
17 |
230 |
369 |
|||||||||||
|
8145A |
50 |
90 |
14 |
44.5 |
53.5 |
M10×18 |
12 |
25 |
4 |
9.5 |
13.5 |
230 |
367 |
|||||||||||
|
8145B |
50 |
90 |
14 |
44.5 |
53.5 |
M10×18 |
15 |
25 |
5 |
12 |
17 |
230 |
383 |
|||||||||||
|
8145C |
50 |
90 |
14 |
44.5 |
53.5 |
M10×18 |
15 |
25 |
5 |
12 |
17 |
230 |
389 |
|||||||||||
|
注:1.XWED型减速器的DM、J、L尺寸见表2。 2.润滑脂润滑。 |
||||||||||||||||||||||||
|
表2 XWED型(机型号8075A~8145C)减速器外形尺寸 |
|||||||||||||
|
功 率 /kW |
尺 寸 /mm |
机 型 号 |
|||||||||||
|
8075A |
8085A |
8095A |
8105A |
8115A |
8115B |
8130A 8135A |
8130B 8135B |
8130C 8135C |
8145A |
8145B |
8145C |
||
|
0.09 |
DM |
128 |
128 |
128 |
128 |
128 |
128 |
|
|
|
|
|
|
|
J |
120 |
120 |
120 |
120 |
120 |
120 |
|
|
|
|
|
|
|
|
L |
316 |
322 |
381 |
395 |
431 |
443 |
|
|
|
|
|
|
|
|
0.18 |
DM |
|
|
130 |
130 |
130 |
|
130 |
130 |
|
130 |
130 |
|
|
J |
|
|
100 |
100 |
100 |
|
100 |
100 |
|
100 |
100 |
|
|
|
L |
|
|
441 |
455 |
491 |
|
540 |
552 |
|
560 |
572 |
|
|
|
0.37 |
DM |
|
|
|
140 |
140 |
|
140 |
|
|
140 |
|
|
|
J |
|
|
|
125 |
125 |
|
125 |
|
|
125 |
|
|
|
|
L |
|
|
|
455 |
491 |
|
540 |
|
|
560 |
|
|
|
|
0.55 |
DM |
|
|
|
|
|
175 |
|
175 |
|
|
175 |
|
|
J |
|
|
|
|
|
160 |
|
160 |
|
|
160 |
|
|
|
L |
|
|
|
|
|
534 |
|
585 |
|
|
605 |
|
|
|
0.75 |
DM |
|
|
|
|
|
175 |
|
175 |
|
|
|
|
|
J |
|
|
|
|
|
160 |
|
160 |
|
|
|
|
|
|
L |
|
|
|
|
|
534 |
|
585 |
|
|
|
|
|
|
1.1 |
DM |
|
|
|
|
|
|
|
|
195 |
|
|
|
|
J |
|
|
|
|
|
|
|
|
170 |
|
|
|
|
|
L |
|
|
|
|
|
|
|
|
611 |
|
|
|
|
|
1.5 |
DM |
|
|
|
|
|
|
|
|
195 |
|
|
195 |
|
J |
|
|
|
|
|
|
|
|
170 |
|
|
170 |
|
|
L |
|
|
|
|
|
|
|
|
635 |
|
|
655 |
|
|
2.2 |
DM |
|
|
|
|
|
|
|
|
215 |
|
|
215 |
|
J |
|
|
|
|
|
|
|
|
185 |
|
|
185 |
|
|
L |
|
|
|
|
|
|
|
|
675 |
|
|
695 |
|
|
注:表中所列尺寸是以Y型及YA型电机为基准,选用其他型式电机时,请与制造厂连系。 |
|||||||||||||


