|
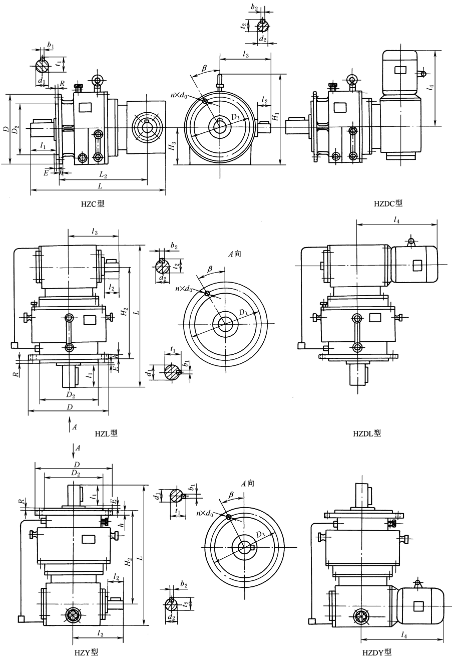
HZC、HZDC、HZL、HZDL、HZY、HZDY型外形及安装尺寸 |
||||||||||||
|
mm |
||||||||||||
|
尺 寸 |
机 型 号 |
|||||||||||
|
16 |
18 |
20 |
22 |
25 |
28 |
31 |
35 |
40 |
45 |
50 |
56 |
|
|
D |
300 |
350 |
400 |
450 |
500 |
550 |
650 |
750 |
850 |
950 |
1050 |
1150 |
|
D1 |
265 |
300 |
350 |
400 |
450 |
500 |
590 |
670 |
760 |
850 |
950 |
1050 |
|
D2 |
230 |
250 |
300 |
350 |
400 |
450 |
530 |
600 |
670 |
750 |
850 |
950 |
|
E |
4 |
5 |
5 |
6 |
6 |
8 |
10 |
10 |
10 |
10 |
10 |
10 |
|
h |
22 |
24 |
26 |
26 |
30 |
35 |
40 |
45 |
50 |
55 |
60 |
65 |
|
R |
4 |
5 |
5 |
6 |
6 |
8 |
10 |
10 |
10 |
10 |
10 |
10 |
|
β |
22.5° |
22.5° |
22.5° |
22.5° |
15° |
15° |
15° |
15° |
15° |
15° |
15° |
15° |
|
n |
8 |
8 |
8 |
8 |
12 |
12 |
12 |
12 |
12 |
12 |
12 |
12 |
|
d0 |
14 |
18 |
18 |
18 |
22 |
22 |
26 |
32 |
32 |
32 |
32 |
32 |
|
L |
715 |
770 |
792 |
953 |
1013 |
1202 |
1237 |
1346 |
1404 |
1579 |
1740 |
1844 |
|
L2 |
460 |
515 |
537 |
648 |
708 |
812 |
847 |
921 |
889 |
1064 |
1185 |
1289 |
|
l3 |
234 |
234 |
234 |
308 |
308 |
389 |
389 |
389 |
450 |
450 |
540 |
540 |
|
l4(最大) |
576 |
616 |
616 |
771 |
811 |
954 |
994 |
994 |
1260 |
1260 |
1325 |
1325 |
|
H2 |
472 |
527 |
549 |
660 |
724 |
828 |
865 |
939 |
907 |
1082 |
1203 |
1307 |
|
H3 |
160 |
180 |
200 |
224 |
250 |
280 |
315 |
355 |
400 |
450 |
500 |
560 |
|
l1 |
105 |
105 |
105 |
130 |
130 |
165 |
165 |
200 |
240 |
240 |
280 |
280 |
|
d1(m6) |
60 |
65 |
70 |
80 |
95 |
110 |
120 |
140 |
160 |
180 |
200 |
220 |
|
b1 |
18 |
18 |
20 |
22 |
25 |
28 |
32 |
36 |
40 |
45 |
45 |
50 |
|
t1 |
64 |
69 |
74.5 |
85 |
100 |
116 |
127 |
148 |
169 |
190 |
210 |
231 |
|
l2 |
58 |
58 |
58 |
82 |
82 |
105 |
105 |
105 |
105 |
105 |
130 |
130 |
|
d2(m6) |
35 |
35 |
35 |
40 |
40 |
60 |
60 |
60 |
70 |
70 |
80 |
80 |
|
b2 |
10 |
10 |
10 |
12 |
12 |
18 |
18 |
18 |
20 |
20 |
22 |
22 |
|
t2 |
38 |
38 |
38 |
43 |
43 |
64 |
64 |
64 |
74.5 |
74.5 |
85 |
85 |
|
H1 |
365 |
420 |
470 |
525 |
590 |
645 |
720 |
825 |
915 |
1040 |
1130 |
1250 |

