|
适用范围及标记 |
|
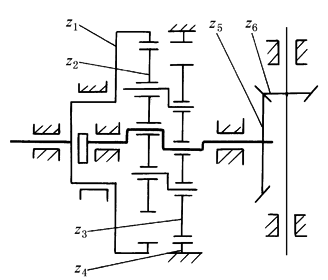
(1) 适用范围 这种减速器是在混合少齿差星轮减速器基础上发展的新型产品,具有体积小、传动比范围大、承载能力大、效率高、寿命长、传动平稳等优点,取得中国、美国和英国专利。减速器传动系统如图所示
垂直输出轴混合少齿差星轮减速器传动系统 工作条件为:工作环境温度为-40~45℃,低于0℃时,减速器启动前润滑油应预热,高于45℃时,应采取降温措施;输入转速不大于1500r/min;采用中载荷工业齿轮油220(GB5903)作为润滑油 (2) 标记示例
(3) 主要生产厂家 新乡机床厂、中原传动机械制造厂 |


