|
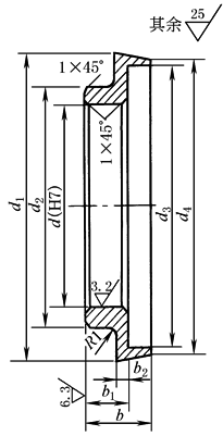
甩油盘 mm |
|||||||||
|
材料:Q235A·F |
d |
d1 |
d2 |
d3 |
d4 |
b |
b1 |
b2 |
质量/kg |
|
45 |
82 |
55 |
70 |
74 |
32 |
18 |
5 |
0.26 |
|
|
60 |
105 |
72 |
90 |
92 |
42 |
2 |
7 |
0.63 |
|
|
75 |
130 |
90 |
115 |
118 |
38 |
25 |
0.86 |
||
|
95 |
142 |
115 |
135 |
138 |
30 |
15 |
5 |
0.65 |
|
|
110 |
160 |
125 |
150 |
155 |
32 |
18 |
0.96 |
||
|
120 |
180 |
135 |
165 |
170 |
38 |
24 |
7 |
1.4 |
|
|
140 |
210 |
155 |
190 |
195 |
35 |
22 |
1.8 |
||
|
150 |
225 |
168 |
215 |
220 |
20 |
2.3 |
|||
|
180 |
275 |
200 |
240 |
245 |
40 |
25 |
3.5 |
||
|
220 |
285 |
240 |
275 |
280 |
50 |
32 |
3.5 |
||
|
240 |
305 |
260 |
295 |
300 |
4.2 |
||||

