|
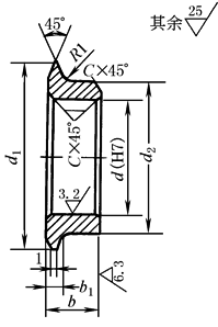
甩油环 mm |
|||||||||||||||
|
材料:Q235A·F |
d |
d1 |
d2 |
b |
b1 |
C |
质量 /kg |
d |
d1 |
d2 |
b |
b1 |
C |
质量 /kg |
|
|
30 |
48 |
36 |
12 |
4 |
0.5 |
0.067 |
40 |
75 |
50 |
12 |
5 |
0.5 |
0.16 |
||
|
35 |
55 |
42 |
0.07 |
55 |
100 |
65 |
35 |
7 |
1 |
0.72 |
|||||
|
65 |
5 |
0.13 |
65 |
115 |
80 |
40 |
0.83 |
||||||||
|
50 |
90 |
60 |
0.22 |
80 |
140 |
95 |
45 |
1.2 |
|||||||
|
55 |
100 |
65 |
1 |
0.30 |
90 |
150 |
108 |
50 |
1.7 |
||||||
|
65 |
115 |
80 |
15 |
0.41 |
100 |
175 |
120 |
60 |
10 |
2.5 |
|||||
|
80 |
140 |
95 |
30 |
7 |
0.94 |
110 |
160 |
125 |
55 |
2.2 |
|||||
|
90 |
150 |
108 |
35 |
1.3 |
30 |
48 |
36 |
20 |
4 |
0.5 |
0.094 |
||||
|
100 |
175 |
120 |
37 |
1.7 |
35 |
65 |
42 |
5 |
0.17 |
||||||
|
110 |
180 |
125 |
2 |
1.8 |
40 |
75 |
50 |
25 |
7 |
1 |
0.27 |
||||
|
130 |
190 |
145 |
2.2 |
||||||||||||
|
50 |
90 |
60 |
30 |
0.4 |
|||||||||||
|
150 |
225 |
168 |
30 |
2.7 |
|||||||||||

