|
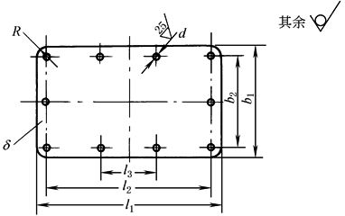
视孔盖 mm |
||||||||||
|
材料:Q235A·F |
l1 |
l2 |
l3 |
b1 |
b2 |
d |
δ |
R |
质量 /kg |
|
|
直径 |
孔数 |
|||||||||
|
90 |
75 |
— |
70 |
55 |
7 |
4 |
4 |
5 |
0.2 |
|
|
120 |
105 |
— |
90 |
75 |
7 |
4 |
4 |
5 |
0.34 |
|
|
140 |
125 |
— |
120 |
105 |
7 |
8 |
4 |
5 |
0.53 |
|
|
180 |
165 |
— |
140 |
125 |
7 |
8 |
4 |
5 |
0.79 |
|
|
200 |
180 |
— |
180 |
160 |
11 |
8 |
4 |
10 |
1.13 |
|
|
220 |
190 |
— |
160 |
130 |
11 |
8 |
4 |
15 |
1.1 |
|
|
220 |
200 |
— |
200 |
180 |
11 |
8 |
4 |
10 |
1.38 |
|
|
270 |
240 |
— |
180 |
150 |
11 |
8 |
6 |
15 |
2.2 |
|
|
270 |
240 |
— |
220 |
190 |
11 |
8 |
6 |
15 |
2.8 |
|
|
350 |
320 |
— |
220 |
190 |
11 |
8 |
10 |
15 |
6 |
|
|
420 |
390 |
130 |
260 |
230 |
13 |
10 |
10 |
15 |
8.6 |
|
|
500 |
460 |
150 |
300 |
260 |
13 |
10 |
10 |
20 |
11.8 |
|

