|
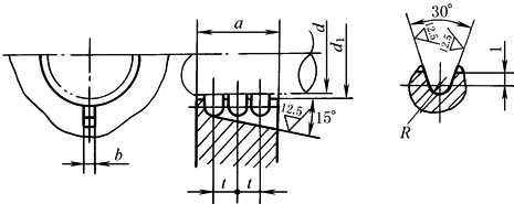
迷宫密封 |
|||||||||||||||
|
表1 迷宫式密封槽(JB/ZQ 4245—1997) mm |
|||||||||||||||
|
|
轴径d |
R |
t |
b |
amin |
d1 |
n (槽数) |
||||||||
|
25~80 >80~120 >120~180 >180 |
1.5 2 2.5 3 |
4.5 6 7.5 9 |
4 5 6 7 |
nt+R |
d+1 |
一般n=2~4
常用n=3
|
|||||||||
|
注:在个别情况下,R,t,b可不按轴径选用。 |
|||||||||||||||
|
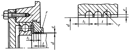
表2 径向密封槽 mm |
|||||||||||||||
|
|
d |
10~50 |
50~80 |
80~110 |
110~180 |
>180 |
|||||||||
|
r |
1 |
1.5 |
2 |
2.5 |
3 |
||||||||||
|
e |
0.2 |
0.3 |
0.4 |
0.5 |
0.5 |
||||||||||
|
t |
t=3r |
||||||||||||||
|
t1 |
t1=2r |
||||||||||||||
|
表3 轴向密封槽 mm |
|||||||||||||||
|
|
d |
e |
f1 |
f2 |
|||||||||||
|
10~50 |
0.2 |
1 |
1.5 |
||||||||||||
|
>50~80 |
0.3 |
1.5 |
2.5 |
||||||||||||
|
>80~110 |
0.4 |
2 |
3 |
||||||||||||
|
>110~180 |
0.5 |
2.5 |
3.5 |
||||||||||||



