|
涨圈密封 |
||||||||
|
表1 结构型式及特点 |
||||||||
|
结构型式 |
特点 |
结构型式 |
特点 |
|||||
|
涨 圈 侧 隙 及 切 口 间 隙 |
|
涨圈的常用外径尺寸30~150mm 切口间隙0.1~0.25mm 侧间隙0.05~0.15mm R3-R2=0.5~0.75mm R1-R0=0.2~1mm |
卸 压 涨 圈 |
|
涨圈的两侧端面上各加工一环槽,两环槽之间有若干个直径等于1mm的小孔相通,使高压腔的介质可以通过小孔而到达低压腔的环槽内。由于p0与Δp方向相反,p0即为其卸荷压力。适用于涨圈两端压差很大的情况,可避免涨圈摩擦面很快磨损 |
|||
|
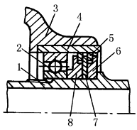
重 叠 涨 圈 |
1—轴;2—壳体;3—涨圈; 4—内环 |
是针对直切口间隙有泄漏而采取的补救办法。图a 所示结构的特点是在一个涨圈槽内装两个直切口的涨圈,两涨圈的切口错开180°,结构很简单,密封效果比单个涨圈好,但仍不能保证压差较大时密封可靠 图b 比图a 增加一个带切口间隙的弹性内环4,可完全封住涨圈切口间隙的泄漏 |
||||||
|
引 油 涨 圈 |
1—轴;2—壳体;3—衬套; 4—涨圈;5—涨圈槽体 |
从静止的壳体 2 引润滑油到旋转轴 1 的密封装置。壳体与轴上设有衬套 3 和涨圈槽体 5,磨损后便于更换 |
||||||
|
涨 圈 设 置 位 置 |
1—轴; 2—涨圈; 3—壳体 |
图a 为涨圈槽设在轴上 图b 为涨圈槽设在壳体上 |
||||||
|
封 油 涨 圈 |
1—轴;2—轴承;3—壳体;4—衬套; 5—涨圈;6—外涨圈槽体; 7—隔板;8—内涨圈槽体 |
用在轴承封油装置。涨圈5在装配状态下的切口间隙为0.2mm,端面侧间隙为0.15mm,摩擦面切向速度为24m/s |
||||||
|
切 口 型 式 |
|
直切口(图a)。加工简单,用得最多,但容易泄漏 搭接切口(图b~图d)。密封性能好,但加工困难,只用在要求特别高的情况下 |
||||||
|
注: 表中切口间隙数值为工作状态时的切口热间隙,由此推算室温装配时的切口冷间隙。 |
||||||||
|
表2 涨圈弹力和摩擦功率的计算 |
||||||||
|
项目 |
计算公式 |
说明 |
||||||
|
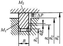
端面摩擦力矩T1/N·mm |
|
f1——端面摩擦因数,f1=0.01~0.05 f2——外圆摩擦因数 Δp——涨圈两端的压差,MPa E——弹性模量,MPa f0——切口间隙与装配间隙之差,f0近似等于切口间隙,mm n——轴的转速,r/min R1、R2、R3、B见图,mm |
||||||
|
外圆摩擦力矩T2/N·mm |
|
|||||||
|
涨圈平均弹力p2/MPa |
假设f2=f1 |
|||||||
|
切口间隙f0/mm |
|
|||||||
|
摩擦功率N/kW |
|
|||||||
|
注:1.涨圈弹力设计应考虑当轴旋转时,涨圈应依靠自身弹力卡紧在壳体上,保证涨圈不随轴转动,即T2≥1.2T1。弹力p2按此前提推算出。 2.切口间隙是指自由状态下的切口间隙。 |
||||||||
|
||||||||









