|
工作原理 |
|
|
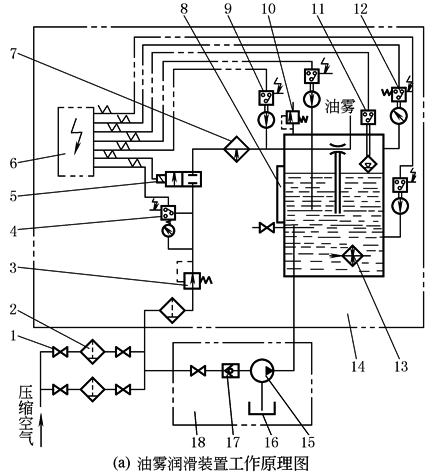
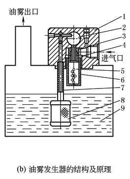
油雾润滑是一种较先进的稀油集中润滑方式,已成功地应用于滚动轴承、滑动轴承、齿轮、蜗轮、链轮及滑动导轨等各种摩擦副。在冶金机械中有多种轧机的轴承采用油雾润滑,如带钢轧机的支承辊轴承,四辊冷轧机的工作辊和支承辊轴承,以及高速线材轧机的滚动导卫等的润滑。 工作原理 油雾润滑装置工作原理如下图a 所示,当电磁阀5 通电接通后,压缩空气经分水滤气器2 过滤,进入调压阀3 减压,使压力达到工作压力,经减压后的压缩空气,经电磁阀5,空气加热器7 进入油雾发生器,如下图b 所示,在发生器体内,沿喷嘴的进气孔进入喷嘴内腔,并经文氏管喷出高速气流,进入雾化室产生文氏效应,这时真空室内产生负压,并使润滑油经滤油器、喷油管吸入真空室,然后滴入文氏管中,油滴被气流喷碎成不均匀的油粒,再从喷雾罩的排雾孔进入储油器的上部,大的油粒在重力作用下落回到储油器下部的油中,只有小于3μm 的微小油粒留在气体中形成油雾,油雾经油雾装置出口排出,通过系统管路及凝缩嘴送至润滑点。 这种型式的油雾装置配置有空气加热器,使油雾浓度大大提高,在空气压力过低,油雾压力过高的故障状态下可进行声光报警。 在油雾的形成、输送、凝缩、润滑过程中的较佳参数如下:油雾颗粒的直径一般为1~3μm;空气管线压力为0.3~0.5MPa;油雾浓度(在标准状况下,每立方米油雾中的含油量)为3~12g/m3;油雾在管道中的输送速度为5~7m/s;输送距离一般不超过30m;凝缩嘴根据摩擦副的不同,与摩擦副保持5~25mm的距离。 |
|
|
1—阀;2—分水滤气器;3—调压阀;4—气压控制器;5—电磁阀; 6—电控箱;7—空气加热器;8—油位计;9—温度控制器;10—安全阀; 11—油位控制器;12—雾压控制器;13—油加热器;14—油雾润滑装置; 15—气动加油泵;16—储油器;17—单向阀;18—加油系统 |
1—油雾发生器体;2—真空室;3—喷嘴; 4—文氏管;5—雾化室;6—喷雾罩; 7—喷油管;8—滤油器;9—储油器 |
|
油雾润滑装置工作原理图 |
|


