|
20MPa插入焊接式钢管管接头 mm |
||||||||||||||||||||||||||
|
焊 接 三 通 |
|
代号 |
管子外径 |
|
D1 |
L |
L1 |
质量 /kg |
||||||||||||||||||
|
兴科 |
南润 |
兴科 |
南润 |
兴科 |
南润 |
兴科 |
南润 |
|||||||||||||||||||
|
H1.12-1 |
QN147-1 |
18 |
18.5 |
27 |
32 |
27 |
29 |
13 |
16 |
0.18 |
||||||||||||||||
|
H1.12-2 |
QN147-2 |
22 |
22.5 |
33 |
36 |
29 |
35 |
13 |
21 |
0.27 |
||||||||||||||||
|
H1.12-3 |
QN147-3 |
28 |
28.5 |
39 |
42 |
35 |
39 |
16 |
24 |
0.46 |
||||||||||||||||
|
H1.12-4 |
QN147-4 |
34 |
34.5 |
47 |
50 |
39 |
45 |
17 |
29 |
0.59 |
||||||||||||||||
|
H1.12-5 |
QN147-5 |
42 |
42.5 |
57 |
60 |
45 |
52 |
18 |
34 |
0.62 |
||||||||||||||||
|
H1.12-6 |
QN147-6 |
48 |
48.5 |
63 |
66 |
52 |
61 |
20 |
41 |
1.35 |
||||||||||||||||
|
H1.12-7 |
QN147-7 |
60 |
61 |
76 |
80 |
61 |
80 |
23 |
63 |
2.20 |
||||||||||||||||
|
焊 接 弯 头 |
|
H1.13-1 |
QN148-1 |
18 |
18.5 |
27 |
30 |
26.5 |
29 |
13 |
13 |
0.17 |
||||||||||||||
|
H1.13-2 |
QN148-2 |
22 |
22.5 |
33 |
36 |
29 |
35 |
13 |
16 |
0.27 |
||||||||||||||||
|
H1.13-3 |
QN148-3 |
28 |
28.5 |
39 |
42 |
35 |
39 |
16 |
17 |
0.41 |
||||||||||||||||
|
H1.13-4 |
QN148-4 |
34 |
34.5 |
47 |
50 |
39 |
45 |
17 |
18 |
0.68 |
||||||||||||||||
|
H1.13-5 |
QN148-5 |
42 |
42.5 |
57 |
60 |
45 |
52 |
18 |
20 |
1.12 |
||||||||||||||||
|
H1.13-6 |
QN148-6 |
48 |
48.5 |
63 |
66 |
52 |
61 |
20 |
23 |
1.26 |
||||||||||||||||
|
H1.13-7 |
QN148-7 |
60 |
61 |
76 |
80 |
61 |
72 |
23 |
26 |
1.8 |
||||||||||||||||
|
焊 接 直 通 |
|
H1.14-1 |
QN149-1 |
18 |
18.5 |
30 |
28 |
32 |
|
12 |
|
0.12 |
||||||||||||||
|
H1.14-2 |
QN149-2 |
22 |
22.5 |
35 |
33 |
36 |
13 |
0.19 |
||||||||||||||||||
|
H1.14-3 |
QN149-3 |
28 |
28.5 |
40 |
39 |
42 |
16 |
0.35 |
||||||||||||||||||
|
H1.14-4 |
QN149-4 |
34 |
34.5 |
48 |
47 |
46 |
17 |
0.41 |
||||||||||||||||||
|
H1.14-5 |
QN149-5 |
42 |
42.5 |
60 |
57 |
48 |
18 |
0.61 |
||||||||||||||||||
|
H1.14-6 |
QN149-6 |
48 |
48.5 |
65 |
63 |
54 |
20 |
0.72 |
||||||||||||||||||
|
H1.14-7 |
QN149-7 |
60 |
61 |
80 |
76 |
62 |
23 |
1.38 |
||||||||||||||||||
|
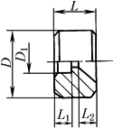
焊 接 变 径 直 通 |
|
代号 |
管子外径 |
D |
|
|
L |
L1 |
L2 |
质量 /kg |
||||||||||||||||
|
兴科 |
南润 |
|||||||||||||||||||||||||
|
H1.15-1 |
QN150-1 |
78×14 |
30 |
18.15 |
14.5 |
32 |
12 |
10 |
0.16 |
|||||||||||||||||
|
H1.15-2 |
QN150-2 |
22×18 |
35 |
22.5 |
18.5 |
36 |
13 |
12 |
0.20 |
|||||||||||||||||
|
H1.15-3 |
QN150-3 |
28×18 |
40 |
28.5 |
18.5 |
42 |
16 |
12 |
0.30 |
|||||||||||||||||
|
H1.15-4 |
QN150-4 |
28×22 |
40 |
28.5 |
22.5 |
42 |
16 |
13 |
0.28 |
|||||||||||||||||
|
H1.15-5 |
QN150-5 |
34×22 |
48 |
34.5 |
22.5 |
46 |
17 |
13 |
0.52 |
|||||||||||||||||
|
H1.15-6 |
QN150-6 |
34×28 |
48 |
34.5 |
28.5 |
46 |
17 |
16 |
0.48 |
|||||||||||||||||
|
H1.15-7 |
QN150-7 |
42×28 |
60 |
42.5 |
28.5 |
48 |
18 |
16 |
0.76 |
|||||||||||||||||
|
H1.15-8 |
QN150-8 |
42×34 |
60 |
42.5 |
34.5 |
48 |
18 |
17 |
0.69 |
|||||||||||||||||
|
H1.15-9 |
QN150-9 |
48×34 |
65 |
48.5 |
34.5 |
54 |
20 |
17 |
0.95 |
|||||||||||||||||
|
H1.15-10 |
QN150-10 |
48×42 |
65 |
48.5 |
42.5 |
54 |
20 |
18 |
1.17 |
|||||||||||||||||
|
H1.15-11 |
QN150-11 |
60×42 |
80 |
61 |
42.5 |
62 |
23 |
18 |
1.70 |
|||||||||||||||||
|
焊 接 变 径 接 头 |
|
代号 |
管子外径 内径 |
|
|
L1 |
L2 |
L |
质量 /kg |
|||||||||||||||||
|
兴科 |
南润 |
兴科 |
南润 |
|||||||||||||||||||||||
|
H1.16-1 |
QN152-1 |
22×18 |
22 |
18.5 |
13 |
11 |
17 |
34 |
0.07 |
|||||||||||||||||
|
H1.16-2 |
QN152-2 |
28×18 |
28 |
18.5 |
13 |
11 |
9 |
25 |
0.08 |
|||||||||||||||||
|
H1.16-3 |
QN152-3 |
34×18 |
34 |
18.5 |
13 |
11 |
9 |
25 |
0.15 |
|||||||||||||||||
|
H1.16-4 |
QN152-4 |
42×18 |
42 |
18.5 |
13 |
11 |
11 |
26 |
0.25 |
|||||||||||||||||
|
H1.16-5 |
QN152-5 |
48×18 |
48 |
18.5 |
13 |
12 |
13 |
29 |
0.41 |
|||||||||||||||||
|
H1.16-6 |
QN152-6 |
28×22 |
28 |
22.5 |
13 |
13 |
20 |
38 |
0.13 |
|||||||||||||||||
|
H1.16-7 |
QN152-7 |
34×22 |
34 |
22.5 |
13 |
13 |
9 |
25 |
0.13 |
|||||||||||||||||
|
H1.16-8 |
QN152-8 |
42×22 |
42 |
22.5 |
13 |
13 |
9 |
26 |
0.25 |
|||||||||||||||||
|
H1.16-9 |
QN152-9 |
48×22 |
48 |
22.5 |
13 |
14 |
11 |
29 |
0.31 |
|||||||||||||||||
|
H1.16-10 |
QN152-10 |
34×28 |
34 |
28.5 |
16 |
16 |
19 |
42 |
0.30 |
|||||||||||||||||
|
H1.16-11 |
QN152-11 |
42×28 |
42 |
28.5 |
16 |
16 |
12 |
48 |
0.34 |
|||||||||||||||||
|
H1.16-12 |
QN152-12 |
48×28 |
48 |
28.5 |
16 |
16 |
10 |
29 |
0.36 |
|||||||||||||||||
|
活 接 头 |
|
代号 |
管子 外径 |
|
D1 |
D2 |
L |
L1 |
L2 |
S |
D3 |
C |
质量 /kg |
|||||||||||||
|
兴科 |
南润 |
|||||||||||||||||||||||||
|
YF02.1 |
QN107-1 |
14 |
14.5 |
22 |
24 |
38 |
18 |
10 |
32 |
36.9 |
21 |
0.152 |
||||||||||||||
|
YF02.2 |
QN107-2 |
18 |
18.5 |
27 |
30 |
38 |
18 |
10 |
41 |
47.3 |
26 |
0.262 |
||||||||||||||
|
YF02.3 |
QN107-3 |
22 |
22.5 |
32 |
35 |
44 |
20 |
10 |
50 |
57.7 |
32 |
0.367 |
||||||||||||||
|
YF02.4 |
QN107-4 |
28 |
28.5 |
38 |
42 |
50 |
26 |
13 |
60 |
69.3 |
38 |
0.686 |
||||||||||||||
|
YF02.5 |
QN107-5 |
34 |
34.5 |
47 |
52 |
50 |
26 |
13 |
70 |
80.8 |
46 |
1.02 |
||||||||||||||
|
注:生产厂有启东市南方润滑液压设备有限公司(简称南润),太原市兴科机电研究所(简称兴科),盐城蒙塔液压机械有限公司(订货时写明管接头名称及管子外径)。 |
||||||||||||||||||||||||||






