|
20MPa螺纹连接式钢管管接头 mm |
|||||||||||||||||||||||||||||||||
|
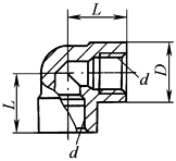
三
通 |
|
代号 |
公称通径 DN |
d |
D |
L |
L1 |
质量 /kg |
|||||||||||||||||||||||||
|
QN126-1 |
H1.1-1 |
8 |
Rc1/4 |
23 |
46 |
23 |
0.18 |
||||||||||||||||||||||||||
|
QN126-2 |
H1.1-2 |
10 |
Rc3/8 |
25 |
50 |
25 |
0.25 |
||||||||||||||||||||||||||
|
QN126-3 |
H1.1-3 |
15 |
Rc1/2 |
33 |
58 |
29 |
0.36 |
||||||||||||||||||||||||||
|
QN126-4 |
H1.1-4 |
20 |
Rc3/4 |
38 |
66 |
33 |
0.47 |
||||||||||||||||||||||||||
|
QN126-5 |
H1.1-5 |
25 |
Rc1 |
48 |
78 |
39 |
0.61 |
||||||||||||||||||||||||||
|
异 径 三 通 |
|
代号 |
公称通径 DN×DN1×DN2 |
d |
d1 |
d2 |
D |
L |
L1 |
质量 /kg |
|||||||||||||||||||||||
|
QN127-1 |
H1.2-1 |
10×15×15 |
Rc3/8 |
Rc1/2 |
Rc1/2 |
33 |
58 |
29 |
0.32 |
||||||||||||||||||||||||
|
QN127-2 |
H1.2-2 |
10×20×20 |
Rc3/8 |
Rc3/4 |
Rc3/4 |
38 |
66 |
32 |
0.45 |
||||||||||||||||||||||||
|
弯
头 |
|
代号 |
公称通径 DN |
d |
D |
L |
质量 /kg |
||||||||||||||||||||||||||
|
QN128-1 |
H1.3-1 |
8 |
Rc1/4 |
23 |
23 |
0.07 |
|||||||||||||||||||||||||||
|
QN128-2 |
H1.3-2 |
10 |
Rc3/8 |
25 |
25 |
0.11 |
|||||||||||||||||||||||||||
|
QN128-3 |
H1.3-3 |
15 |
Rc1/2 |
33 |
29 |
0.26 |
|||||||||||||||||||||||||||
|
QN128-4 |
H1.3-4 |
20 |
Rc3/4 |
38 |
33 |
0.39 |
|||||||||||||||||||||||||||
|
QN128-5 |
H1.3-5 |
25 |
Rc1 |
48 |
39 |
0.66 |
|||||||||||||||||||||||||||
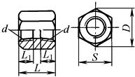
|
外 接 头 |
|
代号 |
公称通径 DN |
d |
L |
L1 |
S |
D |
质量 /kg |
||||||||||||||||||||||||
|
QN129-1 |
H1.4-1 |
8 |
Rc1/4 |
25 |
11 |
22 |
25.4 |
0.06 |
|||||||||||||||||||||||||
|
QN129-2 |
H1.4-2 |
10 |
Rc3/8 |
30 |
12 |
27 |
31.2 |
0.1 |
|||||||||||||||||||||||||
|
QN129-3 |
H1.4-3 |
15 |
Rc1/2 |
35 |
15 |
32 |
37 |
0.16 |
|||||||||||||||||||||||||
|
QN129-4 |
H1.4-4 |
20 |
Rc3/4 |
40 |
17 |
36 |
41.6 |
0.19 |
|||||||||||||||||||||||||
|
QN129-5 |
H1.4-5 |
25 |
Rc1 |
48 |
19 |
46 |
53.1 |
0.27 |
|||||||||||||||||||||||||
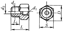
|
内 接 头 |
|
代号 |
公称通径 DN |
d |
d1 |
L |
L1 |
S |
D |
质量 /kg |
|||||||||||||||||||||||
|
QN130-1 |
H1.5-1 |
8 |
R1/4 |
8 |
34 |
13 |
17 |
19.6 |
0.02 |
||||||||||||||||||||||||
|
QN130-2 |
H1.5-2 |
10 |
R3/8 |
10 |
37 |
14 |
22 |
25.4 |
0.03 |
||||||||||||||||||||||||
|
QN130-3 |
H1.5-3 |
15 |
R1/2 |
15 |
48 |
18 |
27 |
31.2 |
0.09 |
||||||||||||||||||||||||
|
QN130-4 |
H1.5-4 |
20 |
R3/4 |
20 |
52 |
20 |
32 |
37 |
0.12 |
||||||||||||||||||||||||
|
QN130-5 |
H1.5-5 |
25 |
R1 |
25 |
62 |
30 |
36 |
41.6 |
0.23 |
||||||||||||||||||||||||
|
QN130-6 |
H1.5-6 |
8(长) |
R1/4 |
8 |
75 |
13 |
17 |
19.6 |
0.13 |
||||||||||||||||||||||||
|
QN130-7 |
H1.5-7 |
10(长) |
R3/8 |
10 |
80 |
14 |
22 |
25.4 |
0.18 |
||||||||||||||||||||||||
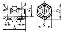
|
内 外 接 头 |
|
代号 |
公称通径 DN×DN |
d |
d1 |
d2 |
L |
L1 |
D |
S |
质量 /kg |
||||||||||||||||||||||
|
QN131-1 |
H1.6-1 |
10×8 |
R3/8 |
Rc1/4 |
8 |
30 |
14 |
25.4 |
22 |
0.04 |
|||||||||||||||||||||||
|
QN131-2 |
H1.6-2 |
15×10 |
R1/2 |
Rc3/8 |
10 |
36 |
18 |
31.2 |
27 |
0.08 |
|||||||||||||||||||||||
|
QN131-3 |
H1.6-3 |
20×10 |
R3/4 |
Rc3/8 |
10 |
36 |
20 |
37 |
32 |
0.15 |
|||||||||||||||||||||||
|
QN131-4 |
H1.6-4 |
20×15 |
R3/4 |
Rc1/2 |
15 |
42 |
20 |
37 |
32 |
0.21 |
|||||||||||||||||||||||
|
QN131-5 |
H1.6-5 |
25×15 |
R1 |
Rc1/2 |
15 |
50 |
30 |
41.6 |
36 |
0.31 |
|||||||||||||||||||||||
|
活 接 头 |
|
代号 |
公称通径 DN |
d |
L |
D |
S |
S1 |
质量 /kg |
||||||||||||||||||||||||
|
QN106-1 |
YF01.1 |
8 |
Rc1/4 |
38 |
36.9 |
32 |
19 |
0.16 |
|||||||||||||||||||||||||
|
QN106-2 |
YF01.2 |
10 |
Rc3/8 |
38 |
41.6 |
36 |
22 |
0.19 |
|||||||||||||||||||||||||
|
QN106-3 |
YF01.3 |
15 |
Rc1/2 |
44 |
53.1 |
46 |
27 |
0.33 |
|||||||||||||||||||||||||
|
QN106-4 |
YF01.4 |
20 |
Rc3/4 |
50 |
62.4 |
54 |
32 |
0.51 |
|||||||||||||||||||||||||
|
QN106-5 |
YF01.5 |
25 |
Rc1 |
60 |
75 |
65 |
46 |
0.81 |
|||||||||||||||||||||||||
|
直 角 接 头 体 |
|
代号 |
d |
d1 |
L |
H |
H1 |
H2 |
质量 /kg |
||||||||||||||||||||||||
|
QN144-1 |
H1.7-1 |
R1/8 |
Rc1/8 |
16 |
26 |
10 |
18.5 |
0.03 |
|||||||||||||||||||||||||
|
QN144-2 |
H1.7-2 |
R1/4 |
Rc1/4 |
22 |
41 |
19 |
30 |
0.07 |
|||||||||||||||||||||||||
|
QN144-3 |
H1.7-3 |
R3/8 |
Rc3/8 |
25.4 |
45 |
19.6 |
32.5 |
0.11 |
|||||||||||||||||||||||||
|
QN144-4 |
H1.7-4 |
R1/2 |
Rc1/2 |
30 |
54 |
24 |
40 |
0.17 |
|||||||||||||||||||||||||
|
QN144-5 |
H1.7-5 |
R3/4 |
Rc3/4 |
32 |
60 |
28 |
45 |
0.23 |
|||||||||||||||||||||||||
|
QN144-6 |
H1.7-6 |
R1 |
Rc1 |
40 |
72 |
32 |
52 |
0.32 |
|||||||||||||||||||||||||
|
直 角 接 头 体 (长) |
|
QN145-1 |
H1.8-1 |
R1/8 |
Rc1/8 |
16 |
68 |
52 |
60 |
0.28 |
|||||||||||||||||||||||
|
QN145-2 |
H1.8-2 |
R1/4 |
Rc1/4 |
22 |
83 |
61 |
72 |
0.30 |
|||||||||||||||||||||||||
|
QN145-3 |
H1.8-3 |
R3/8 |
Rc3/8 |
25.4 |
90 |
64.6 |
77.3 |
0.33 |
|||||||||||||||||||||||||
|
QN145-4 |
H1.8-4 |
R1/2 |
Rc1/2 |
30 |
98 |
68 |
83 |
0.38 |
|||||||||||||||||||||||||
|
QN145-5 |
H1.8-5 |
R3/4 |
Rc3/4 |
32 |
102 |
70 |
86 |
0.44 |
|||||||||||||||||||||||||
|
注:1.启东市南方润滑液压设备有限公司的异径三通(代号:QN×××-×)公称通径尚有10×10×15,10×10×20,15×15×20,15×10×10,15×20×20,20×10×10,20×15×15。 2.生产厂有启东市南方润滑液压设备有限公司,太原市兴科机电研究所(代号:H×.×-×及YF0×.×),盐城蒙塔液压机械有限公司(订货时写明管接头名称及管子外径),启东中冶润滑设备有限公司。 |
|||||||||||||||||||||||||||||||||









