|
液压软管接头(GB/T 9065.1~9065.3—1988) mm |
|||||||||||||||||||||
|
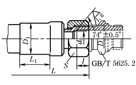
结构 |
|
|
|
||||||||||||||||||
|
A型(GB/T 9065.1—1988)扩口式接头用 |
B型(GB/T 9065.2—1988)卡套式接头用 |
C型(GB/T 9065.3—1988)焊接式接头用 |
|||||||||||||||||||
|
胶管按GB/T 3683《钢丝增强液压橡胶软管》的规定。适用介质温度为:油,-30~80℃;空气,-30~50℃;水,80℃以下。使用胶管推荐长度同表锥密封钢丝编织胶管总成及其附注 |
|||||||||||||||||||||
|
尺寸 |
胶管内径 |
公称 通径 |
工作压力/MPa |
D |
d0≈ |
D0 |
D1 |
l |
L1 |
s |
|||||||||||
|
胶管层数 |
A型 |
C型 |
A、 B型 |
C型 |
Ⅰ |
Ⅱ |
Ⅲ |
A型 |
B型 min |
C型 |
A型 |
B型 |
C型 |
||||||||
|
Ⅰ |
Ⅱ、Ⅲ |
||||||||||||||||||||
|
6.3 |
6 |
20 |
35 |
M14×1.5 |
— |
4 |
— |
8 |
17 |
18.7 |
20.5 |
9 |
28 |
8.5 |
27 |
18 |
8 |
— |
|||
|
8 |
8 |
17.5 |
32 |
M16×1.5 |
M16×1.5 |
6 |
6 |
10 |
19 |
20.7 |
22.5 |
10 |
30 |
8.5 |
27 |
21 |
10 |
21 |
|||
|
10 |
10 |
16 |
28 |
M18×1.5 |
— |
7.5 |
— |
12 |
21 |
22.7 |
24.5 |
10 |
30 |
8.5 |
27 |
24 |
12 |
— |
|||
|
12.5 |
10 |
14 |
25 |
M22×1.5 |
M22×1.5 |
10 |
10 |
14 |
25.2 |
28 |
29.5 |
11 |
32 |
10 |
31 |
27 |
14 |
27 |
|||
|
16 |
15 |
10.5 |
20 |
M27×1.5 |
M27×1.5 |
13 |
12 |
18 |
28.2 |
31 |
32.5 |
11 |
32 |
10 |
31 |
32 |
17 |
34 |
|||
|
注:生产厂有太原市兴科机电研究所,盐城蒙塔液压机械有限公司,启东中冶润滑设备有限公司。 |
|||||||||||||||||||||



