|
衬板与法兰 mm |
|||||||||||||||||||||
|
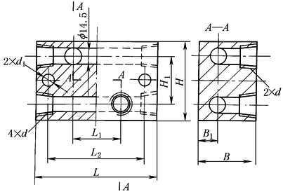
20MPa 双通衬板 (JB/ZQ 4576—1997) |
|
1.适用于20MPa油脂润滑系统。 2.标记示例:连接螺纹为Rc3/8的双通衬板,标记为 衬板 Rc3/8 JB/ZQ 4576—1997 |
|||||||||||||||||||
|
公称通径 DN |
d |
L |
B |
H |
L2 |
L1 |
B1 |
H1 |
d1 |
质量 /kg |
安装螺栓 |
||||||||||
|
8 |
Rc1/4 |
102 |
38 |
68 |
84 |
40 |
16 |
42 |
8.5 |
1.92 |
M8×60 |
||||||||||
|
10 |
Rc3/8 |
70 |
1.93 |
||||||||||||||||||
|
15 |
Rc1/2 |
150 |
50 |
98 |
110 |
50 |
20 |
60 |
12.5 |
5.84 |
M12×80 |
||||||||||
|
20 |
Rc1/4 |
160 |
54 |
114 |
130 |
26 |
70 |
6.21 |
M12×90 |
||||||||||||
|
20MPa直角法兰(JB/ZQ 4577—1997) |
|
1.适用于20MPa油脂润滑系统。 2.材质:35钢。 3.标记示例:公称通径DN=8mm,连接螺纹为Rc1/4的直角法兰,标记为 法兰 Rc1/4 JB/ZQ 4577—1997 |
|||||||||||||||||||
|
公称通径 DN |
d |
L1 |
L2 |
B1 |
B2 |
H1 |
H2 |
H3 |
D |
质量 /kg |
|||||||||||
|
6 |
Rc1/8 |
40 |
10 |
24 |
9 |
40 |
20 |
10 |
9 |
0.18 |
|||||||||||
|
8 |
Rc1/4 |
44 |
10 |
28 |
11 |
44 |
24 |
13 |
0.30 |
||||||||||||
|
10 |
Rc3/8 |
60 |
14 |
36 |
16 |
60 |
35 |
20 |
0.81 |
||||||||||||
|
15 |
Rc1/2 |
65 |
15 |
40 |
20 |
65 |
40 |
20 |
1.73 |
||||||||||||
|
20 |
Rc1/4 |
66 |
2 |
53 |
21 |
90 |
48 |
27 |
2.14 |
||||||||||||
|
注:生产厂有启东市南方润滑液压设备有限公司,太原矿山机器润滑液压设备有限公司,太原市兴科机电研究所,启东江海液压润滑设备厂,启东润滑设备有限公司,启东中冶润滑设备有限公司。 |
|||||||||||||||||||||


