|
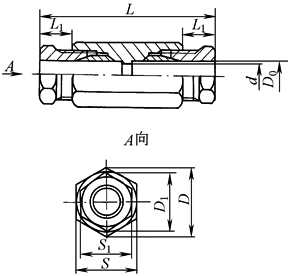
20MPa管接头 mm |
||||||||||||||||||||||||||||||||||||||||||||||||||||||
|
|
|
管子外径 D0 |
d |
L |
L1 |
S |
D |
S1 |
D1 |
质量 /kg |
||||||||||||||||||||||||||||||||||||||||||||
|
6 |
4 |
40 |
6 |
14 |
16.2 |
10 |
11.2 |
0.043 |
||||||||||||||||||||||||||||||||||||||||||||||
|
8 |
6 |
50 |
7 |
17 |
19.2 |
14 |
16.2 |
0.078 |
||||||||||||||||||||||||||||||||||||||||||||||
|
10 |
8 |
52 |
8 |
19 |
21.9 |
17 |
19.2 |
0.11 |
||||||||||||||||||||||||||||||||||||||||||||||
|
14 |
10 |
70 |
13 |
24 |
27.7 |
19 |
21.9 |
0.18 |
||||||||||||||||||||||||||||||||||||||||||||||
|
1.管子按GB/T 1527—1997《铜及铜合金拉制管》选用 2.适用于20MPa油脂润滑系统 3.标记示例:管子外径D06mm的直通管接头,标记为 管接头 6 JB/ZQ 4570—2006 |
||||||||||||||||||||||||||||||||||||||||||||||||||||||
|
|
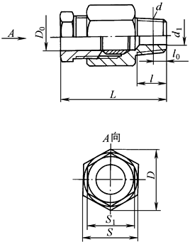
1.管子按GB/T 1527—1997《铜及铜合金拉制管》选用 2.适用于20MPa油脂润滑系统 3.标记示例:管子外径D010mm,连接螺纹为R1/4的管接头,标记为 管接头 10-R1/4 JB/ZQ 4569—2006 |
管子外径 D0 |
d |
d1 |
L |
l |
l0 |
S |
D |
S1 |
质量 /kg |
|||||||||||||||||||||||||||||||||||||||||||
|
6 |
R1/8 |
4 |
30 |
7 |
4 |
14 |
16.2 |
10 |
0.022 |
|||||||||||||||||||||||||||||||||||||||||||||
|
R1/4 |
10 |
6 |
0.028 |
|||||||||||||||||||||||||||||||||||||||||||||||||||
|
R3/8 |
12 |
6.4 |
0.046 |
|||||||||||||||||||||||||||||||||||||||||||||||||||
|
8 |
R1/8 |
38 |
7 |
4 |
17 |
19.6 |
14 |
0.044 |
||||||||||||||||||||||||||||||||||||||||||||||
|
R1/4 |
6 |
10 |
6 |
0.045 |
||||||||||||||||||||||||||||||||||||||||||||||||||
|
R3/8 |
34 |
12 |
6.4 |
0.051 |
||||||||||||||||||||||||||||||||||||||||||||||||||
|
R1/2 |
14 |
8.2 |
0.081 |
|||||||||||||||||||||||||||||||||||||||||||||||||||
|
10 |
R1/8 |
4 |
38 |
7 |
4 |
19 |
21.9 |
17 |
0.059 |
|||||||||||||||||||||||||||||||||||||||||||||
|
R1/4 |
6 |
10 |
6 |
0.058 |
||||||||||||||||||||||||||||||||||||||||||||||||||
|
R3/8 |
8 |
36 |
12 |
6.4 |
0.058 |
|||||||||||||||||||||||||||||||||||||||||||||||||
|
R1/2 |
14 |
8.2 |
0.083 |
|||||||||||||||||||||||||||||||||||||||||||||||||||
|
14 |
R1/8 |
4 |
48 |
7 |
4 |
24 |
27.7 |
22 |
0.082 |
|||||||||||||||||||||||||||||||||||||||||||||
|
R1/4 |
6 |
10 |
6 |
0.096 |
||||||||||||||||||||||||||||||||||||||||||||||||||
|
R3/8 |
8 |
12 |
6.4 |
0.1 |
||||||||||||||||||||||||||||||||||||||||||||||||||
|
R1/2 |
10 |
46 |
14 |
8.2 |
0.098 |
|||||||||||||||||||||||||||||||||||||||||||||||||
|
R3/4 |
12 |
16 |
9.5 |
30 |
34.6 |
0.116 |
||||||||||||||||||||||||||||||||||||||||||||||||
|
|
1.管子按GB/T 1527—1997《铜及铜合金拉制管》选用 2.适用于20MPa油脂润滑系统 3.标记示例:管子外径D06mm,连接螺纹为R的直角管接头,标记为 管接头 6-R1/4 JB/ZQ 4571—2006 |
管子外径 D0 |
d |
L |
B |
H |
L1 |
H1 |
l |
l0 |
S |
D |
质量 /kg |
|||||||||||||||||||||||||||||||||||||||||
|
6 |
R1/8 |
25 |
12 |
22 |
11 |
16 |
7 |
4 |
10 |
11.5 |
0.042 |
|||||||||||||||||||||||||||||||||||||||||||
|
R1/4 |
33 |
14 |
28 |
18 |
21 |
10 |
6 |
0.046 |
||||||||||||||||||||||||||||||||||||||||||||||
|
8 |
R1/8 |
37 |
20 |
35 |
25 |
7 |
4 |
14 |
16.2 |
0.076 |
||||||||||||||||||||||||||||||||||||||||||||
|
R1/4 |
10 |
6 |
0.086 |
|||||||||||||||||||||||||||||||||||||||||||||||||||
|
R3/8 |
12 |
6.4 |
0.096 |
|||||||||||||||||||||||||||||||||||||||||||||||||||
|
10 |
R1/8 |
38 |
7 |
4 |
17 |
19.6 |
0.085 |
|||||||||||||||||||||||||||||||||||||||||||||||
|
R1/4 |
10 |
6 |
0.095 |
|||||||||||||||||||||||||||||||||||||||||||||||||||
|
R3/8 |
12 |
6.4 |
0.105 |
|||||||||||||||||||||||||||||||||||||||||||||||||||
|
14 |
R1/4 |
48 |
24 |
45 |
28 |
35 |
10 |
6 |
24 |
27.7 |
0.13 |
|||||||||||||||||||||||||||||||||||||||||||
|
R3/8 |
12 |
6.4 |
0.15 |
|||||||||||||||||||||||||||||||||||||||||||||||||||
|
R1/2 |
14 |
8.2 |
0.16 |
|||||||||||||||||||||||||||||||||||||||||||||||||||
|
|
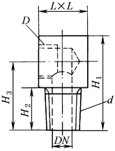
1.适用于20MPa油脂润滑系统 2.标记示例:公称通径DN=6mm,连接螺纹为R1/8的等径直角螺纹接头,标记为 直角接头 R1/8 JB/ZQ 4572—2006 |
公称通径 DN |
D |
d |
H1 |
H2 |
H3 |
L |
质量 /kg |
|||||||||||||||||||||||||||||||||||||||||||||
|
6 |
Rc1/8 |
R1/8 |
30 |
14 |
22 |
16 |
0.03 |
|||||||||||||||||||||||||||||||||||||||||||||||
|
8 |
Rc1/4 |
R1/4 |
41 |
19 |
30 |
22 |
0.07 |
|||||||||||||||||||||||||||||||||||||||||||||||
|
10 |
Rc3/8 |
R3/8 |
46 |
22 |
34 |
24 |
0.11 |
|||||||||||||||||||||||||||||||||||||||||||||||
|
15 |
Rc1/2 |
R1/2 |
55 |
25 |
40 |
30 |
0.17 |
|||||||||||||||||||||||||||||||||||||||||||||||
|
20 |
Rc3/4 |
R3/4 |
60 |
32 |
44 |
32 |
0.23 |
|||||||||||||||||||||||||||||||||||||||||||||||
|
25 |
Rc1 |
R1 |
72 |
40 |
52 |
40 |
0.32 |
|||||||||||||||||||||||||||||||||||||||||||||||
|
|
|
D |
d |
L |
L1 |
S |
质量/kg |
|||||||||||||||||||||||||||||||||||||||||||||||
|
Rc1/8 |
R1/8 |
50 |
10 |
18 |
0.07 |
|||||||||||||||||||||||||||||||||||||||||||||||||
|
Rc1/4 |
R1/4 |
54 |
13 |
24 |
0.181 |
|||||||||||||||||||||||||||||||||||||||||||||||||
|
Rc3/8 |
R3/8 |
56 |
0.187 |
|||||||||||||||||||||||||||||||||||||||||||||||||||
|
1.适用于20MPa油脂润滑系统 2.开启压力0.4MPa 3.标记示例: 连接螺纹为R1/8的正向单向阀接头,标记为 单向阀接头 R1/8-Z JB/ZQ 4573—2006 连接螺纹为R1/8的逆向单向阀接头,标记为 单向阀接头 R1/8-N JB/ZQ 4573—2006 |
||||||||||||||||||||||||||||||||||||||||||||||||||||||
|
|
|
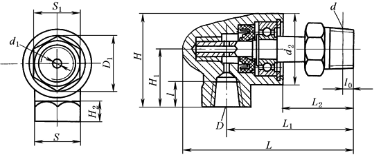
1.适用于20MPa油脂润滑系统 2.标记示例:连接螺纹直径为R1/4的旋转接头,标记为 旋转接头 R1/4 JB/ZQ 4574—2006 |
||||||||||||||||||||||||||||||||||||||||||||||||||||
|
D |
d |
d1 |
L |
d2 |
H |
L1 |
L2 |
l0 |
l |
H1 |
H2 |
S |
S1 |
D1 |
质量/kg |
|||||||||||||||||||||||||||||||||||||||
|
Rc1/4 |
R1/4 |
3 |
69 |
29 |
38.5 |
52 |
29 |
6 |
11 |
24 |
8 |
19 |
14 |
16.2 |
0.17 |
|||||||||||||||||||||||||||||||||||||||
|
R3/8 |
71 |
54 |
31 |
6.4 |
17 |
19.6 |
0.19 |
|||||||||||||||||||||||||||||||||||||||||||||||
|
|
|
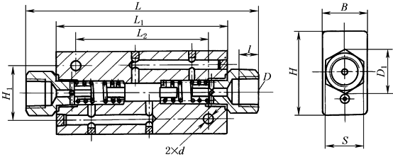
1.适用于20MPa油脂润滑系统。开启压力为0.45MPa 2.标记示例:连接螺纹为Rc3/8的可逆接头,标记为 可逆接头 Rc3/8 JB/ZQ 4575—1997 |
||||||||||||||||||||||||||||||||||||||||||||||||||||||||||||||||||||||||||||||||||||
|
D |
L |
B |
H |
L1 |
L2 |
l |
H1 |
S |
D1 |
d |
质量/kg |
|||||||||||||||||||||||||||||||||||||||||||||||||||||||||||||||||||||||||||
|
Rc3/8 |
154 |
28 |
47 |
110 |
80 |
12 |
30 |
24 |
27.6 |
9 |
1.1 |
|||||||||||||||||||||||||||||||||||||||||||||||||||||||||||||||||||||||||||
|
Rc3/4 |
210 |
40 |
76 |
154 |
120 |
16 |
50 |
34 |
39 |
11 |
1.74 |
|||||||||||||||||||||||||||||||||||||||||||||||||||||||||||||||||||||||||||
|
注:有关生产厂的产品情况如下。
|
||||||||||||||||||||||||||||||||||||||||||||||||||||||||||||||||||||||||||||||||||||||







