|
手动加油泵及电动加油泵 |
|||||||||||||||||||
|
表1 手动加油泵 |
|||||||||||||||||||
|
SJB 型手动加油泵 |
1—吸油阀;2—压油阀;3—活塞; 4—缸筒;5—活塞杆;6—泵头; 7—手柄;8—油筒出口软管(未标) |
型号 |
每循环 加油量 /mL |
工作 压力 /MPa |
油筒 容量 /kg |
手柄作用力 (工作压力下) /N |
质量 /kg |
||||||||||||
|
SJB-J12 |
12.5 |
70 |
18 (18.9L) |
约250 |
8 |
||||||||||||||
|
SJB-J12C |
12 |
||||||||||||||||||
|
SJB-V25 |
25 |
3.15 |
8 |
||||||||||||||||
|
SJB-V25C |
12 |
||||||||||||||||||
|
SJB-D60 |
60 |
0.63 |
8 |
||||||||||||||||
|
SJB-D60C |
12 |
||||||||||||||||||
|
1.按照不同的需要,用户可在出口软管末端自行装设快换接头及注油枪,油筒采用18kg标准润滑脂筒,将油泵盖直接安装在新打开的润滑脂筒上即可使用,摇动手柄润滑脂即被泵出。SJB-D100C1型加油泵不带油筒,将打开的润滑脂筒放在小车上即可使用 2.加油泵出口软管末端为M18×1.5接头螺母(J12、J12C、V25、V25C)、M33×2接头螺母(D100、D100C)、R1/4接头(D100C1) 3.适用于锥入度(25℃,150g)265~385/10mm的润滑脂 4.生产厂有太原矿山机器润滑液压设备有限公司,太原市兴科机电研究所,太原宝太润液设备有限公司,温州市龙湾润滑液压设备厂 |
|||||||||||||||||||
|
2.5MPa SJB-V 型手动加油泵(JB/T 8811.2—1998) |
标记示例:公称压力2.5MPa,每一循环额定出油量25mL的手动加油泵,标记为 SJB-V25 加油泵 JB/T 8811.2—1998 |
公称压力 /MPa |
每循环额 定出油量 /mL |
最大手柄力 /N |
储油器 容积 /L |
质量 /kg |
|||||||||||||
|
2.5(G) |
25 |
≤160 |
20 |
20 |
|||||||||||||||
|
1.适用于锥入度(25℃、150g)为220~385/10mm的润滑脂或黏度不小于46mm2/s的润滑油 2.生产厂:启东市南方润滑液压设备有限公司,南通市南方润滑液压设备有限公司,四川川润股份有限公司,启东江海液压润滑设备厂,启东润滑设备有限公司,上海润滑设备厂,温州市龙湾润滑液压设备厂,启东中冶润滑设备有限公司 |
|||||||||||||||||||
|
表2 电动加油泵 |
|||||||||||||||||||
|
4MPa DJB –H 型电动加油泵(JB/T 8811.1—1998) |
标记示例:公称压力4MPa,额定加油量1.6L/min的电动加油泵,标记为 DJB-H1.6 加油泵 JB/T 8811.1—1998 |
公称压力 /MPa |
额定加油量 /L·min-1 |
储油器容积 /L |
电动机功率 /kW |
质量 /kg |
|||||||||||||
|
4(H) |
1.6 |
200 |
0.37 |
90 |
|||||||||||||||
|
1.适用于锥入度(25℃,150g)不低于220/10mm润滑脂或黏度不小于68mm2/s的润滑油 2.生产厂有太原矿山机器润滑液压设备有限公司,启东市南方润滑液压设备有限公司,南通市南方润滑液压设备有限公司,启东江海液压润滑设备厂,启东润滑设备有限公司,上海润滑设备厂,太原宝太润液设备有限公司,启东中冶润滑设备有限公司 |
|||||||||||||||||||
|
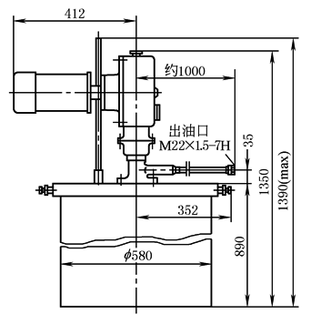
1MPa、2.5MPa DJB 型电动加油泵(JB/ZQ 4543—2006) |
标记示例: 公称压力1MPa,加油量200L/h,不带储油器的电动加油泵,标记为 DJB-F200 电动加油泵 JB/ZQ 4543—2006 |
参数 |
DJB- F200 |
DJB-F200B |
DJB-G70 |
||||||||||||||
|
公称压力 /MPa |
1(F) |
2.5(G) |
|||||||||||||||||
|
加油量 /L·h-1 |
200 |
70 |
|||||||||||||||||
|
柱 塞 泵 |
转速 /r·min-1 |
— |
56 |
||||||||||||||||
|
减速比 |
— |
1∶25 |
|||||||||||||||||
|
电动机 |
型号 |
Y90S-4-B5 |
A02-7124 |
||||||||||||||||
|
转速 /r·min-1 |
1400 |
||||||||||||||||||
|
功率/kW |
1.1 |
0.37 |
|||||||||||||||||
|
储油器容积/L |
— |
270 |
— |
||||||||||||||||
|
减速箱润 滑油黏度 /mm2·s-1 |
— |
— |
>200 |
||||||||||||||||
|
质量/kg |
50 |
138 |
55 |
||||||||||||||||
|
1.DJB-G70工作压力3.15MPa 2.生产厂有启东市南方润滑液压设备有限公司,南通市南方润滑液压设备有限公司,太原矿山机器润滑液压设备有限公司,启东江海液压润滑设备有限公司,启东润滑设备有限公司,上海润滑设备厂,太原宝太润液设备有限公司,温州市龙湾润滑设备厂,四川川润股份有限公司,启东中冶润滑设备有限公司 |
|||||||||||||||||||




