|
其他辅助装置 |
||||||||||||||||||||||||||||||||||||||||||||||||||||||
|
|
|
|||||||||||||||||||||||||||||||||||||||||||||||||||||
|
参数 |
公称压力/MPa |
测定压力/MPa |
压力调整范围/MPa |
公称通径DN/mm |
行程开关 |
质量/kg |
||||||||||||||||||||||||||||||||||||||||||||||||
|
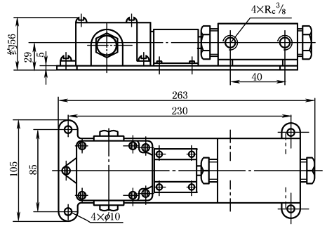
YZF-J4 |
10(J) |
4 |
3.5~4.5 |
10 |
3SE3120—0B |
2.7 |
||||||||||||||||||||||||||||||||||||||||||||||||
|
1.用于双线油脂集中润滑系统 2.标记示例:公称压力10MPa,调定压力4MPa的压力操纵阀,标记为 YZF-J4 操纵阀 JB/ZQ 4533—1997 3.生产厂有太原矿山机器润滑液压设备有限公司,启东市南方润滑液压设备有限公司,南通市南方润滑液压设备有限公司,启东润滑设备有限公司,四川川润股份有限公司,上海润滑设备厂,太原宝太润液设备有限公司,启东中冶润滑设备有限公司 |
||||||||||||||||||||||||||||||||||||||||||||||||||||||
|
|
|
型号 |
管子外径 |
公称压力 /MPa |
d1 |
d2 |
L |
质量 /kg |
||||||||||||||||||||||||||||||||||||||||||||||
|
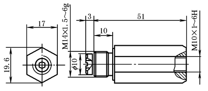
DXF-K8 |
8 |
16(K) |
M10×1-6g |
M14×1.5-6g |
34 |
0.15 |
||||||||||||||||||||||||||||||||||||||||||||||||
|
DXF-K10 |
10 |
M14×1.5-6g |
M16×1.5-6g |
48 |
0.18 |
|||||||||||||||||||||||||||||||||||||||||||||||||
|
DXF-K12 |
12 |
M18×1.5-6g |
M18×1.5-6g |
60 |
0.24 |
|||||||||||||||||||||||||||||||||||||||||||||||||
|
1.适用于锥入度(25℃,150g)250~350/10mm润滑脂或黏度46~150mm2/s的润滑油 2.标记示例:公称压力16MPa,管子外径8mm的单向阀,标记为 DXF-K8 单向阀 JB/ZQ 4552—1997 3.生产厂有启东市南方润滑液压设备有限公司,南通市南方润滑液压设备有限公司,四川川润股份有限公司,启东江海液压润滑设备厂,启东中冶润滑设备有限公司 |
||||||||||||||||||||||||||||||||||||||||||||||||||||||
|
|
生产厂有启东市南方润滑液压设备有限公司,南通市南方润滑液压设备有限公司,四川川润股份有限公司,启东江海液压润滑设备厂,启东中冶润滑设备有限公司 |
型号 |
公称压力 /MPa |
调定压力 /MPa |
质量 /kg |
|||||||||||||||||||||||||||||||||||||||||||||||||
|
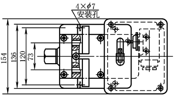
AF-K10 |
16(K) |
2~16 |
0.144 |
|||||||||||||||||||||||||||||||||||||||||||||||||||
|
1.适用于锥入度(25℃,150g)250~350/10mm的润滑脂或黏度45~150mm2/s的润滑油 2.标记示例:公称压力16MPa,出油口螺纹直径M10×1的安全阀,标记为 AF-K10 安全阀 JB/ZQ 4553—1997 |
||||||||||||||||||||||||||||||||||||||||||||||||||||||
|
|
|
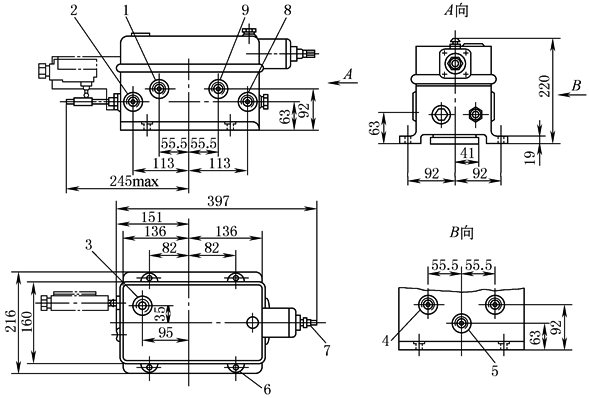
标记示例:公称压力20MPa,调定压力4MPa的压力操纵阀 YZF-L4 操纵阀 JB/ZQ 4562—2006 |
参数 |
YZF-L4 |
||||||||||||||||||||||||||||||||||||||||||||||||||
|
公称压力/MPa |
20(L) |
|||||||||||||||||||||||||||||||||||||||||||||||||||||
|
调定压力/MPa |
4 |
|||||||||||||||||||||||||||||||||||||||||||||||||||||
|
压力调定范围 /MPa |
3~6 |
|||||||||||||||||||||||||||||||||||||||||||||||||||||
|
损失量/mL |
1.5 |
|||||||||||||||||||||||||||||||||||||||||||||||||||||
|
质量/kg |
8.2 |
|||||||||||||||||||||||||||||||||||||||||||||||||||||
|
1.用于双线终端式油脂集中润滑系统 2.适用于锥入度(25℃,150g)310~385/10mm的润滑脂 |
||||||||||||||||||||||||||||||||||||||||||||||||||||||
|
生产厂有南通市南方润滑液压设备有限公司,启东市南方润滑液压设备有限公司,太原矿山机器润滑液压设备有限公司,启东江海液压润滑设备厂,四川川润股份有限公司,启东润滑设备有限公司,太原市兴科机电研究所,太原宝太润液设备有限公司,启东中冶润滑设备有限公司 |
||||||||||||||||||||||||||||||||||||||||||||||||||||||
|
|
功 能 |
压力控制阀在双线式集中润滑系统中和液压换向阀或压力操纵阀组合使用,用以提高管路内的压力,可以使供油支管比较细长,分配器集中布置,动作可靠,扩大给油范围,同时使日常的检查工作方便。该阀更适用于二级分配的系统中,可提高一级分配器的给油压力,使其能够可靠地再进行二级分配 |
||||||||||||||||||||||||||||||||||||||||||||||||||||
|
结 构 型 式 、 技 术 参 数 |
|
标记示例: 公称压力20MPa,进口压力与出口压力比值3∶1,2个进出油口的压力控制阀,标记为 YKF-L32 控制阀 JB/ZQ 4564—2006 |
||||||||||||||||||||||||||||||||||||||||||||||||||||
|
型号 |
公称压力 /MPa |
压力比 (进口压力∶出口压力) |
进出油口数量 |
损失量 /mL |
质量 /kg |
|||||||||||||||||||||||||||||||||||||||||||||||||
|
YKF-L31 |
20 |
3∶1 |
1 |
2 |
3.8 |
|||||||||||||||||||||||||||||||||||||||||||||||||
|
YKF-L32 |
20 |
3∶1 |
2 |
0.8 |
5.5 |
|||||||||||||||||||||||||||||||||||||||||||||||||
|
应用 |
1.用于双线油脂润滑系统 2.适用于锥入度(25℃,150g)310~385/10mm的润滑脂 3.使用时按箭头方向在1m内用配管将出口和液压换向阀的回油口或压力操纵阀的进油口接通。用两个YKF-L31压力控制阀和一个YHF-L1液压换向阀组合使用时,应将其中的一个压力控制阀的控制管路接口A同另一个压力控制阀的控制管路接口B用配管接通 |
|||||||||||||||||||||||||||||||||||||||||||||||||||||
|
生产厂有南通市南方润滑液压设备有限公司,启东市南方润滑液压设备有限公司,太原矿山机器润滑液压设备有限公司,启东江海液压润滑设备厂,四川川润股份有限公司,启东润滑设备有限公司,启东中冶润滑设备有限公司 |
||||||||||||||||||||||||||||||||||||||||||||||||||||||
|
|
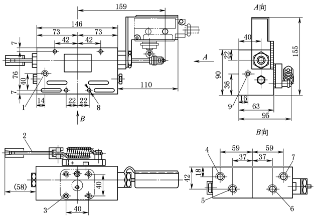
功能 |
24EJF-M型(原SA-V型)二位四通换向阀是一种采用直流电机驱动阀芯移动,以开闭供油管道或转换供油方向的集成化换向控制装置,即使在恶劣的工作条件下(如低温或高黏度油脂),动作仍相当可靠 该阀适用于公称压40MPa以下的干、稀油集中润滑系统以及液压系统的主、支管路中,同时也可作二位四通、二位三通和二位二通三种型式使用 |
||||||||||||||||||||||||||||||||||||||||||||||||||||
|
结 构 型 式 、 技 术 参 数 |
标记示例:公称压力40MPa,由直流电机驱动的二位四通换向阀,标记为 24EJF-M 换向阀 JB/T 8463—1996 |
|||||||||||||||||||||||||||||||||||||||||||||||||||||
|
型号 |
公称压力/MPa |
换向时间/s |
电动机 |
质量/kg |
||||||||||||||||||||||||||||||||||||||||||||||||||
|
功率/W |
电压/V |
|||||||||||||||||||||||||||||||||||||||||||||||||||||
|
24EJF-M |
40(P) |
0.5 |
40 |
220 |
13 |
|||||||||||||||||||||||||||||||||||||||||||||||||
|
注:1.用于双线油脂集中润滑系统 2.适用于锥入度不低于(25℃,150g)220/10mm的润滑脂或黏度不小于68mm2/s的润滑油,工作温度:-20~+80℃ 3.生产厂有启东市南方润滑液压设备有限公司,南通市南方润滑液压设备有限公司,太原矿山机器润滑液压设备有限公司,启东江海液压润滑设备有限公司,四川川润股份有限公司,太原市兴科机电研究所,太原宝太润液设备有限公司,启东中冶润滑设备有限公司 |
||||||||||||||||||||||||||||||||||||||||||||||||||||||
|
|
结 构 型 式 、 技 术 参 数 |
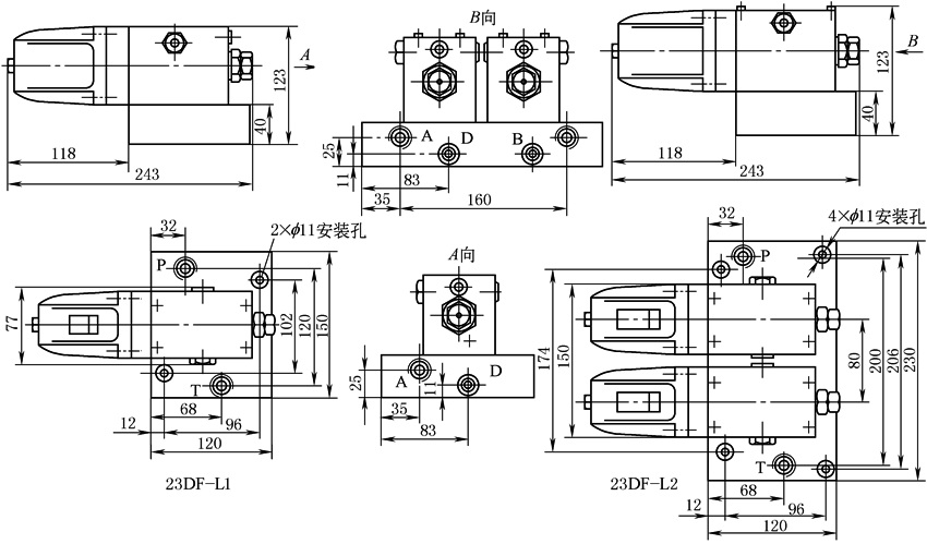
标记示例:公称压力20MPa二位三通,电磁铁数为1个的电磁换向阀,标记为 23DF-L1 换向阀 JB/ZQ 4563—2006 |
||||||||||||||||||||||||||||||||||||||||||||||||||||
|
P—油泵接口Rc1/2;T—储油器接口Rc1/2; A—出油口Rc1/2;D—泄油口Rc3/8 |
P—油泵接口Rc1/2;T—储油器接口Rc1/2; B—出油口Rc1/2;D—泄油口Rc3/8;A—出油口Rc1/2 |
|||||||||||||||||||||||||||||||||||||||||||||||||||||
|
参数 |
23DF-L1 |
23DF-L2 |
参数 |
23DF-L1 |
23DF-L2 |
|||||||||||||||||||||||||||||||||||||||||||||||||
|
公称压力/MPa |
20(L) |
电 磁 铁 |
电源 |
AC220V,50Hz |
||||||||||||||||||||||||||||||||||||||||||||||||||
|
回油管路允许压力/MPa |
10 |
功率/W |
30 |
|||||||||||||||||||||||||||||||||||||||||||||||||||
|
最大流量/L·min-1 |
3 |
电流/A |
0.6 |
|||||||||||||||||||||||||||||||||||||||||||||||||||
|
允许切换频率/次·min-1 |
30 |
瞬时电流/A |
6.5 |
|||||||||||||||||||||||||||||||||||||||||||||||||||
|
环境温度/℃ |
0~50 |
允许电压波动 |
-15%~+10% |
|||||||||||||||||||||||||||||||||||||||||||||||||||
|
弹簧形式 |
补偿式 |
相对湿度 |
0~95% |
|||||||||||||||||||||||||||||||||||||||||||||||||||
|
通路个数 |
3 |
4 |
暂载率 |
100% |
||||||||||||||||||||||||||||||||||||||||||||||||||
|
进出油口 |
Rc1/2 |
绝缘等级 |
H |
|||||||||||||||||||||||||||||||||||||||||||||||||||
|
质量/kg |
10 |
17 |
|
|
||||||||||||||||||||||||||||||||||||||||||||||||||
|
1.适用于双线终端式油脂润滑系统 2.适用于锥入度(25℃,150g)310~385/10mm的润滑脂 3.生产厂:启东市南方润滑液压设备有限公司,南通市南方润滑液压设备有限公司,太原矿山机器润滑液压设备有限公司,四川川润股份有限公司,启东江海液压润滑设备厂,启东润滑设备有限公司,太原市兴科机电研究所,太原宝太润液设备有限公司,启东中冶润滑设备有限公司 |
||||||||||||||||||||||||||||||||||||||||||||||||||||||
|
|
结 构 型 式 、 技 术 参 数 |
|
YHF-L1型 1—管路Ⅰ出油口Rc3/4; 2—管路Ⅱ回油口Rc3/4; 3—储油器接口Rc3/4; 4—2×Rc3/4螺塞(安装蓄能器用); 5—泵接口Rc3/4; 6—安装孔4×f 14; 7—压力调节螺栓; 8—管路Ⅰ回油口Rc3/4; 9—管路Ⅱ出油口Rc3/4 |
|||||||||||||||||||||||||||||||||||||||||||||||||||
|
|
YHF-L2型 1—回油管路压力检查口Rc1/4; 2—压力调节螺栓; 3—安全阀安装孔4×M8; 4—管路Ⅰ出油口M16×1.5; 5—管路Ⅰ回油口M16×1.5; 6—管路Ⅱ回油口M16×1.5; 7—管路Ⅱ出油口M16×1.5; 8—安装孔4×f 7; 9—接背压接口R1/4螺孔 |
|||||||||||||||||||||||||||||||||||||||||||||||||||||
|
参数 |
YHF-L1 |
YHF-L2 |
参数 |
YHF-L1 |
YHF-L2 |
|||||||||||||||||||||||||||||||||||||||||||||||||
|
公称压力/MPa |
20(L) |
损失量/mL |
17 |
2.7 |
||||||||||||||||||||||||||||||||||||||||||||||||||
|
调定压力/MPa |
5 |
配管尺寸 |
Rc3/4 |
M16 |
||||||||||||||||||||||||||||||||||||||||||||||||||
|
压力调整范围/MPa |
3~6 |
质量/kg |
46.5 |
7 |
||||||||||||||||||||||||||||||||||||||||||||||||||
|
1.适用于锥入度(25℃,150g)265~385/10mm的润滑脂 2.标记示例:使用类型代号,1—用于DRB-L585Z-H润滑泵;2—用于DRB-L60Z-H、DRB-L60Y-H、DRB-L195Z-H、DRB-L195Y-H润滑泵。例如,公称压力20MPa,使用类型代号为1的液压换向阀,标记为 YHF-L1 换向阀 JB/ZQ 4565—2006 3.生产厂有启东市南方润滑液压设备有限公司,南通市南方润滑液压设备有限公司,太原矿山机器润滑液压设备有限公司,四川川润股份有限公司,启东润滑设备有限公司,启东江海液压润滑设备厂,太原市兴科机电研究所,太原宝太润液设备有限公司,温州市龙湾润滑液压设备厂,启东中冶润滑设备有限公司 |
||||||||||||||||||||||||||||||||||||||||||||||||||||||
|
|
|
型号 |
公称压力 /MPa |
过滤介质 |
质量 /kg |
|||||||||||||||||||||||||||||||||||||||||||||||||
|
GQ-K10 |
16(K) |
锥入度(25℃,150g)250~350/10mm的润滑脂或黏度为46~150mm2/s的润滑油 |
1.25 |
|||||||||||||||||||||||||||||||||||||||||||||||||||
|
1.标记示例: 公称压力16MPa,进出油口管子外径10mm过滤器,标记为 GQ-K10 过滤器 JB/ZQ 4554—1997 2.生产厂有启东江海液压润滑设备厂,启东润滑设备有限公司,上海润滑设备厂,启东中冶润滑设备有限公司 |
||||||||||||||||||||||||||||||||||||||||||||||||||||||
|
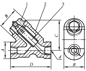
|
1—螺盖;2—本体;3—滤网筒 标记示例:公称压力40MPa,公称通径8的干油过滤器,标记为 GGQ-P8 过滤器 JB/ZQ 4702—2006 |
|||||||||||||||||||||||||||||||||||||||||||||||||||||
|
型号 |
公称 通径 /mm |
d |
公称 压力 /MPa |
润滑脂锥入度 (25℃,150g) /(10mm)-1 |
过滤 精度 /μm |
最高使 用温度 /℃ |
尺寸/mm |
|||||||||||||||||||||||||||||||||||||||||||||||
|
A |
B |
C |
D |
质量 /kg |
||||||||||||||||||||||||||||||||||||||||||||||||||
|
GGQ-P8 |
8 |
G1/4 |
40 (P) |
265~385 |
160 |
120 |
32 |
42 |
57 |
83 |
1.15 |
|||||||||||||||||||||||||||||||||||||||||||
|
GGQ-P10 |
10 |
G3/8 |
1.10 |
|||||||||||||||||||||||||||||||||||||||||||||||||||
|
GGQ-P15 |
15 |
G1/2 |
38 |
52 |
71 |
96 |
1.4 |
|||||||||||||||||||||||||||||||||||||||||||||||
|
GGQ-P20 |
20 |
G3/4 |
50 |
58 |
76 |
112 |
1.5 |
|||||||||||||||||||||||||||||||||||||||||||||||
|
GGQ-P25 |
25 |
G1 |
1.6 |
|||||||||||||||||||||||||||||||||||||||||||||||||||
|
1.用户可按实际需要自行选定过滤精度 2.生产厂有启东市南方润滑液压设备有限公司,南通市南方润滑液压设备有限公司,四川川润股份有限公司,启东江海液压润滑设备厂,启东润滑设备有限公司,上海润滑设备厂,太原矿山机器润滑液压设备有限公司,太原市兴科机电研究所,太原宝太润液设备有限公司,启东中冶润滑设备有限公司 |
||||||||||||||||||||||||||||||||||||||||||||||||||||||
|
|
|
型号 |
公称压力 /MPa |
指示压力 /MPa |
质量 /kg |
|||||||||||||||||||||||||||||||||||||||||||||||||
|
UZQ-K13 |
16(K) |
13 |
0.16 |
|||||||||||||||||||||||||||||||||||||||||||||||||||
|
1.用于管路中压力超过规定值时指示 2.适用介质为锥入度(25℃,150g)250~350/10mm的润滑脂 3.标记示例:公称压力16MPa,指示压力13MPa的过压指示器,标记为 UZQ-K13 过压指示器 JB/ZQ 4555—2006 4.生产厂有启东江海液压润滑设备厂,太原矿山机器润滑液压设备有限公司,启东中冶润滑设备有限公司 |
||||||||||||||||||||||||||||||||||||||||||||||||||||||
|
||||||||||||||||||||||||||||||||||||||||||||||||||||||













