|
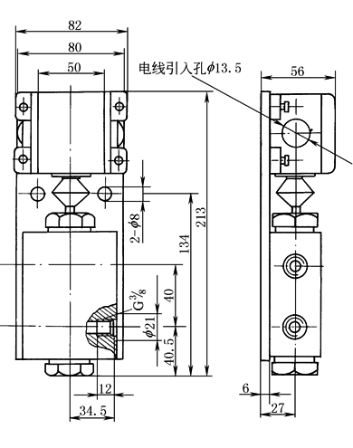
40MPa YCK 型压差开关型式尺寸与参数(JB/T 8465—1996) |
|||||||
|
|
1.适用于锥入度(25℃,150g)不小于220/10mm的润滑脂或黏度大于等于68mm2/s的润滑油 2.工作环境温度-20~80℃ 3.标记示例:公称压力40MPa,发信压差5MPa的压差开关,标记为 YCK-P5 压差开关 JB/T 8465—1996 |
||||||
|
型号 |
公称压力 /MPa |
开关最大电压 /V |
开关最大电流 /A |
发信压差 /MPa |
发信油量 /mL |
质量 /kg |
|
|
YCK-P5 |
40(P) |
约>500 |
15 |
5 |
0.7 |
3 |
|
|
注:生产厂有太原矿山机器润滑液压设备有限公司,南通市南方润滑液压设备有限公司,启东市南方润滑液压设备有限公司,启东江海液压润滑设备有限公司,启东润滑设备有限公司,上海润滑设备厂,太原宝太润液设备有限公司,四川川润股份有限公司,太原市兴科机电研究所,启东中冶润滑设备有限公司。 |
|||||||

