|
干油集中润滑系统的分类及组成 |
|||
|
分类 |
系 统 简 图 |
特 点 及 应 用 |
|
|
单 线 式 |
终端式与环式 |
单线终端式干油集中润滑系统 1—干油泵站;2—操纵阀;3—输脂主管;4—分配器
单线环式干油集中润滑系统 1—干油泵站;2—换向阀;3—过滤器;4—输脂主管;5—分配器 |
结构紧凑,体积小,重量轻,供脂管路简单,节省材料,但制造工艺性差,精度要求高,供脂距离比双线式短 主要用于润滑点不太多的单机设备 适用元件 ① QRB型气动润滑泵(JB/ZQ 4548—1997) ② DPQ型单线分配器(JB/ZQ 4581—1986) ③ GGQ型干油过滤器(JB/ZQ 4535—1997或JB/ZQ 4702—2006、JB/ZQ 4554—1997等) |
|
递进式 |
1—电控设备;2—电动润滑脂泵;3—脉冲开关(分配器自带); 4— 一次分配器;5— 二次分配器(3个);6—润滑点 |
可连续给油,分配器换向不需换向阀,分配器有故障可发出信号或警报,系统简单可靠,安装方便,节省材料,便于集中管理 广泛用于各种设备 适用元件 ① JPQ型递进分配器(JB/T 8464—1996),工作压力16MPa ② SNB型手动润滑泵(JB/T 8651.1—1997),工作压力10MPa ③ DRB型电动润滑泵(JB/ZQ 4559—2006)或DBJ型微型电动润滑泵(JB/T 8651.3—1997) ④ JPQ型递进分配器(JB/T 8464—1996) |
|
|
双 线 式 |
手动终端式 |
线内为递进式系统
1—手动泵;1a—换向阀;2—分配器(出口装单向阀); 3—过滤器;4— 二次分配器;5—单向阀接口 |
系统简单,设备费用低,操作容易,润滑简便 用于给油间距较长的中等规模的机械或机组 适用元件 ① JPQ型递进分配器(JB/T 8464—1996),工作压力16MPa ② SGZ型手动润滑泵(JB/ZQ 4087—1996),工作压力6.3MPa ③ SRB型手动润滑泵(JB/ZQ 4557—2006),工作压力10MPa、20MPa ④ SGQ型双线给油器(JB/ZQ 4089—1997),工作压力10MPa ⑤ DSPQ、SSPQ型双线分配器(JB/ZQ 4560—2006)工作压力20MPa ⑥ GGQ型干油过滤器(JB/ZQ 4535—1997或JB/ZQ 4702—2006、JB/ZQ 4554—1997等) |
|
电 动 终 端 式 |
1—电动泵;1a—换向阀;2—分配器;3—过滤器; 4—控制阀;5—电控箱 |
配管费用较低,采用末端压力进行给油过程控制,设计容易 用于润滑点分布较广的场合 适用元件 ② DSPQ、SSPQ型双线分配器(JB/ZQ 4560—2006)工作压力20MPa ③ GGQ型干油过滤器(JB/ZQ 4535—1997或JB/ZQ 4702—2006、JB/ZQ 4554—1997等) ④ DXZ型电动干油站(JB/T 2304—1978)工作压力10MPa ⑤ DRB型电动润滑泵(JB/ZQ 4559—2006)工作压力20MPa ⑥ DRB1型电动润滑泵(JB/T 8810.1—1998)工作压力40MPa ⑦ SSPQ型双线分配器(JB/T 8462—1996,或JB/ZQ 4704—2006),工作压力40MPa ⑧ YZF-J4型压力操纵阀(JB/ZQ 4533—1997)工作压力10MPa ⑨ YZF-L4型压力操纵阀(JB/ZQ 4562—2006),工作压力20MPa ⑩ YCK型压差开关(JB/T 8465—1996),工作压力40MPa |
|
|
电 动 环 式 |
1—电动泵;1a—换向阀;2—分配器; 3—过滤器;4—电控箱 |
利用返回压力直接进行换向,动作可靠,故障少,换向阀装在油泵附近,电气配置费用低,能在油泵处进行压力调整、检查,操作维护方便 用于润滑点较多且较集中的场合 适用元件 ① DSPQ、SSPQ型双线分配器(JB/ZQ 4560—2006)工作压力20MPa ② GGQ型干油过滤器(JB/ZQ 4535—1997或JB/ZQ 4702—2006、JB/ZQ 4554—1997等) ③ DRB型电动润滑泵(JB/ZQ 4559—2006)工作压力20MPa |
|
|
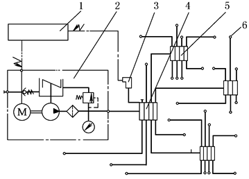
电动终端-递进式 |
1—电动泵;1a—换向阀;2,3—分配器;4—过滤器; 5,6—控制器;7—单向阀;8—电控箱 |
和定比减压阀配合使用,可采用细长的管道,检查点集中,便于维护管理(在空间窄小难于确认分配器动作的场合使用,有较好的效果) 适于润滑点很多、给油量相同而集中布置的场合 适用元件 ① JPQ型递进分配器(JB/T 8464—1996),工作压力16MPa ② DSPQ、SSPQ型双线分配器(JB/ZQ 4560—2006)工作压力20MPa ③ GGQ型干油过滤器(JB/ZQ 4535—1997或JB/ZQ 4702—2006、JB/ZQ 4554—1997等) ④ DRB型电动润滑泵(JB/ZQ 4559—2006)工作压力20MPa ⑤ YZF-L4型压力操纵阀(JB/ZQ 4562—2006),工作压力20MPa ⑥ YKF型压力控制阀(JB/ZQ 4564—2006),工作压力20MPa |
|
|
电动喷射式 |
1—泵;1a—换向阀;2—分配器;3—过滤器; 4—电控箱;5—喷射阀 喷射式系统可由手动终端式,电动终端式系统加喷射阀组成,其压缩空气入口处,须设置过滤器、减压阀、油雾器 |
可使用润滑脂、高黏度润滑油或加入挥发性添加剂的其他润滑材料,使用的压缩空气压力低,给油时间可调,可显示给油时间间隔、储油器无油、过负荷运转等故障 适于开式齿轮传动、支承辊轮、滑动导轨等摩擦部位的润滑 适用元件 ① DSPQ、SSPQ型双线分配器(JB/ZQ 4560—2006)工作压力20MPa ② DRB型电动润滑泵(JB/ZQ 4559—2006)工作压力20MPa ③ PF型干油喷射阀(JB/ZQ 4566—2006),工作压力10MPa |
|
|
单线(多点)式 |
经给油器供油式 |
1—多点干油泵;2—片式分配器(3片) |
图是多点干油泵与片式分配器联合组成的多点干油集中润滑系统,可增加润滑点数,如采用三片组合的片式分配器,则多点干油泵的每个出油孔可供6个润滑点,10个供油孔(点)可供60个点润滑 单线多点式供油管线较多,布置困难,安装、维护、检修不便。一般用于润滑点数不多,系统简单的小型机械上 适用元件 ① DDB型多点干油泵(JB/ZQ 4088—2006),工作压力10MPa ② DDRB型多点润滑泵(JB/T 8810.3—1998)工作压力31.5MPa |
|
经管线直接供油式 |
经管线直接供油式是采用多点干油泵,经输油管线直接与润滑点连接供油 |
||









