|
集中供脂系统的类型 |
|||||||
|
类型 |
简图 |
运转 |
驱动 |
适用的锥入度 (25℃,150g) /(10mm)-1 |
管路标准 压力/MPa |
调整与管长限度 |
|
|
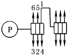
直 接 供 脂 式 |
单独 的活 塞泵 |
|
由凸轮或斜圆盘使各活塞泵P顺序工作 |
电动机 机械 手动 |
>265 |
0.7~2.0 |
在每个出口调整冲程9~15m |
|
阀分 配系统 |
|
利用阀把一个活塞泵的输出量依次供给每条管路 |
电动机 机械 手动 |
>220 <265 |
0.7~2.0 |
由泵的速度控制输出25~60m |
|
|
分支 系统 |
|
每个泵的输出量由分配器分至各处 |
电动机 机械 |
>220 |
0.7~2.8 |
在每个输出口调整或用分配阀组调整 泵到分配阀18~54m 分配阀到支承6~9m |
|
|
间接供脂递进式 |
单线式 |
|
第一阀组按1、2、3…顺序输出。其中的一个接口用来使第二阀组工作。以后的阀组照此顺序工作 |
电动机 机械 手动 |
>265 |
14.0~20.0 |
用不同容量的计量阀,否则靠循环时间调整 干线150mm(据脂和管子口径决定),到支承的支线6~9mm |
|
单线式 反向 |
|
换向阀R每动作一次各阀依次工作 |
1.4~2.0 |
||||
|
双线式 |
|
脂通过一条管路按顺序运送到占总数一半的出口。换向阀R随后动作,消除第一条管路压力,把脂送到另一条管路,供给其余出口 |
|||||
|
间接供脂并列式 |
单线式 |
|
由泵上的装置使管路交替加压、卸压。有两种系统:一是利用管路压力作用在阀的活塞上射出脂;二是利用弹簧压力作用在阀的活塞上射出脂 |
电动机 手动 |
>310 |
约17.0 约8.0 |
工作频率能调整,输出量由脂的特性决定 120m |
|
油或气 调节的 单线式 |
|
泵使管路或阀工作,用油压或气压操纵阀门 |
电动机 |
>220 |
约40.0 |
用周期定时分配阀调整 600m |
|
|
双线式 |
|
润滑脂压力在一条管路上同时操纵占总数一半的排出口。然后换向阀R反向,消除此条管路压力,把脂导向另一条管路,使其余排出口工作 |
电动机 手动 |
>265 |
约40.0 |
用周期定时分配阀调整 自动120m 手动60m |
|









