|
SPL、DPL型网片式油滤器(CB/T 3025—1999) |
||||||||||||||||||||||||||||||||||||||||
|
网片式油滤器源于船用柴油机网片式油滤器(GB 4733—84),用于船用柴油机的燃油和润滑油的滤清,可滤除不溶于油的污物以提高油的清洁度,原国标已转为部标CB/T 3025—1999。现常应用于冶金、电力、石化、建材、轻工等行业,它分为SPL双筒系列和DPL单筒系列,过滤元件为金属丝网制成的滤片,具有强度高、通油能力大、过滤可靠、便于清洗、维修不需要其他动力源等特点 |
||||||||||||||||||||||||||||||||||||||||
|
表1 网片式油滤器的品种规格和性能参数 |
||||||||||||||||||||||||||||||||||||||||
|
型号 |
公称通径 DN/mm |
额定流量 /m3·h-1(L·min-1) |
滤片尺寸/mm |
过滤面积 (单筒)/m2 |
其他参数 |
|||||||||||||||||||||||||||||||||||
|
双筒系列 |
单筒系列 |
内径 |
外径 |
|||||||||||||||||||||||||||||||||||||
|
SPL 15 |
— |
15 |
2(33.4) |
20 |
40 |
0.05 |
1.最高工作温度95℃ 2.最高工作压力0.8MPa 3.滤芯清洗压降0.15MPa 4.试验介质为黏度24mm2/s的清洁油液,当以额定流量通过油滤器时,原始压降不大于0.08MPa(过滤精度0.04mm) 安装型式:D—顶挂型;C—侧置型;X—下置型。压差发讯器为选配件 |
|||||||||||||||||||||||||||||||||
|
SPL 25 |
DPL 25 |
25 |
5(83.4) |
30 |
65 |
0.13 |
||||||||||||||||||||||||||||||||||
|
SPL 32 |
— |
32 |
8(134) |
0.20 |
||||||||||||||||||||||||||||||||||||
|
SPL 40 |
DPL 40 |
40 |
12(200) |
45 |
90 |
0.41 |
||||||||||||||||||||||||||||||||||
|
SPL 50 |
— |
50 |
20(334) |
60 |
125 |
0.54 |
||||||||||||||||||||||||||||||||||
|
SPL 65 |
DPL 65 |
65 |
30(500) |
0.84 |
||||||||||||||||||||||||||||||||||||
|
SPL 80 |
DPL 80 |
80 |
50(834) |
70 |
155 |
1.31 |
||||||||||||||||||||||||||||||||||
|
SPL 100 |
— |
100 |
80(1334) |
2.62 |
||||||||||||||||||||||||||||||||||||
|
SPL 125 |
— |
125 |
120(2000) |
90 |
175 |
3.11 |
||||||||||||||||||||||||||||||||||
|
SPL 150 |
DPL 150 |
150 |
180(3000) |
4.67 |
||||||||||||||||||||||||||||||||||||
|
SPL 200 |
DPL 200 |
200 |
520(5334) |
8.10 |
||||||||||||||||||||||||||||||||||||
|
注:生产厂有启东市南方润滑液压设备有限公司,南通市南方润滑液压设备有限公司,四川川润股份有限公司,太原市兴科机电研究所。 |
||||||||||||||||||||||||||||||||||||||||
|
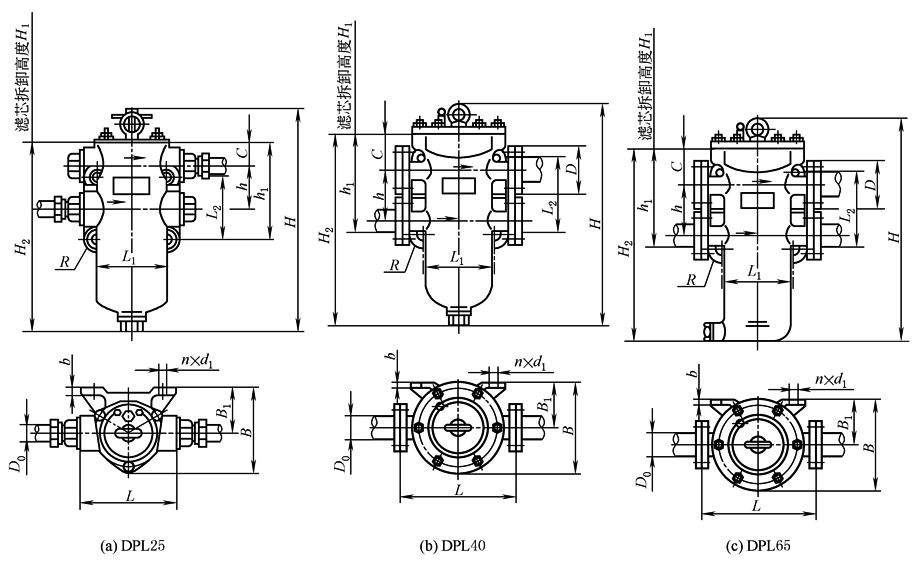
单筒网片式油滤器
|
||||||||||||||||||||||||||||||||||||||||
|
表2 单筒网片式油滤器的型式和基本尺寸 mm |
||||||||||||||||||||||||||||||||||||||||
|
公称 通径 |
安装 型式 |
外形尺寸 |
拆装滤 芯距离 |
管路连接尺寸 |
管路安装尺寸 |
基座安装尺寸 |
质量 /kg |
|||||||||||||||||||||||||||||||||
|
DN |
H |
B |
L |
H1 |
D |
D0 |
c |
h |
B1 |
H2 |
h1 |
L1 |
L2 |
b |
R |
n |
d1 |
|||||||||||||||||||||||
|
25 |
C |
315 |
130 |
135 |
270 |
M39×2 |
25 |
34 |
60 |
70 |
264 |
139 |
100 |
90 |
12 |
15 |
4 |
16 |
6 |
|||||||||||||||||||||
|
40 |
C |
440 |
143 |
173 |
360 |
66×66 |
45 |
36 |
70 |
80 |
364 |
177 |
130 |
125 |
14 |
20 |
4 |
18 |
12 |
|||||||||||||||||||||
|
65 |
C |
580 |
195 |
285 |
535 |
100×100 |
70 |
79 |
105 |
105 |
517 |
261 |
165 |
150 |
18 |
25 |
4 |
22 |
25 |
|||||||||||||||||||||
|
80 |
C |
700 |
238 |
320 |
685 |
f 185 |
89 |
90 |
120 |
128 |
630 |
310 |
170 |
170 |
18 |
25 |
4 |
22 |
30 |
|||||||||||||||||||||
|
公称 通径 |
安装 型式 |
H |
B |
L |
H1 |
D |
D0 |
D' |
D'0 |
C |
h |
L |
H2 |
C ' |
L1 |
b |
n |
d1 |
质量 /kg |
|||||||||||||||||||||
|
100 |
X |
800 |
412 |
528 |
790 |
190 |
108 |
140 |
42 |
290 |
360 |
264 |
734 |
150 |
335 |
18 |
3 |
18 |
115 |
|||||||||||||||||||||
|
150 |
X |
940 |
550 |
660 |
790 |
240 |
158 |
135 |
57 |
380 |
380 |
335 |
870 |
180 |
470 |
20 |
3 |
24 |
160 |
|||||||||||||||||||||
|
200 |
X |
1050 |
612 |
750 |
945 |
310 |
219 |
135 |
57 |
438 |
400 |
368 |
980 |
180 |
550 |
20 |
3 |
24 |
210 |
|||||||||||||||||||||
|
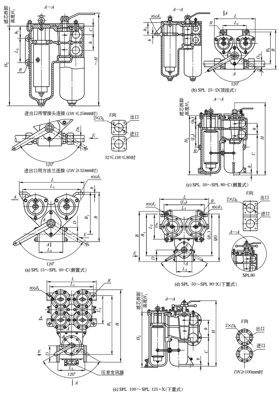
双筒网片式油滤器
标记示例: 双筒系列,公称通径65mm,侧置型网片式油滤器,标记为 SPL 65C CB/T 3025—1999 |
||||||||||||||||||||||||||||||||||||||||
|
表3 双筒网片式油滤器的安装型式和基本尺寸 mm |
||||||||||||||||||||||||||||||||||||||||
|
公称 通径 |
安装 型式 |
外形尺寸 |
拆装滤 芯距离 |
管路连接尺寸 |
管路安装尺寸 |
基座安装尺寸 |
质量 /kg |
|||||||||||||||||||||||||||||||||
|
螺纹连接 |
法兰连接 |
|||||||||||||||||||||||||||||||||||||||
|
DN |
H |
B |
L |
H1 |
DW |
D |
D0 |
c |
h |
L3 |
B1 |
H2 |
h1 |
L1 |
L2 |
b |
R |
n |
d1 |
|||||||||||||||||||||
|
15 |
C |
328 |
180 |
196 |
260 |
M30×2 |
|
|
38 |
55 |
88 |
155 |
291 |
88 |
166 |
80 |
12 |
16 |
4 |
12 |
9.5 |
|||||||||||||||||||
|
20 |
C |
310 |
207 |
260 |
230 |
M33×2 |
|
|
34 |
65 |
90 |
177 |
258 |
90 |
230 |
100 |
12 |
15 |
4 |
15 |
11.5 |
|||||||||||||||||||
|
25 |
D |
315 |
232 |
230 |
270 |
M39×2 |
|
|
34 |
65 |
90 |
185 |
265 |
90 |
156 |
100 |
12 |
15 |
2 |
16.5 |
12 |
|||||||||||||||||||
|
C |
315 |
205 |
260 |
|
|
|
177 |
— |
230 |
4 |
16.5 |
12 |
||||||||||||||||||||||||||||
|
32 |
C |
380 |
207 |
260 |
330 |
|
60×60 |
38 |
34 |
65 |
96 |
175 |
330 |
50 |
230 |
100 |
12 |
15 |
4 |
16.5 |
12 |
|||||||||||||||||||
|
40 |
C |
462 |
261 |
314 |
360 |
|
66×66 |
45 |
43 |
70 |
110 |
224 |
363 |
100 |
274 |
130 |
15 |
20 |
4 |
17 |
22 |
|||||||||||||||||||
|
50 |
X |
447 |
425 |
410 |
425 |
|
86×86 |
57 |
220 |
90 |
140 |
355 |
422 |
|
260 |
210 |
18 |
25 |
4 |
20 |
85 |
|||||||||||||||||||
|
C |
447 |
400 |
410 |
|
86×86 |
57 |
355 |
412 |
92 |
350 |
130 |
4 |
||||||||||||||||||||||||||||
|
65 |
X |
580 |
453 |
410 |
535 |
|
100×100 |
70 |
365 |
105 |
160 |
375 |
527 |
|
260 |
210 |
28 |
25 |
4 |
20 |
120 |
|||||||||||||||||||
|
C |
|
423 |
100×100 |
425 |
517 |
112 |
350 |
150 |
||||||||||||||||||||||||||||||||
|
80 |
X |
780 |
541 |
492 |
660 |
|
116×116 |
89 |
443 |
124 |
190 |
456 |
650 |
|
350 |
370 |
20 |
20 |
4 |
22 |
165 |
|||||||||||||||||||
|
100 |
X |
765 |
847 |
560 |
660 |
190 |
108 |
336 |
200 |
300 |
687 |
640 |
500 |
330 |
20 |
32 |
4 |
22 |
370 |
|||||||||||||||||||||
|
125 |
X |
850 |
900 |
605 |
760 |
215 |
133 |
385 |
225 |
340 |
682 |
730 |
540 |
270 |
20 |
32 |
4 |
22 |
420 |
|||||||||||||||||||||
|
150 |
X |
890 |
1000 |
990 |
790 |
240 |
150 |
380 |
250 |
400 |
825 |
760 |
750 |
460 |
30 |
32 |
4 |
22 |
680 |
|||||||||||||||||||||
|
200 |
X |
1058 |
1155 |
1180 |
945 |
310 |
219 |
450 |
315 |
440 |
960 |
910 |
920 |
520 |
30 |
40 |
4 |
24 |
800 |
|||||||||||||||||||||




