|
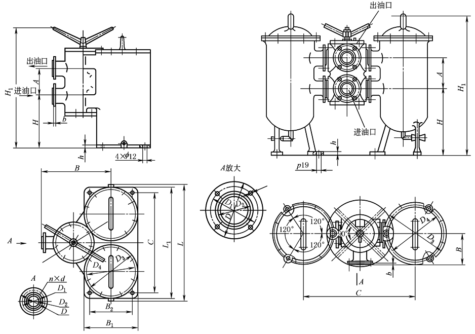
SWQ型双筒网式过滤器(JB/T 2302—1999) |
||||||||||||||||||||||||||||||||
|
SWQ型(原为SLQ型)双筒网式过滤器(摘自JB/T 2302—1999)。适用于公称压力0.63MPa的稀油润滑系统中过滤润滑油。小型的为整体式;较大型的为组合式,分别由两组过滤筒和一个三位六通换向阀组成,工作时一筒工作,一筒备用,可实现不停车切换过滤筒,达到循环润滑不间断工作的目的。 |
||||||||||||||||||||||||||||||||
|
双筒网式过滤器参数及外形尺寸 mm |
||||||||||||||||||||||||||||||||
|
公称通径32mm、40mm双筒网式过滤器(整体式) 公称通径50~150mm双筒网式过滤器(组合式) |
||||||||||||||||||||||||||||||||
|
型号 |
公称 通径 |
公称 压力 /MPa |
过滤 面积 /m2 |
运动黏度/mm2·s-1 |
质量 /kg |
|||||||||||||||||||||||||||
|
46 |
68 |
100 |
150 |
460 |
||||||||||||||||||||||||||||
|
过滤精度/mm |
||||||||||||||||||||||||||||||||
|
0.08 |
0.12 |
0.08 |
0.12 |
0.08 |
0.12 |
0.08 |
0.12 |
0.08 |
0.12 |
|||||||||||||||||||||||
|
通过能力/L·min-1 |
||||||||||||||||||||||||||||||||
|
SWQ-32 |
32 |
0.63 |
0.08 |
130 |
310 |
120 |
212 |
63 |
151 |
29 |
69 |
19 |
49 |
82 |
||||||||||||||||||
|
SWQ-40 |
40 |
0.21 |
330 |
790 |
305 |
540 |
160 |
384 |
72 |
175 |
48 |
125 |
115 |
|||||||||||||||||||
|
SWQ-50 |
50 |
0.31 |
485 |
1160 |
447 |
793 |
250 |
565 |
107 |
256 |
69 |
160 |
205 |
|||||||||||||||||||
|
SWQ-65 |
65 |
0.52 |
820 |
1960 |
760 |
1340 |
400 |
955 |
180 |
434 |
106 |
250 |
288 |
|||||||||||||||||||
|
SWQ-80 |
80 |
0.83 |
1320 |
3100 |
1200 |
2150 |
630 |
1533 |
288 |
695 |
170 |
400 |
345 |
|||||||||||||||||||
|
SWQ-100 |
100 |
1.31 |
1990 |
4750 |
1840 |
3230 |
1000 |
2310 |
436 |
1050 |
267 |
630 |
468 |
|||||||||||||||||||
|
SWQ-125 |
125 |
2.20 |
3340 |
8000 |
3100 |
5420 |
1680 |
3890 |
730 |
1770 |
450 |
1000 |
1040 |
|||||||||||||||||||
|
SWQ-150 |
150 |
3.30 |
5000 |
12000 |
4650 |
8130 |
2520 |
5840 |
1094 |
2660 |
679 |
1600 |
1185 |
|||||||||||||||||||
|
型号 |
公称 通径 |
A |
B |
B1 |
B2 |
C |
D3 |
D4 |
D1 |
H |
H1 ≈ |
L |
L1 |
h |
进、出油口法兰 |
|||||||||||||||||
|
D |
D1 |
D2 |
b |
d |
n |
|||||||||||||||||||||||||||
|
SWQ-32 |
32 |
140 |
250 |
186 |
154 |
344 |
— |
— |
G3/8 |
145 |
440 |
397 |
386 |
20 |
135 |
100 |
78 |
18 |
18 |
4 |
||||||||||||
|
SWQ-40 |
40 |
165 |
265 |
222 |
184 |
410 |
— |
— |
180 |
515 |
480 |
447 |
145 |
110 |
85 |
|||||||||||||||||
|
SWQ-50 |
50 |
190 |
165 |
— |
— |
693 |
330 |
280 |
G1/2 |
355 |
800 |
— |
— |
160 |
125 |
100 |
20 |
|||||||||||||||
|
SWQ-65 |
65 |
200 |
170 |
— |
— |
713 |
374 |
300 |
395 |
860 |
— |
— |
180 |
145 |
120 |
|||||||||||||||||
|
SWQ-80 |
80 |
220 |
202 |
— |
— |
830 |
374 |
320 |
G3/4 |
500 |
990 |
— |
— |
20 |
195 |
160 |
135 |
22 |
18 |
8 |
||||||||||||
|
SWQ-100 |
100 |
250 |
202 |
— |
— |
895 |
442 |
400 |
610 |
1190 |
— |
— |
215 |
180 |
155 |
|||||||||||||||||
|
SWQ-125 |
125 |
260 |
240 |
— |
— |
1200 |
755 |
600 |
G1 |
640 |
1270 |
— |
— |
30 |
245 |
210 |
185 |
24 |
||||||||||||||
|
SWQ-150 |
150 |
300 |
240 |
— |
— |
1200 |
755 |
600 |
860 |
1530 |
— |
— |
280 |
240 |
210 |
23 |
||||||||||||||||
|
注:1.法兰尺寸按JB/T 79.1(PN=1.6MPa)的规定。 2.在工作时过滤器进、出口初始压差小于等于0.035MPa,当压差大于等于0.15MPa时,应立即进行换向清洗或更换过滤网。 3.运动黏度按GB/T 3141—1994《工业液体润滑剂ISO黏度分类》的规定。 4.生产厂有南通市南方润滑液压设备有限公司,启东市南方润滑液压设备有限公司,四川川润股份有限公司,太原宝太润液设备有限公司,太原市兴科机电研究所。 |
||||||||||||||||||||||||||||||||

