|
DWB 型微型循环润滑系统 |
|||||||||||||||||||
|
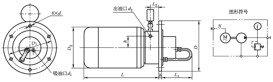
DWB 型微型循环润滑系统。适用于数控机械、金属切削机床、锻压与铸造机械以及化工、塑料、轻纺、包装、建筑运输等行业中负荷较轻的机械及生产线设备的循环润滑系统。主要由DWB 型微型油泵装置、JQ 型节流分配器、吸油过滤器和管道附件等部分组成。 DWB 型微型油泵装置由齿轮油泵、微型异步电动机、溢流阀、压力表、管道等部分组成。装置通常为卧式安装,直接插入减速器、电动机或机器壳体的油池中,但吸油口必须在最低油位线以下。DWB-350~DWB-1000 型油泵装置带有网状吸油过滤器,直接拧于吸油口d1,对DWB-2.5~DWB-6 型,用户可根据需要自行配置吸油管道及过滤器。装置也可垂直安装,但应注意,泵的最大吸入高度不应超过500mm。 |
|||||||||||||||||||
|
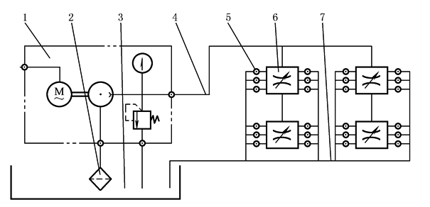
DWB 型微型循环润滑系统原理图
1—微型油泵装置;2—吸油过滤器;3—油池;4—压油管道;5—机器润滑点;6—节流分配器(JQ型);7—回流通道 |
|||||||||||||||||||
|
表1 DWB 型基本参数 |
|||||||||||||||||||
|
型号 |
工作压力/MPa |
流量 |
电动机特性 |
||||||||||||||||
|
型号 |
功率/W |
电压/V |
转速/r·min-1 |
质量/kg |
|||||||||||||||
|
DWB-350 |
0.6 |
350mL/min |
YS-5624 |
90 |
380 |
1400 |
5.25 |
||||||||||||
|
DWB-500 |
1.6 |
500mL/min |
5.30 |
||||||||||||||||
|
DWB-1000 |
2.5 |
1000mL/min |
YS-5634 |
120 |
5.40 |
||||||||||||||
|
DWB-2.5 |
0.6 |
2.5L/min |
YS-7126 |
250 |
380 |
1000 |
20 |
||||||||||||
|
DWB-4 |
4L/min |
20 |
|||||||||||||||||
|
DWB-6 |
6L/min |
YS-7124 |
370 |
1500 |
22 |
||||||||||||||
|
注:生产厂有太原市兴科机电研究所,太原宝太润液设备有限公司。 |
|||||||||||||||||||
|
表2 DWB 型微型油泵装置的外形及连接尺寸 mm |
|||||||||||||||||||
|
|
|||||||||||||||||||
|
|
型 号 |
D |
D1 |
D2 |
b |
L |
L1 |
L2 |
h |
d |
d1 |
d2 |
|||||||
|
350 DWB-500 1000 |
125 |
112 |
120 |
8 |
186 |
90 |
30 |
14 |
6.5 |
M8×1 |
f 8×1 铜管 |
||||||||
|
2.5 DWB-4 6 |
190 |
160 |
145 |
14 |
280 |
145 |
35 |
42 |
13 |
f 12×1 铜管 |
f 10×1 铜管 |
||||||||



