|
RHZ 型微型稀油润滑装置 |
||||||||
|
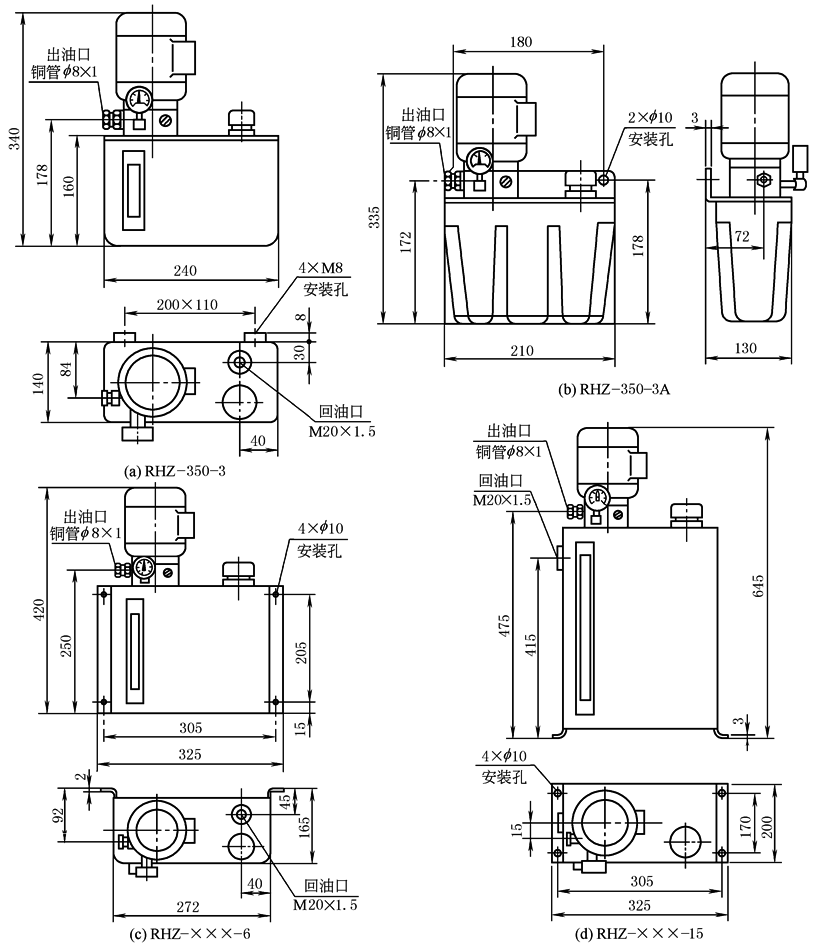
RHZ 型微型稀油润滑装置。由齿轮油泵、微型异步电动机、溢流阀、压力表、油箱、吸油过滤器及管道等组成。 RHZ 型微型稀油润滑装置外形结构及尺寸(建议配置JQ 型节流分配器)
|
||||||||
|
RHZ 型基本参数 |
||||||||
|
型号 |
工作压力 /MPa |
流量 /mL·min-1 |
油箱容积 /L |
电动机特性 |
质量/kg |
|||
|
型号 |
功率/W |
电压/V |
转速/r·min-1 |
|||||
|
RHZ-350-3 |
|
350 |
3 |
YS-5624 |
90 |
380 |
1400 |
8 |
|
RHZ-350-3A |
0.6 |
6 |
||||||
|
RHZ-350-6 |
|
6 |
12 |
|||||
|
RHZ-350-15 |
1.6 |
15 |
16 |
|||||
|
RHZ-500-6 |
500 |
6 |
12 |
|||||
|
RHZ-500-15 |
|
15 |
16 |
|||||
|
RHZ-1000-6 |
2.5 |
1000 |
6 |
YS-5634 |
120 |
12 |
||
|
RHZ-1000-15 |
|
15 |
16 |
|||||
|
注:1.RHZ-350-3A为透明工程塑料外壳。 2.生产厂有太原市兴科机电研究所,太原宝太润液设备有限公司。 |
||||||||

