|
连接与密封 |
|
||||||||||||||||||||||||||||||
|
缸筒与缸盖的连接 |
连接型式 |
简图 |
说明 |
连接型式 |
简图 |
说明 |
|
||||||||||||||||||||||||
|
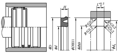
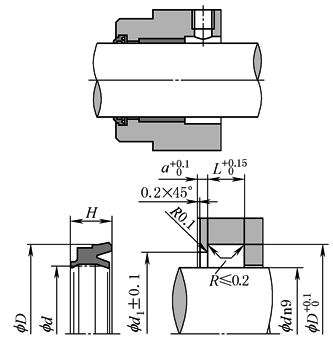
拉杆式螺栓连接 |
|
用拉杆式螺栓连接的结构应用很广,结构简单,易于加工,易于装卸 |
缸筒螺纹 |
|
气缸外径较小,重量较轻,螺纹中径与气缸内径要同心,拧动端盖时,有可能把O形圈拧扭 |
|
|||||||||||||||||||||||||
|
|
法兰尺寸比螺纹和卡环连接大,重量较重;缸盖与缸筒的密封可用橡胶石棉板或O形密封圈 |
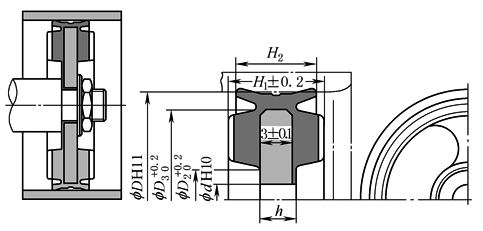
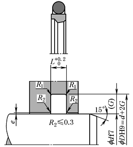
卡
环 |
|||||||||||||||||||||||||||||
|
|
重量比用螺栓连接的轻,零件较多,加工较复杂,卡环槽削弱了缸筒,相应地要把壁厚加大 |
|
|||||||||||||||||||||||||||||
|
|
结构紧凑,重量轻,零件较多,加工较复杂;缸筒壁厚要加大;装配时O形圈有可能被进气孔边缘擦伤 |
||||||||||||||||||||||||||||||
|
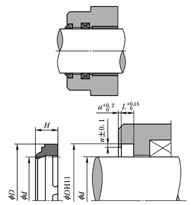
螺 钉 式 |
|
法兰尺寸比螺纹和卡环连接大,重量较重;缸盖与缸筒的密封可用橡胶石棉板或O形密封圈。缸筒为铸件或焊接件。焊后需进行退火处理 |
|||||||||||||||||||||||||||||
|
卡环尺寸 |
|
一般取h=l=t=t′ 1—缸筒;2—缸盖 |
|
||||||||||||||||||||||||||||
|
缸筒与缸盖的连接 |
拉杆式螺栓连接、螺钉式连接的螺栓允许静载荷/N |
|
|||||||||||||||||||||||||||||
|
材 料 |
螺栓直径/mm |
||||||||||||||||||||||||||||||
|
M6 |
M8 |
M10 |
M12 |
M14 |
M16 |
M18 |
M20 |
M22 |
M24 |
M27 |
M30 |
||||||||||||||||||||
|
Q235 |
736 |
1373 |
2354 |
3530 |
4903 |
7355 |
9807 |
13729 |
18633 |
22555 |
32362 |
44130 |
|||||||||||||||||||
|
35 |
1177 |
2158 |
3727 |
5688 |
8336 |
11768 |
15691 |
23536 |
31381 |
39227 |
51975 |
72569 |
|||||||||||||||||||
|
对于双头螺栓和螺栓连接,一般是四根螺栓,但是对于工作压力高于1MPa时,一定要校核螺栓强度,必要时增加螺栓数量,例如6根 |
|||||||||||||||||||||||||||||||
|
密
封 |
气缸的密封件选择,直接影响了气缸的性能及寿命。正确的设计选择和使用密封装置对保证气缸的正常工作非常重要 |
||||||||||||||||||||||||||||||
|
密封件选择与使用条件 |
运动速度 |
温度 |
介质 |
侧向负载 |
润滑脂及支承环 |
|
|||||||||||||||||||||||||
|
当气缸的运动速度很低(<3mm/s)时,要考虑设备运行是否出现“爬行”现象 当运动速度很高(>1m/s)时,要考虑起润滑作用的油膜可能被破坏,密封件因得不到很好的润滑而摩擦发热,导致寿命大大降低 建议聚氨酯或橡塑密封件在0.15~1m/s速度范围内工作比较适宜。当活塞速度大于1m/s时,应选用专用的润滑脂,并采用有油润滑的压缩空气 |
过低低温会使聚氨酯或橡塑密封件弹性降低,造成泄漏,甚至整个密封件变得发硬发脆。高温会使密封件体积膨胀、变软,造成运动时密封件摩擦阻力迅速增加 建议:聚氨酯或橡塑密封件工作温度范围-20~+80℃ |
工作介质应采用干燥、已被过滤的清洁压缩空气。对于南方潮湿地区,如过滤后压缩空气中仍水分较多时,不易采用聚氨酯材质的密封件,聚氨酯材质长时间遇水易产生乳化(注意选能耐水解聚氨酯材质) |
密封件加剧磨损破坏的一个重要因素是受侧向负载,通常,标准气缸活塞上一般装支承环,一般由自润滑耐磨材料制成,以保证气缸活塞杆能承受较大的负载。密封件和支承环起完全不同的功能,密封件作密封功能,支承环作活塞/活塞杆的支承定位(包括承受径向、侧向等负载)。密封件不能代替支承环承受负载。对于受侧向力大的气缸,必须采用承载能力较强的支承环,或采用含油铜烧结的支承环,或采用加宽支承环宽度,以防密封件在偏心的条件下工作引起泄漏和异样磨损 |
根据实际工况选择合适的润滑脂(高温、低温、低摩擦、低速),并选择含油铜轴承还是自润滑轴承作支承环 |
|
||||||||||||||||||||||||||
|
几种密封件型式 |
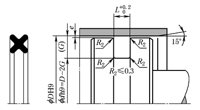
孔用密封件 |
孔 用 Yx 密 封 件 |
图 形 |
说 明 |
|
||||||||||||||||||||||||||
|
|
Yx密封件的横截面(H和f D-f d尺寸)很小,但密封性能却很好。真正与缸筒内壁面相接触而密封的表面面积较短,故摩擦力小。密封唇口的几何形状设计使它可以在含油润滑的空气以及无油空气中工作,并保持初始的储油进行润滑,具有较好的耐磨结构,安装时容易装入简单的沟槽中,无需挡圈或支撑件 工作压力:≤16bar;工作温度:丁腈橡胶-30~+80℃,聚氨酯-35~+80℃,氟橡胶-25~+200℃;表面速度:≤1m/s;介质:含油润滑的空气以及无油空气(装配时含润滑脂) 聚氨酯材质具有高强度低摩擦,长寿命等优点,但耐水解情况不如丁腈橡胶 |
|
|||||||||||||||||||||||||||||
|
低摩擦密封件 |
|
低摩擦密封件的横截面(尤其是H尺寸)更小,结构更紧凑,可用于气缸和阀。它有两个微型的密封唇边,分别对其缸筒摩擦滑动面及活塞沟槽安装面起密封功能。上下两个密封唇边之间储有润滑脂。由于特殊密封几何形状,仅在H长度尺寸有两个齿形突出物与缸筒内壁作摩擦滑动的密封(配置特殊润滑脂),因此静、动摩擦因数都很低,两个V形可使密封件具双向密封且运行平稳 工作压力:≤12bar;工作温度:-20~+100℃;表面速度:≤1m/s; 介质:含油润滑的空气以及无油空气(装配时含特殊润滑脂) |
|||||||||||||||||||||||||||||
|
低速密封件 |
|
低摩擦密封件的横截面(H尺寸)比Yx密封件更小,与缸筒内壁作摩擦滑动的接触面更少,静、动摩擦因数也都很低,当选用某特种材质作密封时(配置特殊润滑脂),运动非常平稳 工作压力:≤16bar;工作温度:丁腈橡胶-20~+80℃,聚氨酯-35~+80℃;表面速度:≤1m/s;介质:含油润滑的空气以及无油空气(装配时含低速用特殊润滑脂) |
|||||||||||||||||||||||||||||
|
三合一整体式密封件(密封、导向、缓冲) |
|
三合一整体式密封件是带双U形密封件和活塞整体硫化在一起。它有三个功能:密封、导向、缓冲。该密封件结构极其紧凑,从H方向横平面(H1为与缸筒密封件尺寸、H2为缓冲平面尺寸)可以看出,该类密封件可使气缸轴向方向尺寸缩短,较多应用在紧凑型气缸上。整体活塞有以下的优点,不必自己加工活塞零件,购买后在活塞杆上简单固定即可应用,而无需其他的密封要求。三合一整体式密封件两端平面为橡胶材质(不必再配备弹性橡胶缓冲垫),该端平面上弹性橡胶缓冲垫有轮轱式的凹槽,通气时可立即启动(即使该活塞体端平面与前、后端盖平面紧贴)。密封唇口的几何形状,可储有润滑脂,大大改善摩擦条件,运行平稳。使用该三合一整体式密封件时无专用导向套,故活塞杆端处不易受径向负载(尤其在长行程情况下) 工作压力:≤16bar;工作温度:-30~+100℃(合成橡胶材料);表面速度:≤1m/s;介质:含油润滑的空气以及无油空气(装配时含润滑脂) |
|||||||||||||||||||||||||||||
|
X 型 密 封 件 |
|
“X”形圈也叫星形圈,因为它截面呈“X”形,它在动态、静态工况下都能适用,在同样工作环境下比O形圈有更多优点,如:密封面接触面小,摩擦阻力小,抗扭曲能力强,在沟槽中不易滚动等。具有双向密封功能 工作压力:≤12bar;工作温度:-30~80℃(丁腈橡胶);表面速度:≤1m/s;介质:含油润滑的空气以及无油空气(装配时含润滑脂) |
|||||||||||||||||||||||||||||
|
格 莱 圈 |
|
此类为孔用密封圈,可作双向密封。由一个抗磨的PTFE方形密封环(填充其他耐磨材料如青铜粉、石墨粉或玻璃粉的聚四氟乙烯混合物)和O形橡胶密封圈组成。O形圈不仅提供弹力,还提供补偿力,抗磨的PTFE方形密封环既起密封功能,又可作为活塞的支承导向。该组合密封圈摩擦因数非常小,特别适用既需承受重负载、又需摩擦因数极小的伺服气缸或油缸,具极小的启动和运动摩擦力,以致在低速下也确保平稳运行,无爬行现象。抗磨的PTFE方形密封环具高的耐化学介质(腐蚀特性) 工作压力:≤400bar;工作温度:-30~+100℃;表面速度:≤5m/s;介质:含油润滑的空气、无油空气、油、水等 |
|||||||||||||||||||||||||||||
|
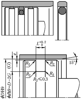
轴用密封件 |
Yx 密 封 件 |
|
Yx密封件的横截面(H和f D-f d尺寸)都很小,但密封性能却很好。由于密封接触面小,摩擦力小,并且由于特殊设计,因而不需要支撑挡圈 工作压力:≤16bar;工作温度:丁腈橡胶-30~+80℃,聚氨酯-35~+80℃,氟橡胶-25~+200℃;表面速度:≤1m/s;介质:含油润滑的空气以及无油空气(装配时含特殊润滑脂) 聚氨酯材质具有高强度低摩擦、长寿命等优点,但耐水解情况不如丁腈橡胶 |
|
|||||||||||||||||||||||||||
|
Yx二联密封件(密封防尘) |
|
Yx二联密封件的横截面(H和f D-f d尺寸)都很小,具有密封、防尘双重功能,这是专为小气缸及阀设计,与其他传统密封件相比,它具有以下的优点:密封和防尘的双重功能由一个密封件完成,最大限度地节省了空间,节省沟槽加工工序,从而降低加工成本,同时也降低密封件产品成本 工作压力:丁腈橡胶≤10bar、聚氨酯为≤16bar;工作温度:丁腈橡胶-10~+80℃,聚氨酯-35~+80℃,氟橡胶-25~+200℃;表面速度:≤1m/s;介质:含油润滑的空气以及无油空气(装配时含特殊润滑脂) 聚氨酯材质具有高强度低摩擦、长寿命等优点,但耐水解情况不如丁腈橡胶 |
|
||||||||||||||||||||||||||||
|
紧凑型Yx二联密封件(密封、防尘) |
|
紧凑型Yx二联密封件的横截面(H和f D-f d尺寸)比上述提到的Yx二联密封件空间物理尺寸更紧凑,摩擦力更低。它具有以下的优点:密封和防尘的双重功能由一个密封件完成,最大限度地节省了空间,简化了沟槽加工,从而降低加工成本,降低密封件产品成本 工作压力:丁腈橡胶≤10bar、聚氨酯为≤16bar;工作温度:丁腈橡胶-10~+80℃,聚氨酯-35~+80℃,氟橡胶-25~+200℃;表面速度:≤1m/s;介质:含油润滑的空气以及无油空气(装配时含特殊润滑脂) 聚氨酯材质具有高强度低摩擦、长寿命等优点,但耐水解情况不如丁腈橡胶 |
|
||||||||||||||||||||||||||||
|
Yx三联密封件(密封、防尘、固定) |
|
Yx三联密封件具有密封、防尘、固定三重功能,从横截面上可看到围绕在f D的外圆有一轮圆周凸形面,该凸形面嵌入前端盖沟槽半橄圆处的凹形槽上,担当起Yx三联密封件在轴向方向的定位功能。可用于较大规格的轴用密封、防尘系统 工作压力:≤16bar;工作温度:35~+80℃(氟橡胶-10~+200℃);表面速度:≤1m/s;介质:含油润滑的空气以及无油空气(装配时含特殊润滑脂) |
|
||||||||||||||||||||||||||||
|
斯特封密封件 |
|
此类为轴用密封圈,可双向密封。由一个抗磨的PTFE方形密封环(填充其他耐磨材料如青铜粉、石墨粉或玻璃粉的聚四氟乙烯混合物)和O形橡胶密封圈组成。O形圈不仅提供弹力,还提供补偿力,抗磨的PTFE方形密封环既起密封功能,又可作为活塞杆的支承导向功能。该组合密封圈摩擦因数非常小,特别适用既需承受重负载、又需摩擦因数极小的伺服气缸或油缸,具极小的启动和运动摩擦力,以致在低速下也确保平稳运行,无爬行现象。抗磨的PTFE方形密封环具高的耐化学介质(腐蚀特性) 工作压力:≤400bar;工作温度:-30~+100℃;表面速度:≤5m/s;介质:含油润滑的空气、无油空气、油、水等 |
|
||||||||||||||||||||||||||||
|
防 尘 圈 |
|
防尘圈的功能是防止灰尘、污物、沙粒及金属屑的进入。通过特殊的设计,防止剐伤,保护活塞杆表面,延长了轴向密封件的工作寿命。有过盈量的直径可保证密封件紧紧装入沟槽中,无需螺钉和托架,也不必要严格的公差 工作温度:-35~+100℃;表面速度:≤2m/s;材料:丁腈橡胶、聚氨酯、氟橡胶 注意:防尘圈在高速、长行程工况下,易带出装配沟槽 |
|
||||||||||||||||||||||||||||
|
防 尘 圈 |
金 属 骨 架 防 尘 圈 |
|
金属骨架防尘圈是防尘密封件与金属骨架硫化合成一体化结构防尘圈。安装时,将有过盈的直径金属骨架镶入前端盖沟槽内孔,并使其处于紧配合,防止在高速、长行程工况下,被带出装配沟槽。该防尘圈可防粉尘、脏物、砂粒和金属碎屑的侵入,在很大程度上可以防止剐伤,保护活塞杆表面滑动面,工作寿命长 工作温度:-35~+80℃;表面速度:<2m/s;材料:丁腈橡胶、聚氨酯、氟橡胶 |
|
|||||||||||||||||||||||||||
|
双 唇 防 尘 圈 |
|
双唇防尘圈主要功能是防止粉尘、污物、砂粒及金属屑的进入轴向导向轴承处,这种特殊的设计使活塞杆在未伸出端盖内处于封闭状态,对活塞杆及轴向导向轴承(轴套)起了保护作用,大大地防止活塞杆被剐伤,也延长了轴用密封件的使用寿命 工作温度:-35~+80℃;表面速度:≤2m/s |
|
||||||||||||||||||||||||||||
|
缓 冲 密 封 垫 圈 |
|
缓冲密封圈用途是:当缓冲小活塞在进入缓冲行程时,被压缩腔内的压缩空气只能通过小通孔(小通孔配有调节流量的针阀)向外排出,而不能通过活塞杆周围环形空间向排气口排出。该缓冲密封圈被安装在气缸端盖体内,即使在略有偏心的情况下,也可以自动对中,所以具有极佳的缓冲效果 压力:≤16bar(由于缓冲过程引起的压力上升已考虑在内);工作温度:丁腈橡胶-20~+80℃,聚氨酯-35~+80℃;速度:≤1m/s;介质,含油润滑的空气以及无油空气(装配时含润滑脂) |
|
||||||||||||||||||||||||||||
|
几种密封材料 |
名称 |
代号 |
主要特点 |
工作温度 /℃ |
主要用途 |
|
|||||||||||||||||||||||||
|
丁腈橡胶 |
NBR |
耐油性能好,能和大多数矿物基油及油脂相容。但不适用于磷酸酯系列液压油及含极性添加剂的齿轮油,不耐芳香烃和氯化烃、酮、胺、抗燃液HFD |
-40~+120 |
制造O形圈、气动、液压密封件等。适用于一般液压油、水乙二醇HFC和水包油乳化液 HFA、HFB、动物油、植物油、燃油,沸水、海水,耐甲烷、乙烷、丙烷、丁烷 |
|
||||||||||||||||||||||||||
|
橡塑复合 |
RP |
材料的弹性模量大,强度高。其余性能同丁腈橡胶 |
-30~+120 |
用于制造O形圈、Y形圈、防尘圈等。应用于工程机械液压系统的密封 |
|
||||||||||||||||||||||||||
|
氟橡胶 |
FKM或 FPM |
耐热、耐酸碱及其他化学药品。耐油(包括磷酸酯系列液压油),适用于所用润滑油、汽油、液压油、合成油等。耐抗燃液HFD、燃油、链烃、芳香烃和氯化烃及大多数无机酸混合物。但不耐酮、胺、无水氨、低分子有机酸,例甲酸和乙酸 |
-20~+200 |
特点是耐高温、耐天候、耐臭氧和化学介质,几乎耐所有的矿物基和合成基液压油。但遇蒸汽、热水或低温场合,有一定的局限。它的低温性能有限,与蒸汽和热水的兼容性中等,若遇这种场合,要选用特种氟橡胶。耐燃液压油的密封,在冶金、电力等行业用途广泛 |
|
||||||||||||||||||||||||||
|
硅橡胶 |
PMQ 或MVQ |
耐热、耐寒性好、耐臭氧及耐老化,压缩永久变形小,但机械强度低,不耐油,价格较贵,不易作耐油密封件 |
-60~+230 |
适用于高、低温下食品机械、电子产品上的密封 |
|
||||||||||||||||||||||||||
|
聚丙烯酸酯橡胶 |
ACM |
耐热优于丁腈橡胶,可在含极性添加剂的各种润滑油、液压油、石油系液压油中工作,耐水较差 |
-20~+150 |
用于各种汽车油封及各种齿轮箱、变速箱中,可耐中高温 |
|
||||||||||||||||||||||||||
|
乙丙橡胶 |
EPDM 或EPM |
耐气候性好,在空气中耐老化、耐弱酸,可耐氟里昂及多种制冷剂,不适用于矿物油 |
-55~+260 |
广泛应用于冰箱及制冷机械的密封。耐蒸汽至200℃、高温气体至150℃ |
|
||||||||||||||||||||||||||
|
聚四氟 乙烯 |
PTFE |
化学稳定性好,耐热、耐寒性好,耐油、水、气、化学药品等各种介质。机械强度较高,耐高压、耐磨性好,摩擦因数极低,自润滑性好。聚四氟乙烯有蠕动和冷流现象,在一定负荷的持续作用下时间的增长变形继续增加(该现象与温度有很大的关系)。纯聚四氟乙烯一般不能用作液压密封材料,只有填充型的PTFE才能使用,常用的有青铜粉填充和玻璃纤维填充,这些填充剂降低热膨胀系数,改善热传导能力,增加耐磨性,提高抗冷流(蠕变)性能。PTFE没有弹性,所以它总是与橡胶弹性体一起使用,由它们提供所需的预紧力来完成完美的密封。如孔用的格莱圈或轴用的斯特封密封件 |
-55~+260 |
用于制造密封环、耐磨环、导向环(带)、挡圈等,为机械上常用的密封材料。广泛用于冶金、石化、工程机械、轻工机械等几乎各个行业 |
|
||||||||||||||||||||||||||
|
尼龙 |
PA |
耐油、耐温、耐磨性好,抗压强度高,抗冲击性能较好,但尺寸稳定性差 |
-40~+120 |
用于制造导向环、导向套、支承环、压环、挡圈等 |
|
||||||||||||||||||||||||||
|
聚甲醛 |
POM |
耐油、耐温、耐磨性好,抗压强度高,抗冲击性能较好,有较好的自润滑性能,尺寸稳定性好,但曲挠性差 |
-40~+140 |
用于制造导向环、导向套、支承环、压环、挡圈等 |
|
||||||||||||||||||||||||||
|
氯丁橡胶 |
CR |
良好的耐老化及盐水性能 |
-30~+160 |
经常用于制冷业(如氟12)、黏合场合和户外环境 |
|
||||||||||||||||||||||||||
|
氟硅橡胶 |
MFQ或 FVMQ |
良好的耐高温和低温性能 |
-100~+350 |
常用于需用耐油和抗燃的场合,如航天 |
|
||||||||||||||||||||||||||
|
聚氨酯 |
PU或 AU |
具有非常好的机械特性及优异的耐磨性,压缩变形小,拉伸强度高,剪切强度、抗挤压强度都非常高。具有中等耐油、耐氧及耐臭氧老化特性,+50℃以下的抗燃液HFA和HFB。但不耐+50℃以上的水、酸、碱(耐水解聚氨酯例外) |
-30~+110 |
常用于气动、液压系统中的往复密封,如Y形圈、U形圈等。广泛用于工程机械,如装载机、叉车、推土机、挖掘机液压缸的密封 |
|
||||||||||||||||||||||||||
|
支承环的选择 |
含油铜轴承支承环 |
无油润滑轴承 |
|
||||||||||||||||||||||||||||
|
含油铜轴承是由颗粒铜粉或青铜粉末经模具压制,在高温中烧结后整形,再经过润滑油真空浸润,成为孔隙中含浸有润滑油的多孔性合金制品。当轴与含油铜轴承作相对运动时,因轴与含油铜轴承之间的摩擦,使含油轴承的温度升高。润滑油渗出于其内径的摩擦表面,当轴停止相对运动时,润滑油又回流于含油铜轴承内部。因此,润滑油的消耗量非常小,可在不从外部供给润滑油的情况下,长期运转使用,非常适合于供油困难与避免润滑油污染的场合 含油铜轴承最大承载:150N/mm;最大滑动速度2.5m/s 注:含油轴承可由铁基粉末等制成,考虑含油铜轴承作活塞杆支承环是出于两种金属材料相对摩擦运动,活塞杆不会被咬死 |
该产品是以钢板为基体,中间烧结球形青铜粉,表面轧制聚四氟乙烯PTFE混合物、聚甲醛POM、尼龙PA或酵醛树脂(加强纤维),由卷制而成的滑动轴承 |
||||||||||||||||||||||||||||||
|
应 用 特 点 |
产 品 特 性 |
|
|||||||||||||||||||||||||||||
|
a)无油润滑或少油润滑,适用于无法加油或很难加油的场所,可在使用时不保养或少保养 b)耐磨性能好,摩擦因数小,使用寿命长 c)有适量的弹塑性,能将应力分布在较宽的接触面上,提高轴承的承载能力 d)静动摩擦因数相近,能消除低速下的爬行,从而保证机械的工作精度 e)能抑制或减少机械振动、降低噪声 f)在运转过程中能形成转移膜,起到保护对磨轴的作用,避免金属间的接触,无咬轴现象 g)对轴的硬度要求低,未经调质处理的轴都可使用,从而降低了相关零件的加工难度 h)薄壁结构、重量轻,可减少机械体积 i)钢背面可电镀多种金属,可在腐蚀介质中使用;目前已广泛应用于各种机械的滑动部位 |
最大承载压力 140N/mm2 适用温度范围 -195~+270℃ 最高滑动速度 5~15m/s 摩擦因数μ 0.04~0.20 |
|
|||||||||||||||||||||||||||||
|
|||||||||||||||||||||||||||||||






















