|
固定真空法兰 (GB/T 6070—1995) mm |
|||||||||||||||||||
|
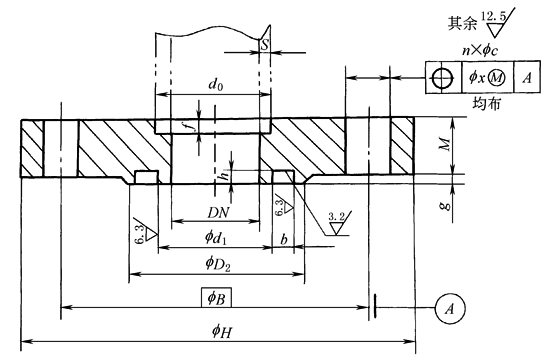
法兰应按下图(平法兰不开密封槽)、下表要求加工,表中所列尺寸不包括加工余量,如工艺需要应留出加工余量。 材料:Q235-A、0Cr19Ni9,选用其他材料时应满足线密封载荷和焊接性能的要求。
固定法兰 |
|||||||||||||||||||
|
公称通径DN |
接 管 |
法 兰 |
密 封 槽 |
螺 栓 |
|||||||||||||||
|
d0 |
S |
H |
M |
B |
c |
D2 |
g |
x |
f |
d1 |
h |
b |
f |
n |
|||||
|
基本尺寸 |
公差 |
基本尺寸 |
公差 |
基本尺寸 |
公差 |
基本尺寸 |
公差 |
||||||||||||
|
10 |
14 |
2.0 |
55 |
8 |
40 |
6.6 |
+0.22 0 |
|
|
0.6 |
1 |
17 |
|
|
|
4 |
+0.1 0 |
6 |
4 |
|
16 |
20 |
60 |
45 |
22 |
+0.2 0 |
2.6 |
+0.1 0 |
||||||||||||
|
20 |
25 |
2.5 |
65 |
50 |
2 |
24 |
|||||||||||||
|
25 |
30 |
70 |
55 |
29 |
|||||||||||||||
|
32 |
38 |
90 |
70 |
9.0 |
1.0 |
36 |
8 |
||||||||||||
|
40 |
45 |
100 |
12 |
80 |
44 |
||||||||||||||
|
50 |
57 |
3.5 |
110 |
90 |
3 |
55 |
|||||||||||||
|
63 |
70 |
130 |
110 |
68 |
+0.5 0 |
||||||||||||||
|
80 |
89 |
4.0 |
145 |
125 |
85 |
8 |
|||||||||||||
|
100 |
108 |
165 |
145 |
4 |
105 |
||||||||||||||
|
125 |
133 |
200 |
16 |
175 |
11.0 |
+0.27 0 |
130 |
10 |
|||||||||||
|
160 |
170 |
225 |
200 |
165 |
|||||||||||||||
|
200 |
208 |
285 |
260 |
233 |
1.0 |
5 |
208 |
+1.0 0 |
3.6 |
6 |
12 |
||||||||
|
250 |
258 |
335 |
310 |
282 |
258 |
||||||||||||||
|
320 |
330 |
5.0 |
425 |
20 |
395 |
14.0 |
352 |
2.0 |
328 |
+1.5 0 |
4.8 |
8 |
12 |
||||||
|
400 |
410 |
510 |
480 |
440 |
6 |
410 |
16 |
||||||||||||
|
500 |
510 |
610 |
580 |
540 |
1.5 |
510 |
|||||||||||||
|
630 |
642 |
6.0 |
750 |
24 |
720 |
675 |
8 |
640 |
+2.0 0 |
6.0 |
10 |
20 |
|||||||
|
800 |
816 |
8.0 |
920 |
890 |
855 |
815 |
24 |
||||||||||||
|
1000 |
1020 |
10.0 |
1120 |
26 |
1090 |
1060 |
10 |
1015 |
32 |
||||||||||
|
1250 |
1274 |
12.0 |
1440 |
28 |
1404 |
19.0 |
+0.33 0 |
1340 |
2.0 |
2.5 |
12 |
1280 |
+2.5 0 |
9.0 |
14 |
16 |
36 |
||
|
1600 |
1628 |
14.0 |
1800 |
30 |
1760 |
23.0 |
1705 |
1630 |
+3.0 0 |
12.0 |
18 |
20 |
44 |
||||||
|
1800 |
1832 |
16.0 |
1990 |
34 |
1947 |
27.0 |
1920 |
2.5 |
16 |
1840 |
+3.5 0 |
13.0 |
20 |
24 |
48 |
||||
|
2000 |
2036 |
18.0 |
2254 |
36 |
2210 |
2140 |
20 |
2040 |
+4.0 0 |
52 |
|||||||||

