|
活套真空法兰 (GB/T 6070—1995) |
||||||||||||||||||||||||||||||||||
|
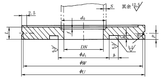
活套真空法兰活套真空法兰按图(1)(平法兰不开槽)、表1的要求加工,法兰套环按图(2)、表2的要求加工。表1、表2中所列的尺寸不包括加工余量,如工艺需要应留出加工余量。密封槽应开在迎着气流方向的法兰平面上。 材料:Q235-A、0Cr19Ni9,选用其他材料时应满足线密封载荷和焊接性能的要求。
图(1) 法兰 |
||||||||||||||||||||||||||||||||||
|
表1 法兰的基本尺寸 |
||||||||||||||||||||||||||||||||||
|
公称 通径 DN |
接 管① |
法 兰 |
||||||||||||||||||||||||||||||||
|
d0 |
S |
U |
L |
W |
R |
P |
f |
密 封 槽 |
||||||||||||||||||||||||||
|
d1 |
h |
b |
||||||||||||||||||||||||||||||||
|
基本 尺寸 |
公差 |
基本 尺寸 |
公差 |
基本 尺寸 |
公差 |
基本 尺寸 |
公差 |
基本 尺寸 |
公差 |
基本 尺寸 |
公差 |
基本 尺寸 |
公差 |
|||||||||||||||||||||
|
10 |
14 |
2.0 |
30 |
0 -0.16 |
6 |
±0.45 |
28 |
1.0 |
+0.180 +0.140 |
3.0 |
+0.25 0 |
1 |
17 |
+0.2 0 |
2.4 |
+0.1 0 |
4 |
+0.1 0 |
||||||||||||||||
|
16 |
20 |
35 |
33 |
22 |
||||||||||||||||||||||||||||||
|
20 |
25 |
2.5 |
40 |
38 |
2 |
24 |
||||||||||||||||||||||||||||
|
25 |
30 |
45 |
43 |
29 |
||||||||||||||||||||||||||||||
|
32 |
38 |
55 |
0 -0.19 |
53 |
36 |
|||||||||||||||||||||||||||||
|
40 |
45 |
65 |
10 |
±0.55 |
62 |
1.5 |
5.0 |
+0.30 0 |
44 |
|||||||||||||||||||||||||
|
50 |
57 |
3.5 |
75 |
72 |
3 |
55 |
+0.5 0 |
|||||||||||||||||||||||||||
|
63 |
70 |
95 |
0 -0.22 |
92 |
68 |
|||||||||||||||||||||||||||||
|
80 |
89 |
4.0 |
110 |
107 |
85 |
|||||||||||||||||||||||||||||
|
100 |
108 |
130 |
0 -0.25 |
125 |
2.5 |
4 |
105 |
|||||||||||||||||||||||||||
|
125 |
133 |
155 |
150 |
130 |
||||||||||||||||||||||||||||||
|
160 |
170 |
180 |
175 |
165 |
||||||||||||||||||||||||||||||
|
200 |
208 |
240 |
0 -0.29 |
235 |
5 |
208 |
+1.0 0 |
3.6 |
6 |
|||||||||||||||||||||||||
|
250 |
258 |
290 |
0 -0.32 |
285 |
258 |
|||||||||||||||||||||||||||||
|
320 |
330 |
5.0 |
370 |
0 -0.36 |
15 |
365 |
7.5 |
+0.36 0 |
328 |
+1.5 0 |
4.8 |
8 |
||||||||||||||||||||||
|
400 |
410 |
450 |
0 -0.40 |
442 |
4.0 |
+0.188 +0.140 |
6 |
410 |
||||||||||||||||||||||||||
|
500 |
510 |
550 |
0 -0.44 |
542 |
510 |
|||||||||||||||||||||||||||||
|
630 |
642 |
6.0 |
690 |
0 -0.50 |
20 |
680 |
5.0 |
+0.196 +0.140 |
10 |
642 |
||||||||||||||||||||||||
|
① 采用其他尺寸接管时,其实际通径应等于或大于公称通径。 |
||||||||||||||||||||||||||||||||||
|
图(2)法兰套环 |
||||||||||||||||||||||||||||||||||
|
表2 套环的基本尺寸 mm |
||||||||||||||||||||||||||||||||||
|
公称 通径 DN |
法 兰 套 环 |
螺 栓 |
||||||||||||||||||||||||||||||||
|
H |
M |
B |
V |
T |
R |
K |
x |
c |
Q |
f |
n |
|||||||||||||||||||||||
|
基本 尺寸 |
公差 |
基本 尺寸 |
公差 |
基本 尺寸 |
公差 |
基本 尺寸 |
公差 |
基本 尺寸 |
公差 |
|||||||||||||||||||||||||
|
10 |
55 |
8 |
±0.55 |
40 |
32.1 |
+0.62 0 |
30.1 |
+0.16 0 |
1.0 |
+0.180 +0.140 |
2 |
0.6 |
6.6 |
+0.22 0 |
3.0 |
6 |
4 |
|||||||||||||||||
|
16 |
60 |
45 |
37.1 |
35.1 |
||||||||||||||||||||||||||||||
|
20 |
65 |
50 |
42.1 |
40.1 |
||||||||||||||||||||||||||||||
|
25 |
70 |
55 |
47.1 |
45.1 |
||||||||||||||||||||||||||||||
|
32 |
90 |
70 |
57.5 |
+0.74 0 |
55.5 |
+0.19 0 |
1.0 |
9.0 |
8 |
|||||||||||||||||||||||||
|
40 |
100 |
12 |
80 |
68.5 |
65.5 |
1.5 |
3 |
5.5 |
||||||||||||||||||||||||||
|
50 |
110 |
90 |
78.5 |
75.5 |
||||||||||||||||||||||||||||||
|
63 |
130 |
110 |
98.5 |
+0.87 0 |
95.5 |
+0.22 0 |
||||||||||||||||||||||||||||
|
80 |
145 |
125 |
113.5 |
110.5 |
8 |
|||||||||||||||||||||||||||||
|
100 |
165 |
145 |
133.5 |
+1.00 0 |
130.5 |
+0.25 0 |
||||||||||||||||||||||||||||
|
125 |
200 |
16 |
175 |
160.7 |
155.7 |
2.5 |
5 |
11.0 |
+0.27 0 |
6.5 |
10 |
|||||||||||||||||||||||
|
160 |
225 |
200 |
185.7 |
+1.15 0 |
180.7 |
|||||||||||||||||||||||||||||
|
200 |
285 |
260 |
245.7 |
240.7 |
+0.29 0 |
12 |
||||||||||||||||||||||||||||
|
250 |
335 |
310 |
295.7 |
+1.30 0 |
290.7 |
+0.32 0 |
||||||||||||||||||||||||||||
|
320 |
425 |
20 |
±0.65 |
395 |
375.5 |
+1.40 0 |
370.8 |
+0.36 0 |
2.0 |
14.0 |
||||||||||||||||||||||||
|
400 |
510 |
480 |
458.8 |
+1.55 0 |
450.8 |
+0.40 0 |
4.5 |
+0.188 +0.140 |
8 |
8.5 |
12 |
|||||||||||||||||||||||
|
500 |
610 |
580 |
558.8 |
+1.75 0 |
550.8 |
+0.44 0 |
10.0 |
16 |
||||||||||||||||||||||||||
|
630 |
750 |
24 |
720 |
701 |
+1.80 0 |
691.0 |
+0.48 0 |
5 |
+0.196 +0.140 |
10 |
20 |
|||||||||||||||||||||||


