|
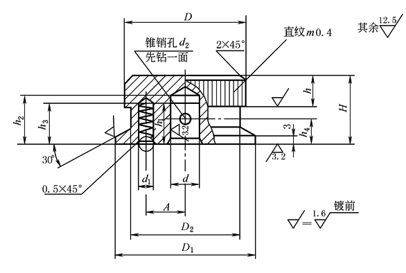
定位把手(JB/T 7274.5—1994) mm |
||||||||||||||||
|
|
||||||||||||||||
|
材料:HT200;35钢;Q235-A。 表面处理:喷砂镀铬(PS/D·Cr); 镀铬抛光(D·L3Cr)。 标记示例 d=12,D=50,HT200,喷砂镀铬定位把手,标记为:把手 12×50 JB/T 7274.5 |
||||||||||||||||
|
d |
D |
D1 |
D2 |
d1 |
d2 |
H |
h |
h1 |
h2 |
h3 |
h4 |
A |
每件质量 /kg≈ |
相配钢球 GB/T 308 |
相配压缩弹簧 GB/T 2089 |
|
|
基本尺寸 |
极限偏差 H8 |
|||||||||||||||
|
10 |
+0.022 0 |
40 |
48 |
38 |
6.7 |
4 |
26 |
12 |
14 |
18 |
18 |
10 |
14 |
0.295 |
6.5 |
0.8×5×25 |
|
12 |
+0.027 0 |
50 |
58 |
45 |
5 |
30 |
14 |
18 |
20 |
11 |
16 |
0.495 |
||||
|
16 |
60 |
68 |
55 |
8.5 |
32 |
16 |
21 |
23 |
21 |
20 |
0.800 |
8 |
1.2×6×35 |
|||
|
18 |
70 |
78 |
65 |
6 |
34 |
18 |
25 |
1.105 |
||||||||
|
注:其他技术要求按JB/T 7277的规定。 |
||||||||||||||||

